Вид для печати
Здравствуйте, можно ли сделать aux lg tcc 6210 ?
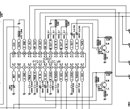
Попробуй подключится к любому из входов через эл.конденсатор, например L.Tape и R.Tape Вложение 18866