Для любителей визуализаций и светового шоу
Нашел простейшую схему цветомузыки.
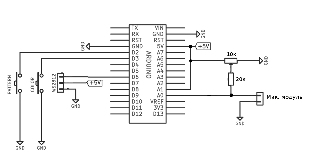
Компоненты:
Любая Ардуино на базе контроллера Atmega328
Светодиодная лента на светодиодах ws2812 и подобных
Микрофонный модуль
2 кнопки
Переменный резистор 10к
Схема цветомузыки:
Вложение 19330
Видео
Ссылка на первоисточник http://cyber-place.ru/showthread.php?p=38767#post38767
