Как сделать преобразователь с 3,6В в 220В своими руками
Как сделать преобразователь с 3,6В в 220В своими руками, всего за 1 минуту.
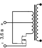
За основу простого инвертора 220В, взята схема блокинг генератора. Схема состоит всего из двух деталей: mosfet транзистор IRF540
и маломощный силовой трансформатор 220В - 12В, от старинного адаптера питания.
Для чего я это собрал? Для того что бы зарядить пушку Гаусса от одного Литий-Ионного аккумулятора.
08.04.2018, 23:09
Kevin
Re: Как сделать преобразователь с 3,6В в 220В своими руками
Добрый вечер, есть вопрос по mosfet. Чем отличие IRF540 PBF от IRF540NPBF? А то в магазине у нас цена на них от 50 до 100р. Или может заказать на Али за тот же стольник десяток (10 шт. Бесплатная доставка irf540npbf IRF540N IRF540 к-220 100 В 33a MOS транзисторы n-канальный новый оригинальный)
09.04.2018, 01:06
Chip
Re: Как сделать преобразователь с 3,6В в 220В своими руками
Отличаются они током стока. 28А и 33А. Я обычно на алике по 10-20 шт. Заказываю