Вложений: 8
	
	
		AVCLan-mini или подключение к штатной голове Toyota
	
	
		В начале хочу раздать благодарности: 
Chip'у и его теме  Инструкции, драйвера для подключения Штатного монитора в Toyota Lexus за саму идею, подтверждение ее возможности, а также кучу инструкций по сбору и подключению CarPC на этом форуме
Cайту Toyota Corolla MP3 Project за схему, прошивки, информацию о работе AVCLan.
Теперь по существу. Прочитав схему Chip'a мне тоже захотелось подключить к своей голове компьютер и задействовать штатный тачскрин. Но цена на готовый адаптер для меня была высоковата, да и руки чесались собрать что-нибудь подобное самому.
Это мой первый собранный CarPC и первый опыт работы с микроконтроллерами, так что не судите строго.
Адаптер эмулирует CD-чейджер, при активации его со штатной головы, подается сигнал на включении адаптера AZ-FM (подробнее о нем можно прочитать здесь Адаптер подключения звука от CarPC к штатному усилителю на Toyota Lexus (опять спасибо Chip'у). Так же адаптер выдает в com-порт информацию считываемую с шины AVCLan (в ней и содержится инфа о нажатиях на тачскрин). В дополнение к этому он может передавать команды в шину.
Что он не делает в отличии от адаптера Chip'a:
1. и самое главное - не активирует RGB вход. Для активации я использую штатную навигацию. Я отключил от нее разъем с RGB (№5 по инструкции Chip'а), оставил только контакты Lan TX-, Lan TX+ (5 и 10 контакты по инструкции Chip'a). Я понимаю, что это не очень красиво, зато сильно ускорило реализацию проекта. Для эмуляции навигации нужно было провести достаточно много работы. Chip со товарищами эту работу проделали, но у них проект коммерческий и я даже не тешил себя мыслью, что они могут этой информацией поделиться.
2. не коммутирует звук от навигации.
3. Используется дефицитный нынче com-порт вместо USB
4. Может еще чего просмотрел.
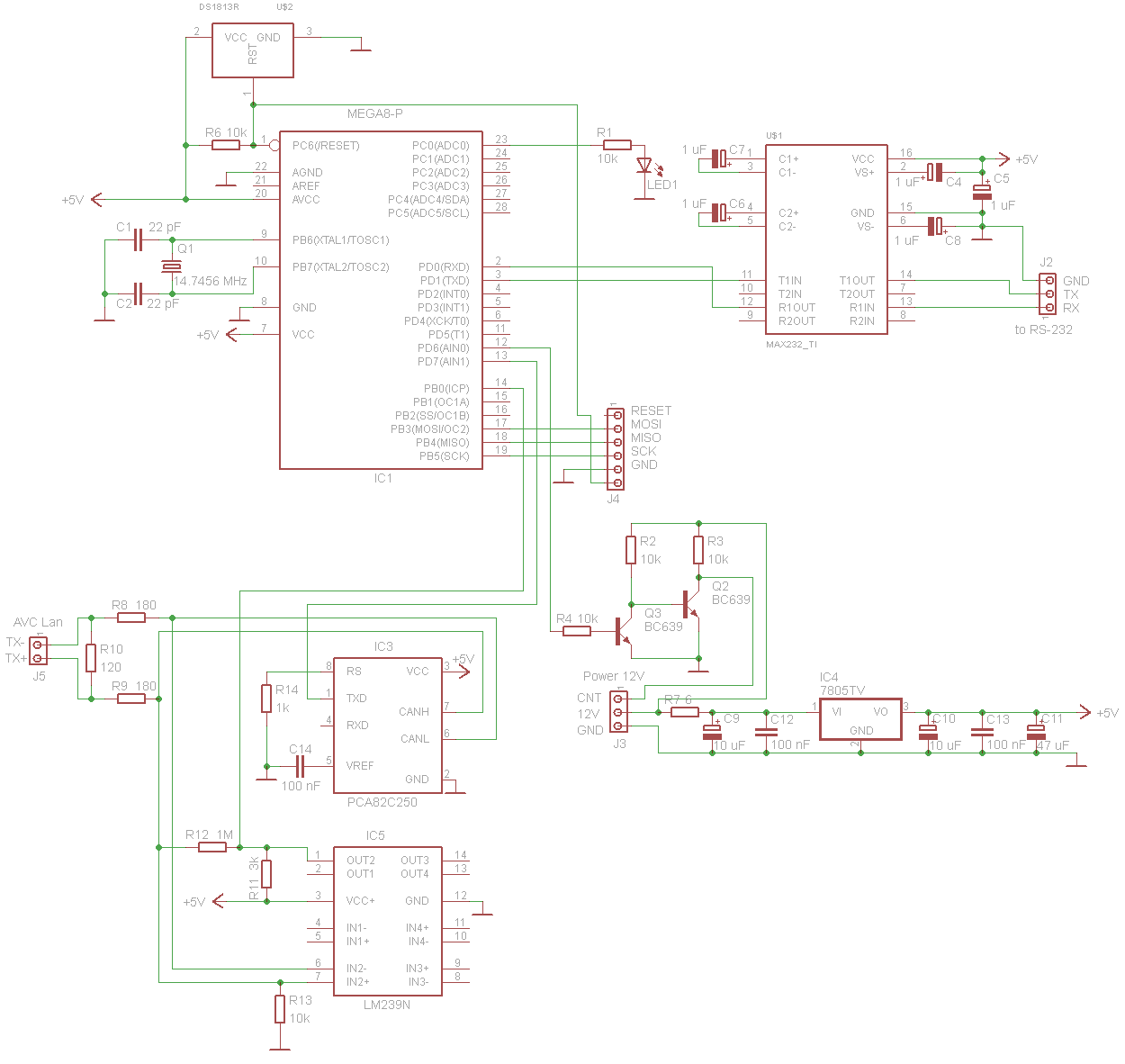
Схема:
За основу была взята схема с сайта Toyota Corolla MP3 Project, я ее дополнил только ключем для управления адаптером AZ-FM.
Вложение 3831
Вложение 3832
Вид собранного адаптера:
Вложение 3833
Вложение 3834
А это адаптер установленный в компьютер вместе с AZ-FM
Вложение 3835
Подключается адаптер через com-порт на внутренний разъем на материнской плате. Потому как так-же было на оригинальной схеме, а переделать на USB у меня в тот момент не хватило квалификации. Есть в этом и плюсы: нет проблем при просыпании из hibernate. 
Схема с платой в формате EAGLE Layout editor:
Вложение 3837
Прошивка:
Вложение 3836
В адаптер залит бутлоадер с сайта MicroSyl он позволяет перепрошивать контроллер через com-порт. Достаточно кратковременно выключить/включить ACC  в машине и новая прошивка залита.
За основу прошивки взята оригинальная прошивка с сайта Toyota Corolla MP3 Project. Я ее только дополнил циклическим буфером для выдачи лога на com-порт. Т.к. без него, из-за большого трафика в шине AVCLan у меня в машине, адаптер не мог зарегистрировать CD-чейнджер, вместо этого он пытался передать полученные в шине данные на com-порт.
Софт:
Вложение 3838
1. Калибратор тачскрина avclan-mini-calibrate.exe, запускаем жмем четыре раза на экран. Данные записываются в файл avclan.ini. Предварительно туда-же нужно записать параметры com-порта.
2. Драйвер тачскрина avclan-mini-driver.exe, берет данные из файла avclan.ini. В нем нужно описать в каком виде приходят координаты от головы (скорее всего потребуется только поменять адрес головы). А также в нем можно прописать действия на принимаемые от головы команды (например нажатия кнопок) в секциях [action_nnn].
Действиями могут быть посылка нажатия кнопок или запуск приложения.
3. Терминал предназначен для исследования работы AVCLan.
В окне терминала выводятся принимаемые с шины данные (их можно фильтровать задав фильтр в файле terminal.ini секция [filter]
А также можно передавать команды в шину с помощью соответствующих полей и кнопок F1-F8 (можно например поменять баланс, тембр, переключиться на радио и т.д.)
В зависимости от головы может потребоваться поменять в прошивке значения адресов головы и cd-чейнджера. Адрес головы нужно смотреть в терминале, этот адрес будет источником большинства сообщений. Адрес чейнджера или 360 или 240.
Адаптер эксплуатируется с лета прошлого года. Все работает стабильно. Правда активацию CD-чейнджера я довел до ума только этой весной, поэтому про стабильность этой части пока рано говорить.
Ну вот собственно и все. Прошивки и весь софт с исходниками, т.к. в основном я только обобщил чужой отыт и наработки, отдаю все обратно в свободное использование. Надеюсь, мой опыт будет кому-то полезен.
Ну а если кто-нибудь мне поможет в реализации эмуляции навигации (точнее активации RGB входа) будет совсем замечательно.
 
Еще заметил такую особенность: на моей голове 16030 разрешение тачскрина при работе с навигацией довольно грубое (где-то 36*22 пикселя, пишу по памяти, могу соврать, но порядок цифр такой). Но если войти в сервисное меню головы и там выбрать проверку тачскрина, то по выходу из сервисного меню разрешение становиться 1*1 пиксел и сохраняется до перезагрузки головы. Т.е. разрешение тачскрина на самом деле высокое и голова специально его загрубляет для навигации. Может кто знает как заставить голову не делать этого?
	 
	
	
	
		Re: AVCLan-mini или подключение к штатной голове Toyota
	
	
		Огромный респект автору, за проделаную работу!
Теперь есть Lite версия адаптера для самостоятельного изготовления с открытым кодом, думаю что еще подключатся желающие к этой теме и проект будет жить и развиваться.
	 
	
	
	
		Re: AVCLan-mini или подключение к штатной голове Toyota
	
	
		хочу сделать нечто подобное, НО пока без установки полноценного РС. В данный момент у меня стоит система следующего образа, на с-видео к голове (штатный тачскрин, но умеет прорисовывать треки от камер при парковке (не хочу терять данную опцию ни при каких раскладах)) подрублен абсолютовский тв-тюнер (радио фм, и телевидение),  к нему подрублен двд-чейнджер. Судя по написанному с помощью вашего адаптера есть возможность пересадить чейнджер на стандартный тойотовский разъём для чейнджера, что позволит мне им управлять как с тачскрина так и с руля. Насколько это оправдано и возможно ? никто не подскажет, и хотелось бы иметь с помомщью этой платы возможность в дальнейшем проапгрейдится до карписи?
	 
	
	
	
		Re: AVCLan-mini или подключение к штатной голове Toyota
	
	
		Без изменений адаптер сможет только активировать линейный вход (и то в паре с адаптером AZ-FM). Управлять внешним чейджером он не может (я так понимаю там какой-то свой протокол).
Как я понял линейный вход Вы и так используете через абсолют, так что ничего нового получить не получитсья. 
Если нет желания усовершенствовать адаптер и двд чейнждер фирмы JVC можно посмотреть в сторону вот такого устройства http://www.vega-absolute.ru/producti...log/44/86.html
	 
	
	
	
		Re: AVCLan-mini или подключение к штатной голове Toyota
	
	
		
	Цитата:
	
		
		
			
				Сообщение от 
ak1976
				
			 
			Без изменений адаптер сможет только активировать линейный вход (и то в паре с адаптером AZ-FM). Управлять внешним чейджером он не может (я так понимаю там какой-то свой протокол).
Как я понял линейный вход Вы и так используете через абсолют, так что ничего нового получить не получитсья. 
Если нет желания усовершенствовать адаптер и двд чейнждер фирмы JVC можно посмотреть в сторону вот такого устройства 
http://www.vega-absolute.ru/producti...log/44/86.html 
			
		
	 
 нуууу тут проблема скорее в том что я не знаю, распиновку разъёма тойотовского на чейнджер, и собственно протоколы передачи, или хотя бы порядок битов. если бы была такая информация то можно было бы попытаться что-то смострячить, но главная получается проблема в том что чейнджер у меня фантомовский.. т.е. адаптер абсолютовский на дживиси чейнджер уже не покатит.. :(
	 
	
	
	
		Re: AVCLan-mini или подключение к штатной голове Toyota
	
	
	
	
	
		Re: AVCLan-mini или подключение к штатной голове Toyota
	
	
		[OFF] ой дык судя по тому что написанно в ссылке, вообще не проблемма считывать, а так же запихивать инфу связанную с громкостью
broadcast (C)	VOLUME vv=0-FF
0	160	1FF	F	F	74	31	F1	90	vv	10	10	10	10	10	0	0	0	3	0
Нада всетаки хоум ворлда озадачить[/OFF]
Хотя ясмотрю тут опен соурс проект наклевывается....
осталось только определить с какими задержками и в каком порядке инициализируются уст-ва... 
Жаль что он на атмеге, так бы Чип бы уже начал кивирять прошивку :)
	 
	
	
	
		Re: AVCLan-mini или подключение к штатной голове Toyota
	
	
		Тут проблема в том что я с СИ не дружу :(
	 
	
	
	
		Re: AVCLan-mini или подключение к штатной голове Toyota
	
	
		
	Цитата:
	
		
		
			
				Сообщение от 
HiddenPilot
				
			 
			[OFF] ой дык судя по тому что написанно в ссылке, вообще не проблемма считывать, а так же запихивать инфу связанную с громкостью
broadcast (C)	VOLUME vv=0-FF
0	160	1FF	F	F	74	31	F1	90	vv	10	10	10	10	10	0	0	0	3	0
Нада всетаки хоум ворлда озадачить[/OFF]
Хотя ясмотрю тут опен соурс проект наклевывается....
осталось только определить с какими задержками и в каком порядке инициализируются уст-ва... 
Жаль что он на атмеге, так бы Чип бы уже начал кивирять прошивку :)
			
		
	 
 Считывать действительно не проблема, а вот управлять громкостью пока не известно как. Вот балансом и тембром не проблема. Я пробовал - работает. Данные которые выдает голова и которые ей нужно передать для управления различаются. Например тембр (НЧ):
Голова отдает 
	Код:
	
BASS bb=0B-15 : 0B=-5, 10=0, 15=+5
0 160 1FF F F 74 31 F1 90 vv 10 10 bb 10 10 0 0 0 3 0
 а для управления ей нужно передать
	Код:
	
BASS bb=B-15
1 190 440 F 5 0 25 74 93 bb
 Хочу найти машину с кнопками на руле и посмотреть, что в шину передается при регулировании громкости, тогда возможно и на моей голове можно будет регулировать громкость с ИК пульта на руле.
Еще у меня была мысль, что возможно управлять FM тюнером на голове. По крайней мере его можно активировать передав команду
	Код:
	
1 160 1FF 5 0 25 60 80
 Команды можно отсылать прям из терминала, программировать адаптер для этого не нужно.
Про порядок и задержки при инициализации вопрос открытый. Пока просто 5 раз пытается зарегистрироваться CD-чейджер промежутками в 0,3 сек. Как показала практика у него это не всегда удается. Скорее всего, потому как сразу после старта по шине достаточно много сообщений идет. Попробую сделать отдельную менюшку в драйвере, чтобы принудительно запускать регистрацию. Есть подозрение, что регистрироваться можно в любой момент времени. Если это так, то можно просто отложить регистрацию чейджера секунд на 5, когда в шине будет посвободнее. Все равно компьютер грузится дольше.
	 
	
	
	
		Re: AVCLan-mini или подключение к штатной голове Toyota
	
	
		
	Цитата:
	
		
		
			
				Сообщение от 
ak1976
				
			 
			1. и самое главное - не активирует RGB вход. Для активации я использую штатную навигацию. Я отключил от нее разъем с RGB (№5 по инструкции Chip'а), оставил только контакты Lan TX-, Lan TX+ (5 и 10 контакты по инструкции Chip'a). 
			
		
	 
 Объясните нубу(в схемотехнике не силен):
  1.Если ты оставил контакты Lan TX-, Lan TX+ (5 и 10 контакты по инструкции Chip'a), то откуда ты берешь данные с шины AVC LAN для своего мини-адаптера?
  2. И покажите слепому ключ для управления адаптером AZ-FM на схеме(или на готовой плате разъем)
Заранее Спасибо!:)