Re: Новый адаптер AVC-LAN
Я так и знал :-((
Какие отличия от старой версии?
Re: Новый адаптер AVC-LAN
Что знал?
Отличиий не много:
1-Меньше размер(в два раза)
2-Управляющий выход звука (+12в)
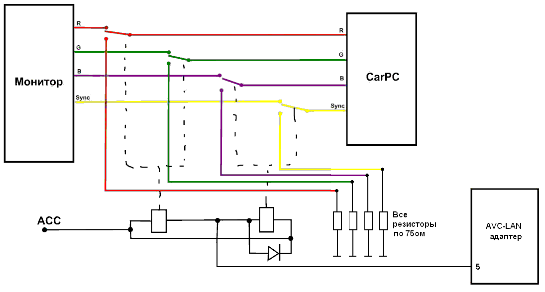
3-Наличие управляющего выхода(+12) для видеокоммутатора(блокировка изображения при загрузке) схема ниже
http://www.compcar.ru/forum/attachme...0&d=1251837050
Re: Новый адаптер AVC-LAN
Цитата:
Сообщение от
Chip
Сейчас готовится новая прошивка , будет исправлен баг активации звука
Так,так, а можно поподробнее....
Собираюсь в субботу ставить к чему готовиться? в чем проблемы?
Пожалуйста поподробнее.....
Re: Новый адаптер AVC-LAN
Проблема активации звука на некоторых моделях авто. Это все правится прошивкой, для прошивки достаточно запустить программку прошивки и подождать пока прошьется 10 сек. и все.
Re: Новый адаптер AVC-LAN
А на каких "некоторых моделях"?
и когда будет новая прошивка?
Re: Новый адаптер AVC-LAN
Homeword обещал в течении 5-7 дней
Re: Новый адаптер AVC-LAN
Цитата:
Сообщение от
Chip
Что знал?
Что через некоторое время будет новая версия и я буду ездить со старой...
Драйвера не взаимозаменяемы со старой версией?
Re: Новый адаптер AVC-LAN
Цитата:
Сообщение от
Georg7
А на каких "некоторых моделях"?
на Lexus ES300 2002г. - знаю точно:(,
временно решил проблему следующим образом:
1. записал пустой CD диск и воткнул его в штатную голову.
2. подал 12В на управление AZ-FM.
Re: Новый адаптер AVC-LAN
Драйвера подходят на обе версии адаптера.
За звук приносим извинения и надеемся разрешить эту проблему в ближайшее время