Парни как установить 7200 на PRIUS 2005????
у него нет кнопки НАВИ и нету родной навигации!!!!
Вид для печати
Парни как установить 7200 на PRIUS 2005????
у него нет кнопки НАВИ и нету родной навигации!!!!
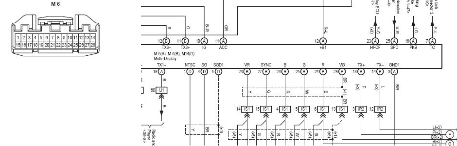
Подключайся к разъему M6.
Вложение 6367
Как - то так. Разьёмы как в компе от кнопок.
а включается в меню "INFO"
Да , а как еще?
судя по 1му посту, он не знает - как