пропадает кадровая синхронизация
мамка зотак 630, монитор тойотовский, 800*468 черезстрочная, vga->rgb синхросмесь через резисторы.
после некоторого времени работы, ну пол-час, час, наверное, после переключения на камеры парковщика, изображение с компутера бывает с "прокрученным" кадром, т.е. начинается не с верху, а с середины, ну а сверху, соответственно, нижняя часть.
родные видеосигналы, от курсовой камеры или от заднего хода -- показываются нормально
резисторной схемой пользуюсь, т.к. у меня с ней как-то лучше получается. пытался перейти снова на лп5, но че-та даже в кадр не попал :o
на изображении проматривается пустая полоса, кадровый импуль, только вот че его монитор не ловит?
чеб такого сделать? резисторы подобрать? а то че-та бывает сложно поймать кадр в нужном положении
Re: пропадает кадровая синхронизация
резисторы какие номиналы используешь?
Скриншот настроек выложи
Re: пропадает кадровая синхронизация
резисторы наверное по 150, как на твоей схеме подключения. скриншот так быстро не сделаю, холодно.
да, вот еще, вернуться к нормальной картинке можно пощелкав на полярность синхры, любой. или поставить какое-нибудь дрогое разрешение и вернуться к 800*468.
я собственно в соседней теме про кнопки в драйвере авц-лан и спрашиваю, мож их какнить удалось бы привязать к изменению режима
Re: пропадает кадровая синхронизация
Я тоже пробовал через ЛП5 не пошло, пустил все на прямую без резисторов срывы прекратились, монитор и мама такие же.
Вложений: 1
Re: пропадает кадровая синхронизация
вот скриншот. классический, можно сказать. играя горизонтальными настройками, меняется положение и размер кадра по горизонтали, т.е. все как положено. меняя параметры вертикальной развертки, если хоть на одну строку больше или меньше строк 525, кадр ползет. все параметры позволяют играть в некоторых пределах, главное, чтобы сумма строк оставалась 525. возвращаю 525 -- просто останавливается где попало. в таком положении играю полярностью синхронизации: изменение вертикальной по барабану, горизонтальную в "-" -- срыв, в "+" -- устанавливается стабильный кадр, (это для резисторной схемы, для лп5 -- срывается и там и там)почти всегда примерно так: внизу видны пара-тройка строк от верхней части кадра, далее выворот (переходим наверх), сверху идет бОльшая часть кадра, потом пустота, соответствует синхроимпульсу, видимо, после нее те самые 2-3 строки внизу. ни фотика ни телефона с собой не было.
такое ощущение, что кадрового импульса просто нет. осциллоскопа поглядеть -- тоже нет :mad:
ну надо сказать, сегодня начал заниматься монитором довольно поздно, после прогрева и т.д., как раз в состоянии, когда срывы и происходят. т.е. нормально пойманного изображения у меня толком не было, только так, случайно.
вся эта байда началась относительно недавно, месяц, может, назад, раньше не было. от штатных камер все ок. грешу на мамку.
попробую еще с подстроечными резисторами сделать.
а мож надо не на лп5, а че-нить на И или ИЛИ? как там устроена синхронизация? длинный кадровый импульс а потом сплошная последовательность кадровых? какая полярность?
Re: пропадает кадровая синхронизация
Для Зотаков частоту строк нужно ставить примерно 17050
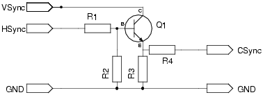
Смеситель попробуй вот такой
http://www.compcar.ru/forum/attachme...9&d=1259775743
Re: пропадает кадровая синхронизация
я б че-нить на логике бы соорудил. судя по схеме, там надо просто элемент И
т.е. на выходе должно быть \____/|||||||||\___/|||||| для смеси кадровых \___/ и строчных |||||||||||||||? уровень выходного сигнала, где-то упоминалось, около 1В? а vga-сигналы синхронизации -- ттл? раз уж лп5 работает?
частоту строк держит в довольно широком диапазоне, с этим проблем нет. на поциционирование по вертикали никак не влияет
а зотаки композит не поддерживают? наверное нет, раз уж я начал со смесителями возиться...
мож 8200 itx поддерживает?
Re: пропадает кадровая синхронизация
Цитата:
Сообщение от
uzzzer
частоту строк держит в довольно широком диапазоне, с этим проблем нет.
Как нет проблем? Ты же вроде написал что пропадает синхрони зация? Кадровая синхра формируется из трех строк , а также частота кадров жестко зависит от частоты строк
Re: пропадает кадровая синхронизация
проблемы с кадровой, со сторочной и не было никогда и сейчас считаю нет. работало же до недавнего времени, изменений никаких не было. и сейчас проявляется после часа наверное работы, ну может чуть меньше. насчет кадровый = 3 строкам. ну не знаю. телевидением толком никогда не занимался, но между низом и верхом, когда кадр перекручен, полоса чуть не в четверть экрана. может, эта чернота и не равняется кадровому импульсу, но думаю связана с ним все-таки. не дошел сегодня до альфарда, но как-нить сфотаю.
ну да черт с ним. я бы вернулся к смесителю. кадровые и строчные импульсы -- отрицательные? во время работы кадрового уровень =0? т.е. примерно как на моей картинке (выше)?
уровни выходов синхр с вга -- ттл? входной уровень на голове 1в?
судя по схеме на транзисторе, надо использовать элемент И, а не исключающее или. у меня как раз в закромах нашелся 1533ли1, редкий экземпляр
Re: пропадает кадровая синхронизация
вопчем, сделал схемку на ли1, элемент И, если кто не знает вдруг. отличий от лп 5 никаких, кроме того, что на выход вместо последовательно установленного поставил подстроечный резистор, между выходом лп5 и землей. так вот сам по себе ли1 ниче не дает, такой же заворот получается после прогрева. а вот выкрутив уровень на максимум, получил устойчивую картинку.
скорее всего у головы вход мало чуйствительный или низкоомный, что понятно: помех много, один из способов -- использовать токовые цепи.