Подключение контроллера arduino к бортсети и датчикам
	
	
		Возможно вопрос уже заезженный, но найти однозначного ответа мне на него не удалось. 
На данный момент собираю что-то вроде  диагностического/путевого компьютера на arduino. Собираюсь для начала снимать данные с разъема диагностики, ну а в дальнейшем уже развивать проект и обвешивать дополнительными датчиками/системами съема информации с машины. 
Сразу оговорюсь - я скорее программист нежели радиолюбитель, посему в первую очередь мне не совсем понятно как именно подключать carduino к автомобилю.
1. Питание. Как я понял вполне можно подключиться к нестабилизированным +12V и GND в любом удобном месте на котором напряжение появляется при вставленном ключе. Стабилизатор напряжения carduino должен их привести к требуемым 5 вольтам. 
1.1 Хватит ли мощности стабилизатора ардуино для питания знакогенерирующего LCD дисплея? 
1.2 А с подсветкой?
2. Подключение к разъему диагностики - автомобиль с которым буду работать - Тойота Корона 97 года. В наличии тойотовский протокол диагностики выдающий цифровой поток на уровнях 0-5 вольт. Нужно ли городить какую-то обвязку или можно провод напрямую на ногу ардуино можно кидать?
3. форсунки. Вроде на них штатно импульсы тоже по 5 вольт. но не уверен. опять таки вопрос как к ним подключаться?
4. тестирование скорее всего буду проводить не устанавливая ардуино в машину и питая от внешнего источника. вопрос - для подключения к разъему диагностики надо будет подключаться только одним проводом или землю тоже надо будет объединять?
5. что еще не надо делать чтобы ненароком не спалить зверушку?
	 
	
	
	
		Re: Подключение контроллера (arduino/carduino) к бортсети и датчикам
	
	
		1-можно
1,1-сколько он потребляет?
1,2-сколько он потребляет?
2-есть схема на оптроне
3-лучше через оптрон
4-и землю тоже нужно подключить
5-проверять сначала тестером все сигналы
	 
	
	
		Вложений: 1
	
	
		Re: Подключение контроллера (arduino/carduino) к бортсети и датчикам
	
	
		Спасибо за ответ. 
1.1(2) судя по даташиту дисплейчик Windstar WH2002A на свою работу потребляет 1.2mA максимум. А вот на подсветку 210 mA - типичное потребление и 420 mA - максимальное... 
2+3. почитал посмотрел. 
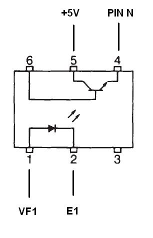
в итоге при подключении к блоку диагностики (в моем случае разъем DLC1) с оптроном 4N28 получится примерно такая схема:
http://www.compcar.ru/forum/attachme...1&d=1273502565
+5V - питание с ардуино
PIN N - пин на котором буду считывать
VF-1  - вывод разъема диагностики с которого идет поток
E1 - минус раъема диагностики. 
В таком виде насколько я понимаю землю ардуино уже не надо смешивать с землей машины (они развязанные получаются) и возможность что-то спалить уменьшается :-)
Насчет проверки тестером - это да. Оно разумеется. Я о более тонких материях мне не до конца понятных. Вроде токоограничивающих резисторах (если я употребил правильный термин)
	 
	
	
	
		Re: Подключение контроллера (arduino/carduino) к бортсети и датчикам
	
	
		http://www.compcar.ru/forum/attachme...9&d=1256506971
Подтягивающий резистор на RX можно выкинуть и подключить внутренний в Ардуино
	 
	
	
		Вложений: 1
	
	
		Re: Подключение контроллера (arduino/carduino) к бортсети и датчикам
	
	
		Диагностика у меня к сожалению не на K-Line посему схема немного не подходит. У меня там именно старый тойотовский однонаправленный OBD-1 с напряжениями 0-5В. 
Сейчас попытался смоделировать все это в Протеусе (я там отлаживал разбор протокола). Вышло что в моей первой схеме там просто напросто горит оптрон (или еще чего с ним происходит) - 15-20 милисекунд нормальный сигнал, а потом на  осцилографе идет пилообразная гребенка вместо нормальных TTL уровней.
Потом немного модифицировал твою схему. оно как оказалось инвертирует уровни на выходе.
В итоге "по мотивам собрал еще одну схему. Уровни вроде остаются те же. 
Фактически схема таже только немного инвертированная. Подтягивающий резистор подтягивает к земле, а резистор на входе оптрона заменен на 1кОм поскольку 5кОмный на +5В просаживал сигнал практически до нуля. 
И теперь самый волнующий меня момент - можно ли так делать или все-таки лучше переписывать софт чтобы работал с инвертированными уровнями и использовать твою схему но без TX части?
	 
	
	
	
		Re: Подключение контроллера (arduino/carduino) к бортсети и датчикам
	
	
		Хм. только что заметил. VF1 и GND в правой части перепутаны...
	 
	
	
	
		Re: Подключение контроллера (arduino/carduino) к бортсети и датчикам
	
	
		В твоем случаи получается повторитель, его тоже можно использовать, но на оптронах  я не пробовал
	 
	
	
	
		Re: Подключение контроллера (arduino/carduino) к бортсети и датчикам
	
	
		Извените может не в тему,Меня интерисует как вытянуть с OBD2  реальный расход топлива и подтянуть к ардуино? Моё предположение надо с помощью ардуино делать опрос по адресам
	 
	
	
	
		Re: Подключение контроллера (arduino/carduino) к бортсети и датчикам
	
	
		читаем ОБД2 с помощью ардуино от Чипа
Описание PID'ов протокола OBD2
собственно как все это считать
только нужно учитывать что 
1. там считают MPG (миль с галлона) соответственно формулу надо пересчитывать. 
2. данные по обд2 приходят не так часто как хотелось бы для точного учета (как впрочем и у меня по т_обд1)
блин. помогите со схемкой :-)
PS: читальщик ОБД чипа я бы предложил переписать на библиотеку NewSoftSerial. она выглядит привлекательнее обычного SoftSerial'a. НО! Оно занимает прерывания по таймеру. Поэтому с библиотекой Mstimer2 (для выставления своих прерываний по таймеру) она скорее всего не совместима.
	 
	
	
		Вложений: 3
	
	
		Re: Подключение контроллера (arduino/carduino) к бортсети и датчикам
	
	
		Подключил к диагностике напрямую. Без развязок. Все-таки сигнал там идет 0-5В. Питание 12, но на ардуине преобразователь для того и стоит. Заработало.
А вот с остальными датчиками пока делаю. Но для начала надо бы корпус сделать. Думаю дисплей 24х2 взять и в 1DIN упихать.