Решил поставить трех позиционный выключатель для управления питания компьютера,и хочу спросит соединять нужно напрямую или через реле ,если не трудно нарисуйте пожалуйста схемку.Заранее благодарен.
Вид для печати
Решил поставить трех позиционный выключатель для управления питания компьютера,и хочу спросит соединять нужно напрямую или через реле ,если не трудно нарисуйте пожалуйста схемку.Заранее благодарен.
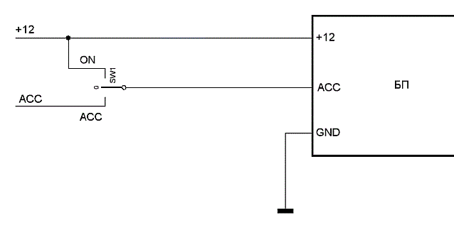
Как то так
Вложение 10362
Спасибо большое,значит реле не нужно ставить.
Не нужно
Я вот так сделал. Добавлено термореле для HDD
Устройство коммутации для carpc - снимается много вопросов