Слаботочный выход Remote (J6) на M2-ATX
Где-то на форуме встречал, но не смог найти - распространённая проблема с включением усилителя. Я повесил слаботочное реле (±30мА) на выход Remote моего M2-ATX. Но при срабатывании напряжение проседает сильно и реле срабатывает через раз.
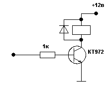
Какая будет схема (насколько я помню там был транзистор и резистор) - чтобы на выходе получить стабильные 12В для управления релюхой? Усь самопальный, из мастеркитовских - временно, пока не найду Challenger TA5.1 или аналог.
Re: Слаботочный выход Remote (J6) на M2-ATX