Какая версия прошивки и версия программы?
Вид для печати
Какая версия прошивки и версия программы?
Версия прошивки какая? И версия программы какая ?
Выложил инсталятор V4.03 в шапку
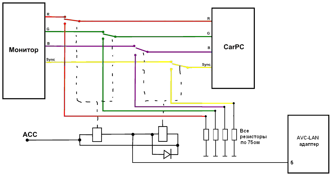
В новой версии адаптера появился выход № 3 (блокиратор RGBs), насколько я понял для того, чтобы экран штатного монитора оставался черным во время процесса загрузки винды и включался только после загрузки программы AVC USB Interface. Объясните пожалуйста, как это реализуется, лучше конечно в виде наглядной схемы.
Вот по этой схеме:
Вложение 5560
решил заняться машиной, доделать карпц -- у меня один из первыз AVC-NEW, ну и драйвера были установлены из той же оперы. выкачал последние BootV3.04.exe и SetupV4.03.exe, все поставил -- и ничего. точнее даже хуже стало -- при выборе разного рода ченжеров (cd ch, cd ch1, md ch) у головы (тойота 16061) вообще срывает крышу, жутко тормозит, изображении вообще не сразу вывелось, даже со штатной камеры ни изображение не выводилось, ни линии разметки. черный экран и никакой реакции на кнопки.
потом поковырывшись, нашел, что при выборе CD или MD -- т.е. реально имеющихся в голове устройств -- все работает как и раньше: экран, тач, звук от карпц отсутствует, AM/FM работают, никаких задержек, также выводятся сообщения об отсутсвии дисков в CD/MD и ошибка TV -- он у меня снят. видимо, это связано с тем, что голова игнорирует попытки адатера встать на места этих устройств.
при попытках использовать вышеупомянутые ченжеры все-таки бывает и изображение и переключение на штатное радио и даже ошибки CD/MD/TV. но все это работает с какими-то непонятными задержками, зависимость определить не смог, от 10 сек до минуты, бывало, что и ждать просто надоедало. тач в таких режимах не работает, в т.ч. и на долгих нажатиях (типа ждал, что может все таки сработает). значок интерфейса периодически помаргивает во время этих тормозов.
в режиме MD CH один раз удалось переключиться на него, некоторое время голова на верху экрана показывала это сообщение, как и для других режимов.
тем не менее в списке устройств никто из cd ch, cd ch1, md ch не появился. там у меня EMV, NAVI, CAMERA-C и TV (TV в состоянии NCON, с тех пор ка выдернул, аккумулятор не сбрасывал)
голову и адаптер после новых установок перегружал выключением АСС на несколько секунд
че делать????????????? че-та я уже хочу звук
чот мне кажется у тебя шина +/- перепутаны