Re: Объединенный проект для Carduino (Arduino) All-In-One.
Цитата:
Первый. Если бы эти задачи стояли перед Вами, то какую именно модель контроллера Вы бы предпочли?
Второй. Скорее всего, если я правильно понимаю, сигнал с рулевых кнопок передается на головное устройство по can-шине. Возможно ли решение п.2, каким либо способом?
Спасибо.
Думаю что для Вашего проекта подойдет Arduino Mega
По 2-му пункту решаемо, но все зависит от Вашего уровня знаний
Re: Объединенный проект для Carduino (Arduino) All-In-One.
Chip,еще раз спасибо за ответ.
Цитата:
Сообщение от
Chip
Думаю что для Вашего проекта подойдет
Arduino Mega
По 2-му пункту решаемо, но все зависит от Вашего уровня знаний
электросхемы и паяльник на 4, программирование 0.
Re: Объединенный проект для Carduino (Arduino) All-In-One.
Тут как раз нужно программирование.
Re: Объединенный проект для Carduino (Arduino) All-In-One.
Цитата:
Сообщение от
Chip
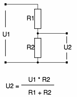
Из данной схемы интересен Вольтметр, если я заменю резистор 5,1 на 4,7 - это будет критично?
Re: Объединенный проект для Carduino (Arduino) All-In-One.
Re: Объединенный проект для Carduino (Arduino) All-In-One.
Цитата:
Сообщение от
Chip
Честно говоря кроме цифр мне эта формула ничего не дала.
Разница в U2 при 4,7к и 5,1 получается в 0,05v .
Что такое U2 ? Это входное максимальное или что?
Re: Объединенный проект для Carduino (Arduino) All-In-One.
U1-Максимальное входное напряжение
U2-максимальное выходное напряжение, в нашем случаи U2=4,5в
Re: Объединенный проект для Carduino (Arduino) All-In-One.
Добрый день!
Подскажите пожалуста как полностью убрать регулировку яркости монитора?
У меня пчемуто яркость моника хаотично както себя ведет, то ярче , то тусклее сам становится...
Re: Объединенный проект для Carduino (Arduino) All-In-One.
Цитата:
Сообщение от
Chip
Не нужные функции можно закоментировать в главном цикле loop
подскажите как?
Re: Объединенный проект для Carduino (Arduino) All-In-One.