Схема рабочая, только распиновку по DS не проверял
Вид для печати
Собрал я драйвер на L298N. Проигрался.
Что то не очень понравился. По моему падает на нём много.
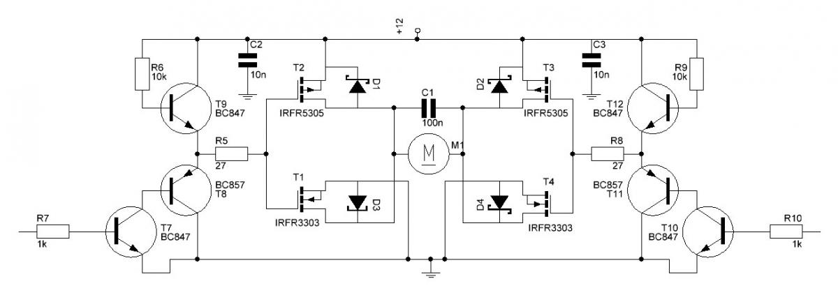
Решил собрать н-мост. Порылся в загашниках нашёл транзисторы.
Схему прилагаю. Я правильно понял теорию?
Вложение 17212
При использовании ШИМ полевики будут греться от сквозняков, так как фронты сигнала на затворах будут завалены
Для раскачки полевиков можно использовать следующую схему
Вложение 17213
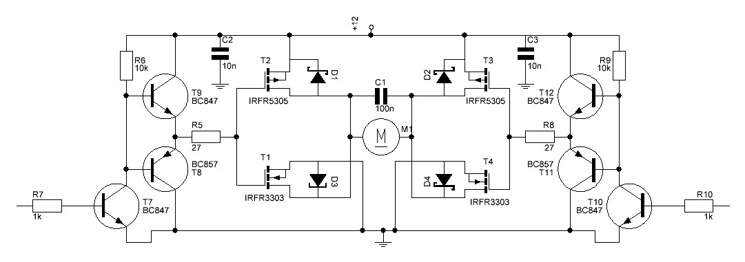
Вот так?
Вложение 17215
Да .
Спасибо!
Только диоды будут лишними, посмотри по DS на полевики, диоды в полевиках должны быть
Да есть. Это я для дастоверности нарисовал.
Ошибка на схеме. Базы транзисторов BC857 и BC947 должны быть соединены
Проглядел.
Вложение 17216