Ага, ошибся... Sony есть сейчас найду даташит!!!!
Вид для печати
Ага, ошибся... Sony есть сейчас найду даташит!!!!
нашел С RGB Понятно.... а которая синхра нужна??? И как лучше здесь на ножки паять или как вы говорить найти куда они уходят..... просто с моим знаним схем, сомневаюсь что найду, или есть возможность прозвонить????
Вложение 3575
Вложение 3576
Вложение 3578
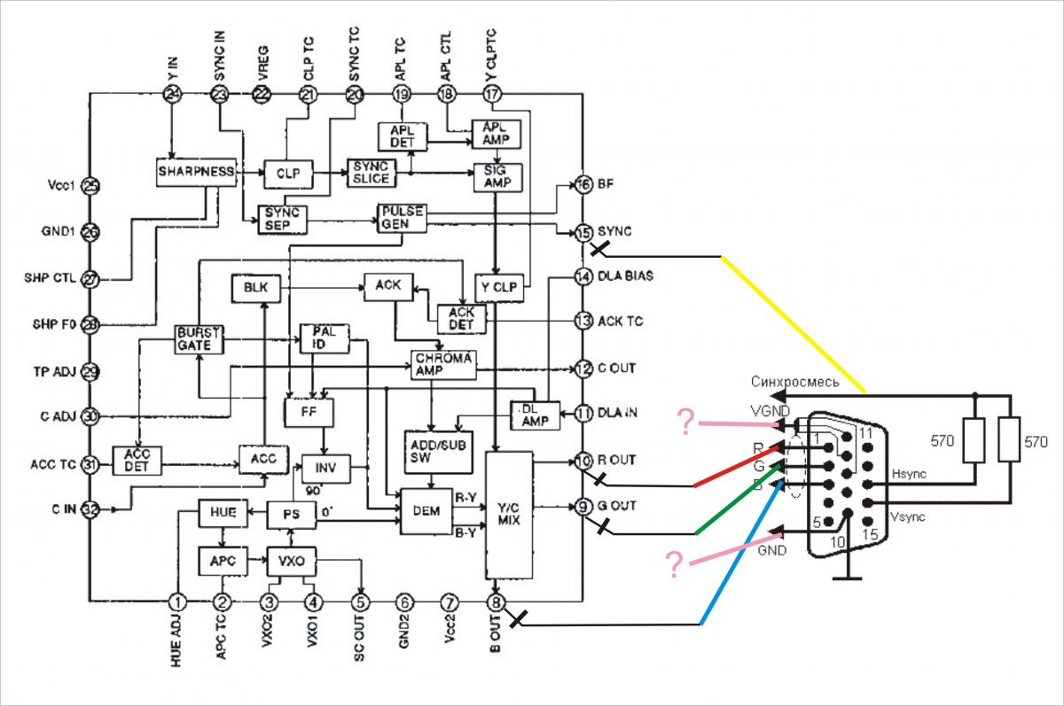
вот что смог отследить.... а вот куда дальше от этих черных штук????
ноги 8,9,10,15 нужно резать дорожки и ставить коммутатор или дальше отследи куда уходят сигналы
Чип, я отследил, на фото выше глянь пожалуйста!!! А какой именно комутатор делать??? Просто на форуме несколько вариантов! Чем они отличаются???
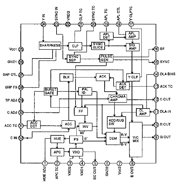
А про название чипов забыл?
2267
048
JRC
Разабрал свой дисплейчик
вот что там есть. Подскажите, если я куплю контроллер и припаяю его к эти 4 контактам, то должно работать???
Вложение 3580
Да только опять коммутатор нужно делать.
Вложение 3581
вот накидал, правильно??? И вопросик. Куда земли то паять?