VGND это помоему оплетка, а GND общий провод
Что за материнку планируешь использовать?
Вид для печати
VGND это помоему оплетка, а GND общий провод
Что за материнку планируешь использовать?
а куда в тюнере их припаять то????
ищи даташиты на те чорненькие штучки :)
конденсаторы до них или после стоят?
в общем тебе надо подавать сигнал ДО конденсаторов... на самом деле, надо экспериментировать.... от этого и качество изображение может зависеть, да и вообще многое..
А земли куда припаивать???? Я думаю лучше начать от соньковской микросхемы!!!от неё эксререментировать!!!правильно??? И как же мне смешивать синхру???
земли на землю... самая большая дорожка на тюнере, соединена с болтами.
синхру мешать - как все
Вложение 3591
Я правильно понял дА???
Посто у меня для тестов бук Intel, не подойдет???
Вложение 3594
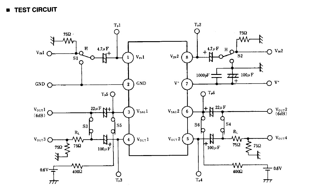
Ребята, нашел даташит на эти микрухи (помечены красными точками)
Вложение 3593
Вот теперь вопрос куда лучше паяться???
до них, после них, илм резать прям у соньковской микры???
А внутреняя архитектура микрухи есть, вроде на коммутатор похоже
Вложение 3606
вот это???
Ну вот и почти логическое завершение, 75 ом это на выходе а дальше должен быть разьем