Вложений: 2
Re: Подключение Штатного монитора на любом автомобиле.
Подскажите, пожалуйста, в чем причина. Штатный монитор Toyota LC100 c материнкой ZOTAC nForce 610i-ITX работало все нормально, но стали вылетать цвета, сначала зеленый, потом остальные. Есть еще одна материнка ASUS AT3IONT-I DELUXE, с родным видео настроить не смог, поставил внешнюю видеокарту ASUS EAH5450 вроде изображение есть, но по вертикали изображение растянуто примерно в два раза. На фото настройки изображение с ноутбука, подключенного через Radmin и на штатном мониторе.Вложение 15828Вложение 15829
Re: Подключение Штатного монитора на любом автомобиле.
Цитата:
Сообщение от
vadimvk
Toyota LC100 c материнкой ZOTAC nForce 610i-ITX работало все нормально, но стали вылетать цвета, сначала зеленый, потом остальные
Померяйте напряжение по цветам, и резисторы на землю в схеме есть?
Цитата:
Сообщение от
vadimvk
Есть еще одна материнка ASUS AT3IONT-I DELUXE, с родным видео настроить не смог, поставил внешнюю видеокарту ASUS EAH5450 вроде изображение есть, но по вертикали изображение растянуто примерно в два раза. На фото настройки изображение с ноутбука, подключенного через Radmin и на штатном мониторе.
Скриншот Radmin'ом сделайте и покажите.
Re: Подключение Штатного монитора на любом автомобиле.
Chip у меня талкои вопрос монитор от HP Pavilion DV7-1105em без ничиво (мать. плата ) подключить к другому ноуту через VGA можна???
думал что через его шлейф присабачить переходник к VGA но хз как поять. подскажите если не труднаю
за ранее спосибо!!!
Re: Подключение Штатного монитора на любом автомобиле.
Re: Подключение Штатного монитора на любом автомобиле.
С респектом!!!
Вот такая просба за содействия,в краце :уже завершаю проект CarPC(на моей машине VOLVO) на базе штатного монитора VOLVO,разрешающая 400x234,PowerStrip 3.9 настраиваю на 800x468.
Лаптоп ITRONIX IX260 с видео ATI MOBILITY RADEON 9000(эсли хотите всглянут http://www.volvoclub-bg.com/forum/vi...e3480c339303cf ).Проблема в том что картина на мониторе один раз как положено а в другом не входит в синхронизацию.Думаю попробовать с емуляцию сигнала IC2,на базу вашего предложения (24C04 ).Может быть лаптоп не всегда правильно определяет монитор на выходе VGA.С просбой за содействия.
За ранее благодарен!
P.S.Простите за мой Русский,уж очень редко в последнее время приходится ползовать этого красивого языка.
Цитата:
Сообщение от
Chip
Re: Подключение Штатного монитора на любом автомобиле.
Цитата:
Сообщение от
dani
Вот такая просба за содействия,в краце :уже завершаю проект CarPC(на моей машине VOLVO) на базе штатного монитора VOLVO,разрешающая 400x234,PowerStrip 3.9 настраиваю на 800x468.
Лаптоп ITRONIX IX260 с видео ATI MOBILITY RADEON 9000(эсли хотите всглянут
http://www.volvoclub-bg.com/forum/vi...e3480c339303cf ).Проблема в том что картина на мониторе один раз как положено а в другом не входит в синхронизацию.Думаю попробовать с емуляцию сигнала IC2,на базу вашего предложения (24C04 ).Может быть лаптоп не всегда правильно определяет монитор на выходе VGA.
Если вы получили правильные параметры в PowerStrip, вы можете создать конфигурацию для Soft15kHz, а PowerStrip удалить, потому как Soft15kHz прописывая дополнительные видеорежимы в драйвер вашей видеокарты работает стабильнее чем PowerStrip. Схему I2C собирать не вижу смысла, во-первых потому что работало без нее просто на базе перемычек и резисторов по цветам, во-вторых вам придется по I2C правильный блок EDID передать чем-то, иначе зачем вам I2C.
Re: Подключение Штатного монитора на любом автомобиле.
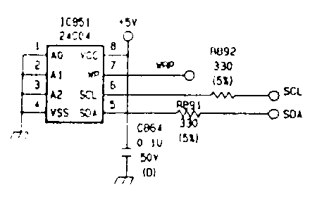
На схеме DDC, обычная EEPROM памят работающая по I2C
DDC модуль отправляет по шине I2C компьютеру информацию поддерживаемых монитором видео режимах
Теоретически если прошить свой видеорежим то ничего настраивать не придется
Я лет 5 назад хотел попробовать проверить, но так и не дошли руки
Re: Подключение Штатного монитора на любом автомобиле.
Цитата:
Сообщение от
Chip
На схеме DDC, обычная EEPROM памят работающая по I2C
DDC модуль отправляет по шине I2C компьютеру информацию поддерживаемых монитором видео режимах
Теоретически если прошить свой видеорежим то ничего настраивать не придется
Я лет 5 назад хотел попробовать проверить, но так и не дошли руки
Невнимательно смотрел в схему, каюсь. Но скажите, а есть ли смысл это делать? Если вы скажете радиону о поддержке дисплеем 800х468, неужели его драйвера этот видеорежим нарисуют? Я помню случаи на заре появления 18.5 мониторов с разрешением 1366х768, когда мониторы могли, а видеокарты - нет, так пользователи работали на промежуточных размытых режимах.
Re: Подключение Штатного монитора на любом автомобиле.
Передается не только разрешение, передаются также все параметры которые мы используем в PowerStrip
Цитата:
DDC (аббр. Display Data Channel) - стандарт на интерфейс, который обеспечивает связь между монитором и компьютером для обмена служебной информацией.
Создателем такого стандарта является ассоциация VESA (Video Electronics Standards).
Благодаря интерфейсу DCC компьютер определяет основные характеристики и возможные режимы работы монитора в автоматическом режиме и конфигурирует систему по принципу "plug and play".
Более полное название стандарта "VESA Display Data Channel Command Interface (DDC/CI)".
Первоначально DCC использовался для связи компьютера и монитора по аналоговому входу VGA. С течением времени наборы цифровых протоколов увеличивались и вслед за первой версией (DCC1) появились вторая и третья (DCC2 и DCC3). В 1999 году DDC был заменен на E-DDC.
Re: Подключение Штатного монитора на любом автомобиле.
Спасибо Братцы,будем боротся.
А,вот еще один вопросик,попалас у меня такая штука-Thin Client HP T5720 там интегрированое видео на SIS,PowerStrip для этих чипов не поддерживает Costom resolutions.Какая нибудь алтернатива?.Кто нибудь работал с таким клентом?