Re: Питание ноутбуков, неотопов, нетбуков в автомобиле
	
	
		
	Цитата:
	
		
		
			
				Сообщение от 
bma83
				 
			Короче проблема с включением найдена, погорела оптопара, только вот почему вообще не понятно и найти такую что то с ходу не могу Z84D(даже даташита не нашел).
			
		
	 
 У меня вроде всё в порядке, ничего не горело. Сразу не включался:(
Пробовал ещё в скриптовом режиме настраивать- ну нет в нём задержки для выключения по исгналу с АСС. эта функция только в режиме AUTOMOTIVE присутствует, но там нету задержки нажатия power. Или я не досмотрел что!? Chip- помогайте пожалуйста
	 
	
	
		Вложений: 1
	
	
		Re: Питание ноутбуков, неотопов, нетбуков в автомобиле
	
	
		
	Цитата:
	
		
		
			
				Сообщение от 
lexuses
				 
			У меня вроде всё в порядке, ничего не горело. Сразу не включался:(
Пробовал ещё в скриптовом режиме настраивать- ну нет в нём задержки для выключения по исгналу с АСС. эта функция только в режиме AUTOMOTIVE присутствует, но там нету задержки нажатия power. Или я не досмотрел что!? Chip- помогайте пожалуйста
			
		
	 
 Ага я тоже пламени не видел, так(см. вложение) выставлять не пробовали?
	 
	
	
	
		Re: Питание ноутбуков, неотопов, нетбуков в автомобиле
	
	
		
	Цитата:
	
		
		
			
				Сообщение от 
bma83
				 
			Ага я тоже пламени не видел, так(см. вложение) выставлять не пробовали?
			
		
	 
 Именно так и стоит.Но на результат не влияет.
	 
	
	
	
		Re: Питание ноутбуков, неотопов, нетбуков в автомобиле
	
	
		
	Цитата:
	
		
		
			
				Сообщение от 
ssuprune
				 
			Именно так и стоит.Но на результат не влияет.
			
		
	 
 Дак смысл так ставить доп.джамперы? Если нет доступа к прошивке блока, то смысл имеет. А так всё можно прописать в проге для блока питания...
У меня вообще один ждампер всего стоит на седьмых контактах для активации режима auto и всё. Или может быть разница, если выставить режим вольтажа другой?
	 
	
	
	
		Re: Питание ноутбуков, неотопов, нетбуков в автомобиле
	
	
		
	Цитата:
	
		
		
			
				Сообщение от 
lexuses
				 
			Дак смысл так ставить доп.джамперы? Если нет доступа к прошивке блока, то смысл имеет. А так всё можно прописать в проге для блока питания...
У меня вообще один ждампер всего стоит на седьмых контактах для активации режима auto и всё. Или может быть разница, если выставить режим вольтажа другой?
			
		
	 
 я пробовал и с джамперами и без, но логику не понял
	 
	
	
	
		Re: Питание ноутбуков, неотопов, нетбуков в автомобиле
	
	
		
	Цитата:
	
		
		
			
				Сообщение от 
ssuprune
				 
			я пробовал и с джамперами и без, но логику не понял
			
		
	 
 Ну значит разницы не должно быть по идее... в проге выставляешь: вольтаж0=9.5в. или вольтаж 7(или какой там на 24вольта изначально) и меняешь в настройках на те же 9.5вольта. (9.5 это для 701ежа в разъём зарядки)
	 
	
	
	
		Re: Питание ноутбуков, неотопов, нетбуков в автомобиле
	
	
		Сейчас оптопару впаяли точно такую же, комп включается но тут же выключается, почему то не размыкается кнопка. Может тут уже электронщики помогут?
	 
	
	
	
		Re: Питание ноутбуков, неотопов, нетбуков в автомобиле
	
	
		
	Цитата:
	
		
		
			
				Сообщение от 
bma83
				 
			Сейчас оптопару впаяли точно такую же, комп включается но тут же выключается, почему то не размыкается кнопка. Может тут уже электронщики помогут?
			
		
	 
 А я подспалил немного свой блок:( всё работает кроме нажатия на power. +12 попало на один из выходов на контакты power... щас узнаю- может в ремонте компов сделать мне смогут. У меня после этого один раз контакты из блока на power постоянно пищали на тестере на прозвон пробоя. А все остальные разы когда пробовал так же тестером на пробой проверить показывают цифру какую то 305 и всё. когда блок посылает импульс на нажатие power то цифры меняются, но не пищит как раньше было(до попадания +12)
Chip сказал- у меня мог оптрон умереть...
доигрался, блин...:( всё пытался перенастраивая блок питания добиться чтоб комп заводился сам а не в ручную
	 
	
	
	
		Re: Питание ноутбуков, неотопов, нетбуков в автомобиле
	
	
		аналогичная ситуация, хоть блин просто кнопку делай для включения.
	 
	
	
	
		Re: Питание ноутбуков, неотопов, нетбуков в автомобиле
	
	
		
	Цитата:
	
		
		
			
				Сообщение от 
bma83
				 
			аналогичная ситуация, хоть блин просто кнопку делай для включения.
			
		
	 
 у меня при установке у электриков я попросил такую кнопульку сделать- уже стоит. надеюсь получится отремонтировать блок и поставить к нему ещё схемку с генерацией нажима кнопки с задержкой когда появляется питание от блока питания на комп 9.5 v.
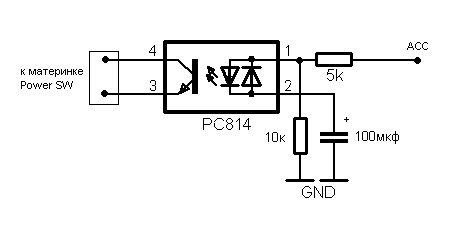
Схемку простую нашёл, но она без задержки:(
http://www.compcar.ru/forum/attachme...1&d=1210859350
правда я так понял что она на вкл/выкл. но когда блок сам потушит комп(если починю) и снимет напругу то отрабатывая выкл эта схемка сработает впустую- комп. без напруги же уже будет. пока идея вот такая. надо у chip'a ещё спросить про эту схемку,чтоб задержку добавить