Тут гадать можно до бесконечности....нужно пробовать блок питания стартануть на другой матери.
Вид для печати
Тоже стал глючить блок питания. В машине при отключении АСС комп выключается сразу и идёт на перезагрузку, при этом включается нормально, как положено с задержкой. Снимаю и подключаю дома от аккумулятора, работает нормально на включение и выключение. Где копать, не пойму.
Какое сечение проводов?
Подключен к аккумулятору на прямую?
Всем добрый вечер. В темке не нашел один ответ на свой вопрос. Какой ток на Remote?
Всем привет!
Помогите решить один вопрос, поиском искал - не нашел.
Имеется усь мастеркит BM2043, M2-ITX, мать Asus P8H67 и тд
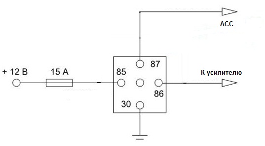
Комп планируется подключать напрямую от аккума через предохранитель на M2-ITX, ACC от ключа. Возможно ли подключить к этому БП мастеркитовский усилитель? Если нет, то его надо подключать напрямую от аккума. Будет ли усь при подключении напрямую "кушать" энергию аккума, и если будет, что можно сделать, чтобы не кушал?
Не пинайте сильно, если уже обсуждалось.
Спасибо!!!
Реле автомобильное
Вложение 14235
Вложение 14236