Re: Видеокарта для Arduino(CarduinoVideioCard).
Пожалуйста, подскажите вариант OSD на базе Arduino с возможностью вывода не только символов и псевдографики на их основе, но и графики (хочется выводить фрагмент карты поверх картинки с камеры). Если была бы возможность вывода не монохромного, а grayscale изображения - совсем отлично. Есть ли варианты, позволяющие выводить цветной оверлей?
Re: Видеокарта для Arduino(CarduinoVideioCard).
С данной микросхемой нет такой возможности
Вложений: 3
Re: Видеокарта для Arduino(CarduinoVideioCard).
ребят сильно не пинайте и извените что немного не потеме.Растолкуйте как работать с MAX7456
На gps телеметрии вышла из стороя эта микросхемка,а точнее входной видео сигнал не не поступает на видео выход вместо видео черный экран с данными телеметрии.Купил новую впаял.И теперь вместо положенных букв и цифр какието иероглифы но зато видео сигнал проходит.Как поправить это дело? Возможно ли слить данные со старой микрухи и влить в новую и как это сделать?
Re: Видеокарта для Arduino(CarduinoVideioCard).
Re: Видеокарта для Arduino(CarduinoVideioCard).
Пока все ясно ардуинка есть небольшие навыки работы с ней имеюся.Остался вопрос в качесвет терминала подойдет PuTTY и пока непонятно каким образом рисовать шрифты для заливки в MAX
И всетаки, возможно прочитать из одной микрухи шрифты и залить в новую?
Re: Видеокарта для Arduino(CarduinoVideioCard).
Для WinXP
Цитата:
HyperTerminal (Гипертерминал) — терминальная программа, включенная в виде упрощенной версии в состав поставки ОС Windows 95, 98, ME, XP. При помощи данной программы осуществлялся доступ к другим компьютерам через модем, нуль-модемный кабель (последовательный порт) или с использованием протокола telnet. Изначально разработана компанией Hilgraeve для ОС Windows и OS/2
Поддерживает передачу файлов по протоколам Kermit, XMODEM, YMODEM/YMODEM-G, ZMODEM. Эмулирует терминалы VT/???
Часто использовалась для доступа к BBS, для настройки и диагностики работы модемов, для передачи файлов между компьютерами (в том числе наладонными) через последовательный порт. Также может использоваться для работы с оборудованием, предоставляющим порт, совместимый со стандартом RS-232, например управляемые свитчи и роутеры.
В операционных системах Windows 95, 98, 2000, XP по умолчанию программа HyperTerminal находится по цепочке: Пуск\ Все программы\ Стандартные\ Связь\.
Физически на диске модуль программы расположен "C:\Program Files\Windows NT\hypertrm.exe"
Для Win7
Re: Видеокарта для Arduino(CarduinoVideioCard).
Цитата:
Сообщение от
Kedrikov
непонятно каким образом рисовать шрифты для заливки в MAX
Шрифты рисуются в любом графическом редакторе
Цитата:
И всетаки, возможно прочитать из одной микрухи шрифты и залить в новую?
Как прочитать я пока не знаю.
Re: Видеокарта для Arduino(CarduinoVideioCard).
Цитата:
Сообщение от
Chip
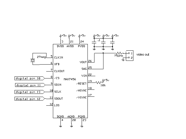
Это схема подключения для платы NANO я так понял.А вот если я юзаю плату на проце MEGA2560 то какие юзать пины на микросхеме. Платкак у меня такая http://www.rcgroups.com/forums/showthread.php?t=1381577
Re: Видеокарта для Arduino(CarduinoVideioCard).
Пины PB0,PB1,PB2,PB3 они же в формате ардуино будут D53,D52,D51,D50
Вложений: 1
Re: Видеокарта для Arduino(CarduinoVideioCard).
Цитата:
Сообщение от
Chip
Пины PB0,PB1,PB2,PB3 они же в формате ардуино будут D53,D52,D51,D50
Спасибо!! Вы мне очень помогли.На днях будем пробывать прошивать макса.
Вот только не могу понять .... Если я нарисую шрифты в какомто определенном порядке ,скажем так от балды как они будут выводится на экран.На картинке ниже, то как они должны распологаться ,понятно какой символ что отображает.Если я правильно понял символы должны быть расположенны в какомто определенном порядке для макса чтобы проц (в моем случае STM32F) брал определенный символ и ставил его в определенное место.Как узнать какой символ куда воткнуть при рисовании шрифта мне непонятно :(:confused: