Даже незнаю что предложить
Если только перекодировать строку по символьно
например строка "0 А Б В Г Д"
выглядит в шеснацетричке вот так
30 20 D0 90 20 D0 91 20 D0 92 20 D0 93
20 D0 94
Один русский символ имеет размер 2 байта
Вид для печати
Даже незнаю что предложить
Если только перекодировать строку по символьно
например строка "0 А Б В Г Д"
выглядит в шеснацетричке вот так
30 20 D0 90 20 D0 91 20 D0 92 20 D0 93
20 D0 94
Один русский символ имеет размер 2 байта
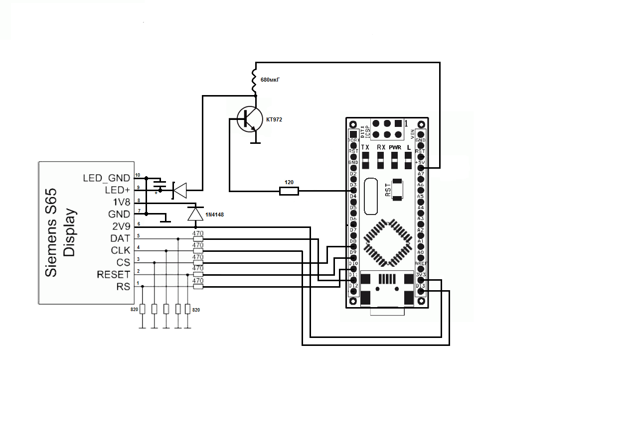
Подключи вот так
http://www.compcar.ru/forum/attachme...8&d=1296310665
Извините но я не электронщик, хотя схему собрат могу.
1)Уточните конденсатор на схеме полярный? И какого номинала?
2)марку не подписанного диода тоже пож. укажите
3) В параметрах дросселя продавцы указывают два значения: Номинальная индуктивность и индуктивность балансная. Мне по какой ориентироваться?
1-10мкфх16в
2-MBR0530
3-по той что на дросселе написана, хотя тут еще его внутреннее сопротивление важно, я использовал первый попавшийся под руку от какого то преобразователя
Ну так нужно в скетче подправить входы и выходы контроллера под Ваше подключение
Нужно в setup добавить 3 строчки кода
Можно регулировать яркость подсветки при помощи analogWrite(3,яркость);Цитата:
pinMode(3,OUTPUT);
TCCR2B = TCCR2B & 0b11111000 | 1;
analogWrite(3,137); //включить подсветку
я правильно привязал вашу схему по отношению к стандартной библиотеке?
исх. библиотека ваша схема
D4 - D10
A3 - D9
А2 - D8
D13 - D13
D11 - D11
D3 - D3