Re: Адаптер подключения CarPC к K-Line.
Мася.. воття прет :)
сходи выпий кофи :)
Re: Адаптер подключения CarPC к K-Line.
А кто нибуть смог подключить с Nissan Almera N16 2005 г.в.:confused: Сборка Англия.
Re: Адаптер подключения CarPC к K-Line.
Тем кто живет в Москве, можете подъехать ко мне проверим.
Re: Адаптер подключения CarPC к K-Line.
Re: Адаптер подключения CarPC к K-Line.
Пока мучал свой адаптер К-лайн, успел накопать на просторах Тырнета пару десятков бесплатных и не очень:) прог для диагностики разных марок машин.
Если Пиплам интересно и Чип не против можно здесь развить тему, аналогичную теме про навигацию... (я ярый противник коммерции)
Re: Адаптер подключения CarPC к K-Line.
Давайте обсуждать, выкладывать я всегда за.
Re: Адаптер подключения CarPC к K-Line.
Re: Самая простая схема на 2-х транзисторах
Цитата:
Сообщение от Chip
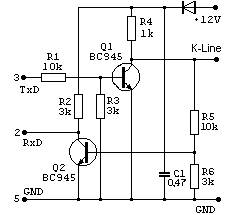
Одну из самых простых, но при этом отлично работающую схемку на двух транзисторах Вы видите на рисунке. Диод, защищающий схему адаптера от переполюсовки должен быть с минимальным падением напряжения, например, диод Шоттки. В некоторых случаях полезно подобрать номинал резистора R4 в пределах 510 Ом - 1 КОм, замеряя ток между K-Line и общим проводом в пределах 15-20 mA. Основная проблема адаптеров такого типа - транзистор передающий сигнал от К-линии на компьютер (Q1 на приведенной схеме) медленно закрывается, что вызывает необходимость подбора резисторов для предотвращения перенасыщения транзистора. В противном случае фронт сигнала сильно запаздывает, что приводит к отсутствию связи.
Несколько таких адаптеров успешно работают, диагностируя все системы - от Микаса до Bosch MP7 и со всеми программами - загрузчиками блоков Январь 5.1.X. Иногда, при неустойчивой работе с протоколом ALDL, в котором пятивольтные уровни сигнала достаточно убрать резистор питания K-Line (в данном случае R4). Транзисторы, использующиеся в схеме - любые маломощные кремниевые, структуры n-p-n, например, КТ3102. Желательно подобрать транзисторы с максимальным значением коэффициента усиления по току.
Как проверить адаптер не подключая к автомобилю? Очень просто. Дело в том, что поскольку линия после адаптера однопроводная, можно послать в порт сигнал и тут же его прочитать (режим "эхо"). Для этого необходимо подключить адаптер к компьютеру и воспользоваться древней программой диагностики компьютеров - Check It 3.0. Включаем режим диагностики COM и наблюдаем в окнах прием - передачу символов. Если все проходит нормально, это косвенно говорит о том, что схема работает, для полной уверенности необходимо осциллографом проконтролировать сигналы RxD, TxD и K-Line. Размах сигналов на разъеме СОМ - порта должен быть от +12V до 0V (в идеале, реально чуть поменьше. По стандарту необходим размах от +12 до -12V), а на линии K-Line от +12V до нуля. Проверку адаптера осуществляет так же программа диагностики ICD.
http://compcar.ru/forum/attachment.p...1&d=1201825036
Езжу год с этой схемой, все работает, добавил светодиоды на шины данных, для отображения информации.
Re: Адаптер подключения PcCar к K-Line.
Такая хрень не заработала, как ни крутил.
Re: Адаптер подключения CarPC к K-Line.
Спаял такую схему:
http://chiptuner.ru/image/vsmkline.jpg
На машине еще не проверял. При проверке уровней сигналов оказалось что высокий уровень на K-line соответсвует 7 В, низкий 0,5 В, такое чувство что транзистор до конца не закрывается. Перепаивал два раза его, базу подтягивал к нулю, ничего не получается, нет 12 В. Пробовал резать связь эмитера с К-line, на k-line 12В. В общем чёто с этим транзистором не то, возможно номинал резистора не правильно подобран. У меня такой вопрос: какие уровни сигналов на K-line соответствуют 0 и 1? Будет ли работать с 7 В ?