Re: Универсальная панель приборов VENATOR
У меня так же установлен резистор 1кОм. Откатаю до нуля и буду пробовать увеличить сопротивление. Про емкость можно подробней, какой ставить, электролит или керамику и какого номинала?? И по какой схеме?
Чтоб калибровать от полного бака нужно знать точный расход, да и величина эта не постоянная, зависящая от многих факторов. По такой методике как раз таки вычисляют средний расход, а не объем.ИМХО.
Re: Универсальная панель приборов VENATOR
Цитата:
Сообщение от
mitroxa
Чтоб калибровать от полного бака нужно знать точный расход, да и величина эта не постоянная, зависящая от многих факторов. По такой методике как раз таки вычисляют средний расход, а не объем.ИМХО.
точный расход будет в количестве емкостей, например 5л, вытекшей с подачи топливной магистрали из под капота!
но такой метод как говорили ранее: сложнее... и годится для некоторых видов баков...
Re: Универсальная панель приборов VENATOR
Цитата:
Сообщение от
Vlad-bodryi
точный расход будет в количестве емкостей, например 5л, вытекшей с подачи топливной магистрали из под капота!
В принципе можно и так. К окончанию калибровки весь бензином уделаешься ))))))))
Re: Универсальная панель приборов VENATOR
Цитата:
Сообщение от
mitroxa
В принципе можно и так. К окончанию калибровки весь бензином уделаешься ))))))))
При этом нужно еще каждый раз после слива очередных 5-и литров подключать топливный шланг на место и запускать мотор для ввода очередных показаний.
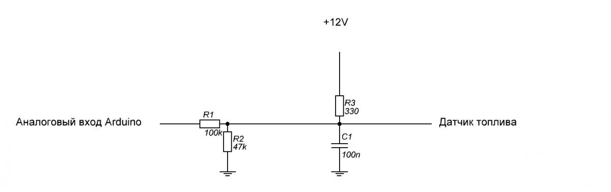
to mitroxa Раскопал сейчас самый первый блок венатора с такумы, там на топливе стоит резистор 330 Ом 0,5Вт
Re: Универсальная панель приборов VENATOR
Цитата:
Сообщение от
Venator
Раскопал сейчас самый первый блок венатора с такумы, там на топливе стоит резистор 330 Ом 0,5Вт
Такая мощность резистора это случайность или вынужденная мера?
Вложений: 1
Re: Универсальная панель приборов VENATOR
Цитата:
Сообщение от
mitroxa
У меня так же установлен резистор 1кОм. Откатаю до нуля и буду пробовать увеличить сопротивление. Про емкость можно подробней, какой ставить, электролит или керамику и какого номинала?? И по какой схеме?
На такуме подключено именно так
Вложение 17746
Цитата:
Сообщение от
mitroxa
Такая мощность резистора это случайность или вынужденная мера?
Вынужденная
Re: Универсальная панель приборов VENATOR
Re: Универсальная панель приборов VENATOR
Цитата:
Сообщение от
Venator
Вынужденная
Так вроде бы цепь слаботочная!?
Re: Универсальная панель приборов VENATOR
Цитата:
Сообщение от
mitroxa
Так вроде бы цепь слаботочная!?
Погорячился я с выводом. Сегодня подключил 500 Ом 0.25Вт - греется, и довольно значительно. Для датчика такая нагрузка не критичная?
Re: Универсальная панель приборов VENATOR
У меня топливный датчик от 0 до 100 Ом. Так что греется нормально