-
RC машика на aurdino
Всем сдрасте ! Есть такое желание собрать машику на радиоуправлении.
Так как я в написании программ полный ноль прошу мне с этим помочь.
Есть rf модули http://www.promelec.ru/pdf/AC-RX2_(short).pdf
http://www.promelec.ru/pdf/TX_4MSIL(short).pdf.
Есть самодельная ардуика на меге168. Вторую для пульта соберу на меге 8.
Есть серва. Драйвера пока нет. на днях забегу в магазин. Гляну, что есть из микросхем
на том и буду собирать. Шасси тоже хочу сделать сам.
-
Re: RC машика на aurdino
-
Re: RC машика на aurdino
Chip , спасибо за ссылку. но для меня это тёмный лес.
Я смотрел много примеров. Но собрать куски и слепить то что мне нужно
у меня не получается. поэтому и прошу помощи у знающих людей.
Сделать в железе для меня не проблема. А вот с прошивками как то не задалось.
не даётся оно мне.
Вот как мне это видится.
Пульт- два переменных резистора вперёд-назад , лево- право.
И штуки три кнопки на периферию.
Приёмник- серва, драйвер мотора, три выхода на ключи .
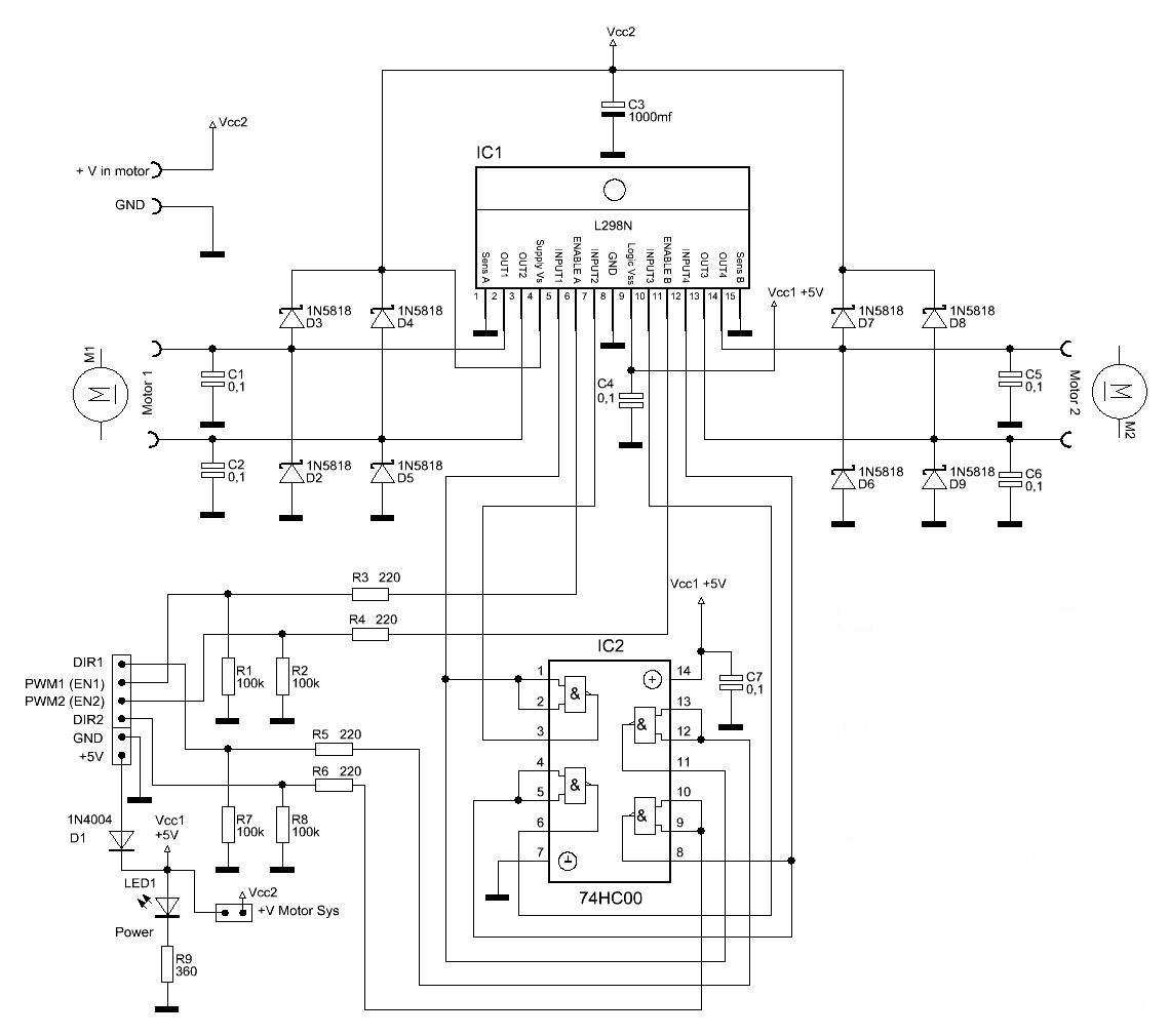
Драйвер скорее всего будет на L298N
Предложения и замечания принимаются!
-
Re: RC машика на aurdino
Вот нашёл интересную статейку http://robotics.reefat.com/2009/01/a...reless-joypad/
Почти то что нужно. Но как код допилить я не знаю.
-
Re: RC машика на aurdino
Код Вам никто не напишет, нужно изучать программирование.
Подправить, подсказать, найти ошибку Я всегда рад Вам помочь.
-
Re: RC машика на aurdino
Подскажите, есть пример работы с этими радиомодулями.
Чтобы с одной дуины передавать на другую что ни будь.
Хотя бы помигать светодиодом.
-
Вложений: 7
Re: RC машика на aurdino
Собираю драйвер. Такой вопрос. Это правильная схема?
Вложение 17112
-
Re: RC машика на aurdino
-
Re: RC машика на aurdino
Извеняюсь не обозначил. U1 L298N U2 SN74HC00.
-
Вложений: 2
Re: RC машика на aurdino
Вот нарисовал платку по этой схеме.
Вложение 17174
Посмотрите не накосячил случайно.