Выкладываю фото подключеного CarPC к штатной голове на Приус 20-ка , в комплектации данного авто небыло штатного навигатора и даже нет кнопки нави . Подключается на раз два три. Уже катаются таких 4 машины по Москве.
Вид для печати
Выкладываю фото подключеного CarPC к штатной голове на Приус 20-ка , в комплектации данного авто небыло штатного навигатора и даже нет кнопки нави . Подключается на раз два три. Уже катаются таких 4 машины по Москве.
Если не было кнопки нави, то как осуществляется активация RGBs (на что надо нажимать)?
Нажимаешь кнопку Info и там будет виртуальная кнопочка на экране она и активирует нави.
И часто любители Михаила Круга заказывают себе такие мониторы?
Монитор штатный комплектуется заводом.
А какие интересно мониторы у любителей Круга?
это намек про репертуар ГлассВорков :)
Чесно сказать когда делал имидж взял первый попавшийся МР3
Доброго времени суток!
Очень заинтересовала данная тема. Имеется такой же приус с четырьмя кнопками на мониторе, без нави и камеры заднего вида. Очень нужна информация по подключению (активации монитора).Какие девайсы для этого необходимо приобрести? Дорого ли обойдется удовольствие?
А вход РГБ уже был на мониторе или тоже колдовать пришлось?
Вход РГБ имеется, колдовать не надо. Его лишь нужно активировать адаптером. Активировать можно Ардуиной.
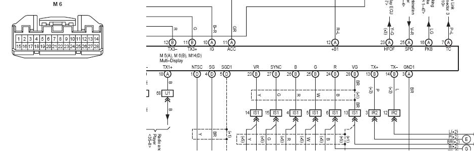
за что каждый из этих проводов отвечает , и если есть возможность то схемку бы хотелось увидеть что да как и как подключать этот адаптер ? заранее спасибо
Подключаются пины VG, R, G, B, Sync, TX+, TX-
http://www.compcar.ru/forum/attachme...7&d=1256917466
А можно ссылку где пишут как Ардуиной активировать?
А то сколько не читал, про Приус (20-ка европеец рестайлинговый), то приходил к тому, что надо только покупать GVIF адаптер, а он 16 тр стоит :eek:
Поэтому отказался от идеи подключать к штатнику что-то и решил поставить нормальный моник с тачскрином вместо магнитолы.
ЗЫ. У меня правда с навигатором, камерой заднего вида и автопарковкой, но без телека (телек вроде только у япошек?).
GVIF все равно понадобится
Не забуть что после того как ты выкинеш магнитолу надо полностью
переделывать свой звук : уселители + проводка.
Ну значит правильно, что не стал связываться. :cool:
Естественно. Заказал усилок на основе TDA7850. Еще ищу конвертор из DTS-оптика вЦитата:
Не забуть что после того как ты выкинеш магнитолу надо полностью
переделывать свой звук : уселители + проводка.
квадро.
Наверно пора заканчивать здесь оффтопить. Завтра открою свой проект и расскажу где-что заказал и задам вопросы знающим.
Кстате у меня тоже 20 америка выкинул штатную магнитолу навигацию и уселок . новый уселитель iton (модель не помню)один из самых маленьких 4 канала под посажирское сидение, комп под водительское(так короче с проводкой)+ новый саунд asus(5.1) + front (morel 2 комп) зад штатный
итог в районе 55 т р .звук мне очень понравился(если не ездить в студии автозвука где все в один голос говорят что пс гомно по звуку). и кстате совсем забыл про саб (пока стоит кикер-15 т р - мне не нравиться) собираюсь брать JL audio 13 голова -около 10 т р + отдельно ящик около 8 т р. (фильмы 5.1просто улет ,дома домашний кинотеатр отдыхает). монитор лучше брать побольше вместо автомагнитолы. из минусов : нет радио(не пошло то что предлогают в кармониторе очень много помех) замена радио интернет через ету безлимит (я в москве). чтоб подцепить кнопки с руля надо перепаивать сопротивления на плате кнопок управления звука. и если ктонибудь садиться другой все в один голос говорят дикий лес как тут сделать по громче и тд и тп.
если будут вопр пиши . с ребятами из гибридов постораемся ответить на вопросы и по машине. axle_@ mail.ru
Всем привет, хотел узнать, а куда девается штатное меню и прочее? Там ведь кондиционер и т.п. настройки, просвятите :).
Штатное меню остается. Только вместо отображения навигации выходит изображение с компьютера.
Спасибо за ответ!
на фото, на экране нет надписи "check surroundings for safety", как удалось ее отключить?
Это штатный монитор
а как быть с дорестайлинговым монитором?
если не сложно, выложите,пожалуйста, схемку подключения к дорестайловому монику.Купил готовый carpc (снятый с приуса), а товарищ провода пооткусывал когда продавал...Так вот ни куда подключать, чего...непонятно.
просто объясните, как подключить AVC -lan к компу и к монитору.Спасибо,
примерно прикинул что к чему.если не прав-поправьте меня.я соединяю ножки ТХ- и ТХ+ на адаптере и на мониторе проводом, а к ножкам монитора , на которых висят R,G,B, SYNC и VG через кабель VGA подключаю монитор...Так?Сам адаптер AVC-LAN дополнительно подключаю к разьему USB на CarPC.Потом питание от блока питания на аккум и все должно заработать?
Адаптер подключается только к ПК и к +TX, -TX
Инструкция
Спасибо.Сегодня подключил,но возникли проблемы с подключением монитора.Цоколевка vga кабеля не совсем ясна.что такое sync и где ее провод?или это скрутка из hsync и vsync?Vgnd-это скрутка проводов от ножек 6,7,8?и чем отличаются GND и VGND?