Вложений: 2
Контроллер БП + ДХО + ДУ хелп.
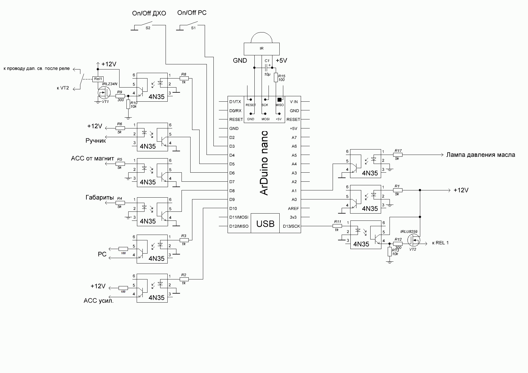
Есть реальная необходимость сделать контроллер блока питания и контроллер дневных ходовых огней (ДХО). Изложу суть того, что желаю сделать. Купил CarDuino, незная для чего он мне нужен и непонимая как с ним обращаться. Да в общем и сейчас мне нифига не понятно хоть уже месяц читаю разные статьи на эту тему, а программированием я занимался последний раз в 10 лет на «Пентагон 128». У меня всё готово для установки в авто, но нет контроллера бп и нет сенсорного стёклышка, пока я жду сенсорку я и решил заняться проблемой контроллера и ДХО, так как считаю не целесообразно использовать CarDuino только для чего-то одного. В процессе разбирательств решил за одно и ДУ прикрутить так как она у меня сделана на громадном по размерам приемнике. И так краткая схема carduino и описание работы, просьба поругать, попинать и самое главное помочь всё это сделать, авось ещё кому пригодится.
P.S. У меня БП компа с гальванической развязкой по массе, по этому масса на схеме нарисована двумя обозначениями. От чего питать CarDuino пока не решил, по логике он всегда должен быть включен, тогда питать надо от авто, но тогда теряется весь смысл гальванической развязки. Или как? Извиняйте, но из за этой проблемы схема полностью не дорисована, так что и здесь тоже прошу помощи.
Логика работы CarDuino
Первое по контроллеру БП.
1. Включаю магнитолу
1) Включается усилок
2) Включается БП
3) Включается комп
2. Выключаем магнитолу
1) Выключается усилок
2) Через одну минуту корректно выключается комп
3) Выключается БП через десять секунд после выключения компа
3. Нажимаем кнопку включения компа в течении одной минуты после выключения магнитолы
1) Комп остаётся работать
2) Усилитель все равно выключается
4. Нажимаем кнопку включения компа (с магнитолой или без)
1) Корректно выключается комп
2) Выключается БП через десять секунд после выключения компа
3) Усилитель – если магнитола работает, остается включен
5. Напряжение питания 10,5 вольт
1) Выключается усилок
2) Через одну минуту корректно выключается комп
3) Выключается БП через десять секунд после выключения компа
6. При включенной магнитоле, кратковременно выключаем-включаем магнитолу (в течении 10-15 секунд)
1) Ничего не происходит
7. Нажимаем кнопку включения компа
1) Включается БП
2) Включается комп
3) Усилок остаётся выключен
8. Кратковременные понижения напряжения (кручу стартер)
1) Ничего не отключается
Второе по Дневным ходовым огням (ДХО). (подключение производится на дальний свет)
1. Включаем зажигание
1. Фары выключены
2. Включаем стартер
1. Фары выключены
3. Двигатель завелся (контроль по лампе давления масла на приборке)
1. Через 10 секунд включаются фары на 30%( при условии, что ручник опущен)
4. Выключаем зажигание
1. Фары выключаются
5. Поднимаем ручник
1. Фары выключаются
6. Опускаем ручник
1. Фары включаются
7. Скорость ниже 3км/ч (контроль по датчику скорости)
1. Фары выключаются через 10 секунд (пробка и т.д.)
8. Включаем габариты
1. Фары остаются включенными на том же уровне яркости
9. Включаем ближний свет
1. ДХО отключается
10.Моргание дальним светом
1. Повышение яркости до 100% и возврат к 30%
11.Аварийная кнопка отключения ДХО ( в случае если в дороге сдох генератор либо акум и т.д.)
1. При однократном нажатии отключает ДХО, до следующего нажатия.
12.Регулировка яркости ДХО через комп (соответственно запоминается выбранное значение в CarDuino)
Re: Контроллер БП + ДХО + ДУ хелп.
R14, R16 выкинуть на этих входах подключить внутреннюю поджтяжку
Оптроны оставить так надежней. При использовании мощных MOSFET нет смысла ставить реле . Для защиты оптрона, поставить последовательно транзистору оптрона 100 ом резистор, на PC и Ремоут Усилителя.
По возможности не использовать выводы D2, D3
Re: Контроллер БП + ДХО + ДУ хелп.
Цитата:
Сообщение от
Chip
R14, R16 выкинуть на этих входах подключить внутреннюю поджтяжку
Оптроны оставить так надежней. При использовании мощных MOSFET нет смысла ставить реле . Для защиты оптрона, поставить последовательно транзистору оптрона 100 ом резистор, на PC и Ремоут Усилителя.
По возможности не использовать выводы D2, D3
Схему подправил в шапке, а на счет реле мне так в душе почему-то спокойнее. Добрый человек мне бы по поводу скетча, что нибудь придумать да проги управления, а то я на счет программирования как во вьетнамском плену.:(
Вложений: 1
Re: Контроллер БП + ДХО + ДУ хелп.
Кнопки неправильно нарисовал.
Вложение 11289
К сожалению написать скетчь не помогу, нет времени.
Подсказать всегда подскажу
Re: Контроллер БП + ДХО + ДУ хелп.
Ни кому не интересно что ли? Пооомооогииитеее!
Re: Контроллер БП + ДХО + ДУ хелп.
Думаю, что народ не оценил сложность и неочевидность предлагаемых действий. Насколько я понимаю, многим хватает умного блока питания. А по поводу ДХО у меня ощущение, что лучше сделать автосвет. Принцип простой - включено зажигание - горят ДХО. Темно - еще и габариты+ближний. Все. И кнопку, которая этот автосвет включает/выключает.
Re: Контроллер БП + ДХО + ДУ хелп.
Автосвет конечно проще, но принцип заложенных в моей схеме действий, считаю более оптимальным чем просто по повороту ключа зажигания, т.к. акб садится меньше, а зимой это весомый аргумент, даже с новым акб. По поводу контроллера, у меня самодельный бп это раз, и есть свободная ардуино это два, исходя из этого почему не сделать. Ну плохо у меня с программированием, по этому и прошу помощи.
Re: Контроллер БП + ДХО + ДУ хелп.
Ничто не мешает на автосвет добавить контроль лампочки аккумулятора. И не посадишь аккумулятор.
Сам посуди - я когда писал автоматику к блоку питания m2-atx (в этом форуме можешь поискать), я убил примерно 4 вечера на написание кода+еще потом пару раз корректировал программу по результатам езды в машине. Это при том, что я постоянно занимаюсь программированием и имею относительно большой опыт в разработке программ именно для микроконтроллеров. У тебя система на самом деле еще более замороченная. Ты просто этого пока еще не понял, поскольку не всю логику расписал.
Соответственно, проект маленьким не будет. Писать его тебе вряд ли кто-то согласится, тем более, что задача довольно специфична.
Поэтому попробуй начать сам писать, беря из других проектов нужные фенкиональные куски. И когда будут конкретные вопросы в духе "как сделать контроль освещенности" или "как объединить вот эти дву куска чтобы работали одновременно", тебе ответят.
Начни с того, что реализуй автосвет. Вместо ламп - светодиод, вместо ключа зажигания - выключатели.
Re: Контроллер БП + ДХО + ДУ хелп.
Я примерно к этому уже и подхожу, что придется делать самому. Времени все не хватает, на работе завал. Но скорее всего скоро начну. Спасибо за совет, скорее всего еще обращусь.:)
Re: Контроллер БП + ДХО + ДУ хелп.
Цитата:
Сообщение от
Chip
R14, R16 выкинуть на этих входах подключить внутреннюю поджтяжку
Оптроны оставить так надежней. При использовании мощных MOSFET нет смысла ставить реле . Для защиты оптрона, поставить последовательно транзистору оптрона 100 ом резистор, на PC и Ремоут Усилителя.
По возможности не использовать выводы D2, D3
Если не трудно напиши пожалуйста модель MOSFET. Давно хочу заменить 12в 10а реле на MOSFET, но не знаю каким лучше.
Re: Контроллер БП + ДХО + ДУ хелп.
Вложений: 1
Re: Контроллер БП + ДХО + ДУ хелп.
Цитата:
Сообщение от
Chip
IRLU8259
Тогда схема реле на основе IRLU8259 будет выглядеть следующим образом?
Или нужно использовать оптрон 4n35?
Re: Контроллер БП + ДХО + ДУ хелп.
Между ногой ардуины и транзистором резистор 100 ом поставь, если MOSFET будет сильно грется, то придется поставить маломощный транзистор или оптрон
Re: Контроллер БП + ДХО + ДУ хелп.
а куда поставить транзистор или оптрон? Если не трудно нарисуй пожалуйста схемку.
Вложений: 1
Re: Контроллер БП + ДХО + ДУ хелп.
Незабывай что сигнал при этом инвертируется
Вложение 11968
Re: Контроллер БП + ДХО + ДУ хелп.
Спасибо за схемку. Сигнал инвертируется? В аналоговый чтоли?
Re: Контроллер БП + ДХО + ДУ хелп.
А что инвертировать только аналоговый можно?
Если на выходе контроллера будет LOW , то лампочка включится или наоборот если будет HIGH то лампочка выключится
Re: Контроллер БП + ДХО + ДУ хелп.
Цитата:
Сообщение от
Chip
На этой схеме нормально разомкнутая земля, а можно сделать чтобы плюс был нормально разомкнут и замыкался по сигналу с ардуины?