-
Carduino Nano - stk500_getsync(): not in sync: resp=0x00
Здравствуйте, история такая - вчера пришла почтой Carduino Nano v.7, при подключении к компьютеру запросила дрова, были поставлены версии 2.8.24.0 от 10.04.2012 (поставщик FTDI), установлена Arduino 1.0.1, перезагрузки подключаю плату, загорается PWR, пару раз мигает RXTX, но при загрузке всем известного скетча BLink для теста получаю:
Цитата:
avrdude: stk500_getsync(): not in sync: resp=0x00
На плате стоит Mega328P, в софте выбираю Arduino Nano w/ ATmega328, порт соответственно назначенному в системе. При загрузке 3 раза моргает верхний светодиод, после - ошибка. Пробовал сносить дрова, разные версии, порты - результат один. Посоветуйте где рыть. Спасибо.
http://s019.radikal.ru/i621/1208/30/bf3c30843c0ft.jpg
http://s017.radikal.ru/i436/1208/61/c89d35c8741et.jpg
-
Re: Carduino Nano - stk500_getsync(): not in sync: resp=0x00
Перемычка в присутствует?
-
Re: Carduino Nano - stk500_getsync(): not in sync: resp=0x00
Цитата:
Сообщение от
Chip
Перемычка в присутствует?
Да, все как пришло на месте.
-
Re: Carduino Nano - stk500_getsync(): not in sync: resp=0x00
Попробуй открыть и посмотреть в IDE доступные порты, запомни их, потом отключи Arduino и посмотри еще раз порты. Отсутствующий порт будет принадлежать Arduino, его и выбирай при прошивке.
Еще как вариант нажми и удерживай кнопку reset на Arduino, а в IDE нажми кнопку прошить, как только моргнет светодиод, сразу отпусти кнопку сброса.
-
Re: Carduino Nano - stk500_getsync(): not in sync: resp=0x00
Нет, к сожалению, не помогает. Смущает что при старте rtxtx нормально моргает, ярко, а при прошивке еле видно моргнет три раза и все...
-
Re: Carduino Nano - stk500_getsync(): not in sync: resp=0x00
А после чего перестала шиться?
Все контроллеры прошивают и проверяют, заливают в них Blink и только после этого их отправляют покупателям, так что брака быть не должно. Судя по ошибке , в контроллере нет bootloader
А синий светодиод моргает?
-
Re: Carduino Nano - stk500_getsync(): not in sync: resp=0x00
Цитата:
Сообщение от
Chip
А после чего перестала шиться?
Все контроллеры прошивают и проверяют, заливают в них Blink и только после этого их отправляют покупателям, так что брака быть не должно. Судя по ошибке , в контроллере нет bootloader
А синий светодиод моргает?
Вчера на почте забрал, сегодня подключил, процесс описал весь с самого начала. Синий светодиод не моргает.
-
Re: Carduino Nano - stk500_getsync(): not in sync: resp=0x00
Тогда остается всего два варианта решения проблемы:
1-попробовать прошить bootloader самому
2-отправить назад по гарантии
P.S.
С паяльником в контроллер лучше не лезть
Перед отправкой хорошо упаковать
-
Re: Carduino Nano - stk500_getsync(): not in sync: resp=0x00
Цитата:
Сообщение от
Chip
Тогда остается всего два варианта решения проблемы:
1-попробовать прошить bootloader самому
2-отправить назад по гарантии
P.S.
С паяльником в контроллер лучше не лезть
Спасибо за ответы. Отправлять не буду,
Цитата:
Стоимость товара: 750-00 руб.
Почта России (Без страхового сбора): 210-25 руб.
Всего: 960-25 руб.
Это уже на доставку половина стоимости изделия. С паяльником проблем нет, просто хотелось попроще поступить, жаль было времени на разводку/травку платы и тд, подскажите если не сложно линк на прошивку бута, будет время - попробую реанимировать...
-
Re: Carduino Nano - stk500_getsync(): not in sync: resp=0x00
Программатор есть? Какой?
-
Re: Carduino Nano - stk500_getsync(): not in sync: resp=0x00
Цитата:
Сообщение от
Chip
Программатор есть? Какой?
Нет никакого, микроконтроллеры не программировал (не было необходимости), вот, хотел приобщиться, не получилось как-то сразу.
-
Вложений: 3
Re: Carduino Nano - stk500_getsync(): not in sync: resp=0x00
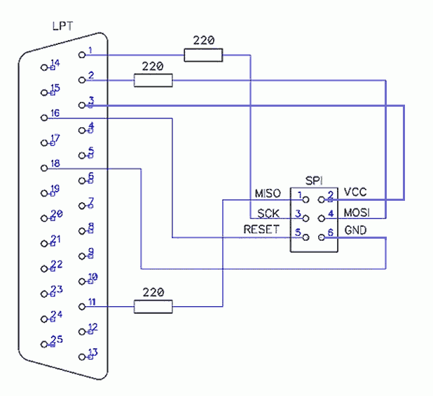
Для прошивки бутлодера из под Arduino-IDE, придётся собрать простенький программатор. Длина проводов программатора не должна превышать 15см
Вложение 14650
Подключаем шнурок к компьютеру, запускаем IDE выбираем тип контроллера
Вложение 14651
Выбираем команду прошить, LPT программатором
Вложение 14652
Будьте осторожны и внимательны, иначе вы рискуете потерять LPT порт
-
Re: Carduino Nano - stk500_getsync(): not in sync: resp=0x00
SPI это, я понимаю, колодка на противоположной от USB стороне платы?
-
Re: Carduino Nano - stk500_getsync(): not in sync: resp=0x00
-
Re: Carduino Nano - stk500_getsync(): not in sync: resp=0x00
Ок, спасибо, попробую. Отпишусь.
-
Re: Carduino Nano - stk500_getsync(): not in sync: resp=0x00
Спаял шнурок, подключил, lpt порт исправен (принтер работал), сделал как написали, вот результат:
Цитата:
avrdude: can't open device "giveio"
avrdude: failed to open parallel port "lpt1"
Понятно что не может открыть порт, может настройки какие следует применить?
-
Re: Carduino Nano - stk500_getsync(): not in sync: resp=0x00
-
Re: Carduino Nano - stk500_getsync(): not in sync: resp=0x00
Уже понял, только что поставил. Теперь при прошивке моргает примерно с минуту синий светодиод, потом выдает такой результат:
Цитата:
avrdude: verification error, first mismatch at byte 0x7d80
0x50 != 0xff
avrdude: verification error; content mismatch
-
Re: Carduino Nano - stk500_getsync(): not in sync: resp=0x00
Докладываю, все работает. Спасибо всем. Дело было в перемычке, ее надо было снять. После этого загрузка бута прошла на ура, созерцаю загруженный и рабочий скетч Blink.
-
Re: Carduino Nano - stk500_getsync(): not in sync: resp=0x00
У меня тоже пару раз на разных нанах бут произвольно слетал. ХЗ, системы не уловил. Перепрошивка помогала всегда. Мертвых нан (пока) нет :D
Для прошивки пользую не архаичный stk, а довольно шустрый USBASP
-
Re: Carduino Nano - stk500_getsync(): not in sync: resp=0x00
Приношу извинения, за причиненные неудобства.
-
Re: Carduino Nano - stk500_getsync(): not in sync: resp=0x00
Цитата:
Сообщение от
Chip
Для прошивки бутлодера из под Arduino-IDE, придётся собрать простенький программатор. Длина проводов программатора не должна превышать 15см
А можно какимто образом прошить другой ардуиной? А то не хочется покупать переходник LTP. За то есть мега, рабочая, а вчера купил
Freeduino Nano v5, а оно не работает.
-
Re: Carduino Nano - stk500_getsync(): not in sync: resp=0x00