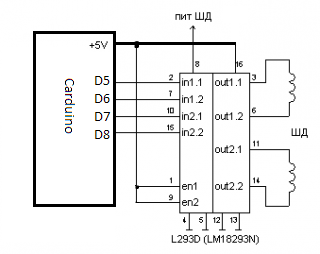
Здраствуйте, хотелось бы сделать управление шаговым электродвигателем – биполярный двухфазный, думаю реализовать на arduino, но в программировании не силен да и arduino пока не приехал (завтра буду оплачивать только). Нужно для управления распределением воздушных потоков на авто 2110, т.к. при установке монитора придется отказаться от механического регулятора, но совсем терять данную функцию очень не хочется.
Может кто нить поможет с кодом для ardino? если это вообще реально.
и какой драйвер использавать для двигателя uln2003 может быть?


Ответить с цитированием
