Страница 1 из 3 123 ПоследняяПоследняя
Показано с 1 по 10 из 24
  1. #1
    Новичок
    Регистрация
    02.02.2013
    Сообщений
    15
    Вес репутации
    164

    По умолчанию Помогите определить синхронизацию

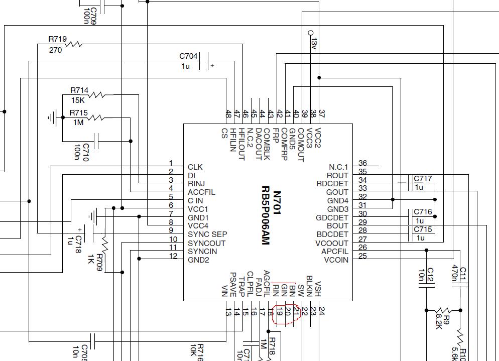
    Вход RGB очевиден, а вот с синхронизацией сложности. Помогите пожалуйста найти.
    Миниатюры Миниатюры Нажмите на изображение для увеличения. 

Название:	rgb2.JPG 
Просмотров:	998 
Размер:	99.2 Кб 
ID:	15901   Нажмите на изображение для увеличения. 

Название:	2013-02-03 16.27.53.jpg 
Просмотров:	999 
Размер:	89.8 Кб 
ID:	15900   Нажмите на изображение для увеличения. 

Название:	2013-02-03 16.28.30.jpg 
Просмотров:	716 
Размер:	91.1 Кб 
ID:	15899  

  2. #2
    Пользователь
    Регистрация
    16.10.2009
    Возраст
    69
    Сообщений
    92
    Вес репутации
    219

    По умолчанию Re: Помогите определить синхронизацию

    ну скорее всего 24 нога так ка строчная синхронизация обозначается (HS) а кадровая синхронизация (VS) а здесь скорее всего и то и другое поэтому VSH, посмотри здесь люди тоже вроде об этом пришут http://forums.benheck.com/viewtopic.php?f=8&t=16518

  3. #3
    Новичок
    Регистрация
    02.02.2013
    Сообщений
    15
    Вес репутации
    164

    По умолчанию Re: Помогите определить синхронизацию

    Цитата Сообщение от Vladget Посмотреть сообщение
    ну скорее всего 24 нога так ка строчная синхронизация обозначается (HS) а кадровая синхронизация (VS) а здесь скорее всего и то и другое поэтому VSH, посмотри здесь люди тоже вроде об этом пришут http://forums.benheck.com/viewtopic.php?f=8&t=16518
    Спасибо за помощь! Буду пробывать!

  4. #4
    Пользователь
    Регистрация
    16.10.2009
    Возраст
    69
    Сообщений
    92
    Вес репутации
    219

    По умолчанию Re: Помогите определить синхронизацию

    ты почитай эту ссылку там вроде написано что бы RGB работало на 22 ноге д.б. высокий уровень

  5. #5
    Новичок
    Регистрация
    02.02.2013
    Сообщений
    15
    Вес репутации
    164

    По умолчанию Re: Помогите определить синхронизацию

    Да да это я прочитал вот только как с синхронизацией предположительно что 24 нога. Надо пробывать.

  6. #6
    Новичок
    Регистрация
    02.02.2013
    Сообщений
    15
    Вес репутации
    164

    По умолчанию Re: Помогите определить синхронизацию

    Подключил как советовал Vladget синхронизацию к 24 пину. Теперь не могу настроить изображение PowerStrip. Подключаю видеокарту ATI Radeon Xpress 200 которая в настройкаx программы PowerStrip позволяет включить композитную синхронизацию, значит смешивает горизонтальную и вертикальную синхронизации сама карта. Только вот с какой ноги VGA разъема взять синхру с 13 или 14 или с обоих?

  7. #7
    Пользователь
    Регистрация
    16.10.2009
    Возраст
    69
    Сообщений
    92
    Вес репутации
    219

    По умолчанию Re: Помогите определить синхронизацию

    на 13 горизонт на 14 вертикальная синхронизация по идеи их надо смешать вот схема http://www.alyno.ru/old-forum/viewto...e8f2d0b0a160a0 вот еще есть схема http://www.primera-club.ru/f/elektro...ivnyi-variant/
    только непонятно почему такие сложности это что вообще и от чего оно работало что было источником этого контроллера?
    Последний раз редактировалось Vladget; 09.02.2013 в 14:57.

  8. #8
    Новичок
    Регистрация
    02.02.2013
    Сообщений
    15
    Вес репутации
    164

    По умолчанию Re: Помогите определить синхронизацию

    Цитата Сообщение от Vladget Посмотреть сообщение
    на 13 горизонт на 14 вертикальная синхронизация по идеи их надо смешать вот схема http://www.alyno.ru/old-forum/viewto...e8f2d0b0a160a0 вот еще есть схема http://www.primera-club.ru/f/elektro...ivnyi-variant/
    только непонятно почему такие сложности это что вообще и от чего оно работало что было источником этого контроллера?
    так если это делает видеокарта зачем схема
    это автомагнитола с Nissan ds305a. хочу к ней подрубить комп

  9. #9
    Пользователь
    Регистрация
    16.10.2009
    Возраст
    69
    Сообщений
    92
    Вес репутации
    219

    По умолчанию Re: Помогите определить синхронизацию

    VSH это микст (смесь) синхронизации вот тебе и надо смешать V и H (с видео они идут отдельно) просто так замкнуть неззя поэтому и нужно я же тебе и дал ссылку там как о ниссане речь идет
    вот оттуда
    "Подключить штатный монитор имеющий RGB вход можно на любом автомобиле, для этого достаточно иметь материнку со встроенным видео на основе чипсетов ATI, AMD 690, Nforce или любой другой видеокарте с функцией Interlace . Еще потребуется утилита PowerStrip. Если видеокарта не поддерживает функцию композитная синхронизация то можно будет смешать синхры с помощью резисторов как на рисунке:"
    у тебя есть " композитная синхронизация" тогда схема не нужна если нету паяй
    Последний раз редактировалось Vladget; 09.02.2013 в 16:12.

  10. #10
    Новичок
    Регистрация
    02.02.2013
    Сообщений
    15
    Вес репутации
    164

    По умолчанию Re: Помогите определить синхронизацию

    Цитата Сообщение от Vladget Посмотреть сообщение
    у тебя есть " композитная синхронизация" тогда схема не нужна если нету паяй
    и говорю что есть "композитная синхронизация" поэтому и спрашиваю с какого пина братьразъем вга 13 или14

Страница 1 из 3 123 ПоследняяПоследняя

Информация о теме

Пользователи, просматривающие эту тему

Эту тему просматривают: 1 (пользователей: 0 , гостей: 1)

Ваши права

  • Вы не можете создавать новые темы
  • Вы не можете отвечать в темах
  • Вы не можете прикреплять вложения
  • Вы не можете редактировать свои сообщения
  •