Показано с 1 по 4 из 4
  1. #1
    Администратор Аватар для Chip
    Регистрация
    08.06.2007
    Возраст
    56
    Сообщений
    13,381
    Вес репутации
    10

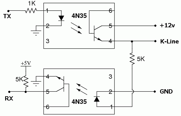
    По умолчанию Схема простого и надежного K-Line адаптера

    Сам не проверял, но судя по схеме должно работать.
    Понравилось то что схема полностью развязана , помех с компа не должно быть.
    Вложение 6288
    Миниатюры Миниатюры Нажмите на изображение для увеличения. 

Название:	k-line.png 
Просмотров:	23514 
Размер:	4.8 Кб 
ID:	6289  
    Последний раз редактировалось Chip; 26.10.2009 в 02:43.

  2. #2
    Новичок
    Регистрация
    14.12.2009
    Возраст
    63
    Сообщений
    10
    Вес репутации
    203

    По умолчанию Re: Схема простого и надежного K-Line адаптера

    Цитата Сообщение от Chip Посмотреть сообщение
    Сам не проверял, но судя по схеме должно работать.
    Понравилось то что схема полностью развязана , помех с компа не должно быть.
    Вложение 6288
    привет, а базы транзисторов куда чипьлять?
    для интера пойдёт?
    Последний раз редактировалось pegas; 14.12.2009 в 14:57.

  3. #3
    Администратор Аватар для Chip
    Регистрация
    08.06.2007
    Возраст
    56
    Сообщений
    13,381
    Вес репутации
    10

    По умолчанию Re: Схема простого и надежного K-Line адаптера

    Базы в воздухе висят

  4. #4
    Новичок
    Регистрация
    14.12.2009
    Возраст
    63
    Сообщений
    10
    Вес репутации
    203

    По умолчанию Re: Схема простого и надежного K-Line адаптера

    понял,спасибо. а адаптор Arduino Nano ( Carduino Nano V.4 ). можно приспособить к kline?

Информация о теме

Пользователи, просматривающие эту тему

Эту тему просматривают: 1 (пользователей: 0 , гостей: 1)

Ваши права

  • Вы не можете создавать новые темы
  • Вы не можете отвечать в темах
  • Вы не можете прикреплять вложения
  • Вы не можете редактировать свои сообщения
  •