Показано с 1 по 1 из 1
  1. #1
    Администратор Аватар для Chip
    Регистрация
    08.06.2007
    Возраст
    56
    Сообщений
    13,381
    Вес репутации
    10

    По умолчанию Магнитная левитация на Arduino

    Нашел в интернете интересный проект
    Схема состоит из двух частей
    1-Драйвер элетромагнита
    Название: driverscheme.png
Просмотров: 6813

Размер: 2.2 Кб
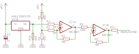
    2-Датчик Холла с усилителем
    Нажмите на изображение для увеличения. 

Название:	sensorscheme.png 
Просмотров:	995 
Размер:	3.7 Кб 
ID:	10746

    Датчик холла должен размещаться с торца на стержне электромагнита по центру
    Название: snv32110.jpg
Просмотров: 7140

Размер: 13.5 Кб
    Название: setup.png
Просмотров: 5558

Размер: 4.5 Кб

    Компоненты :
    Arduino Nano
    БП 12В
    Линейный Датчик Холла Honeywell SS19
    Операционный усилитель MC3401P
    Транзистор NPN MPSA06
    Диод 1N4001
    Электромагнит (можно использовать катушку от 12в соленоида)
    Резисторы 2x1k, 5k6, 47k, 68k, 330k, 4x1M
    Конденсаторы 2x1μ



    Arduino выполняет все вычисления, но код написан таким образом, что требуется подключение к компьютеру. Левитация начнет работать, когда Arduino получает 32 байта с компьютера. Эти 32 байт должены содержать 16 целых и записываются в массив AP.
    Процедура левитации прекращается, когда байт 0 получен от Arduino.

    Скетч для arduino
    Для достижения высокой производительности автор использует вставки на ассемблере
    PHP код:
    // clear bit and set bit
    #ifndef cbi
    #define cbi(sfr, bit) (_SFR_BYTE(sfr) &= ~_BV(bit))
    #endif
    #ifndef sbi
    #define sbi(sfr, bit) (_SFR_BYTE(sfr) |= _BV(bit))
    #endif


    // intRes = intIn1 * intIn2 >> 16 + rounding
    // rounding adds 1 to the result if the MSB of the byte 1 is set
    // uses:
    // r26 to store 0
    // r27 to store the byte 1 of the 32bit result
    // 21 cycles
    #define MultiU16X16toH16Round(intRes, intIn1, intIn2) \
    asm volatile ( \
    "clr r26 \n\t" \
    "mul %A1, %A2 \n\t" \
    "mov r27, r1 \n\t" \
    "mul %B1, %B2 \n\t" \
    "movw %A0, r0 \n\t" \
    "mul %B2, %A1 \n\t" \
    "add r27, r0 \n\t" \
    "adc %A0, r1 \n\t" \
    "adc %B0, r26 \n\t" \
    "mul %B1, %A2 \n\t" \
    "add r27, r0 \n\t" \
    "adc %A0, r1 \n\t" \
    "adc %B0, r26 \n\t" \
    "lsl r27 \n\t" \
    "adc %A0, r26 \n\t" \
    "adc %B0, r26 \n\t" \
    "clr r1 \n\t" \
    : \
    "=&r" (intRes) \
    : \
    "a" (intIn1), \
    "a" (intIn2) \
    : \
    "r26" "r27" \


    void analogSetup(unsigned char prescalerunsigned char referenceunsigned char adjust) {
      
    //value    prescaler    adc clock    max freq
      //1    2    8000000    615385.  Hz
      //2    4    4000000    307692.  Hz
      //3    8    2000000    153846.  Hz
      //4    16    1000000    76923.1  Hz
      //5    32    500000    38461.5  Hz
      //6    64    250000    19230.8  Hz
      //7    128    125000    9615.38  Hz

      // reference
      // 0     AREF
      // 1    Vcc
      // 2    reserved
      // 3    1.1V

      // adjust
      // 0    right adjust
      // 1    left adjust

        
    ADMUX = (ADMUX 0x1f) | ((reference << 6) | adjust << 5);

      
    ADCSRA = (ADCSRA 0xf8) | prescaler;
    }

    // start conversion
    void analogStart(unsigned char pin) {
      
    ADMUX = (ADMUX 0xf0) | pin;

      
    sbi(ADCSRAADSC);
    }

    // waits until another conversion is finished by waiting for
    // the interrupt flag to be set
    // reads the 10bit result and resets the interrupt flag
    unsigned int analogNext() {
      while (!(
    ADCSRA _BV(ADIF))) ;

      
    // reset the flag
      
    sbi(ADCSRAADIF);

      
    //    unsigned char low = ADCL;
      //    unsigned char high = ADCH;
      //return    (high << 8) + low;

      // this is here just for fun
      // it annoys me that AVR GCC wastes cycles on combining ADCL and ADCH
      
    unsigned int res;

      
    asm volatile 
      
    "lds %A0, 0x0078 \n\t" // ADCL
      
    "lds %B0, 0x0079 \n\t" // ADCH

      
    "=&r" (res
        ) ;

      return 
    res;    
    }

    inline void digitalWriteD(unsigned char bitunsigned char state) {
      if (
    state) {
        
    sbi(PORTDbit);
      } 
      else {
        
    cbi(PORTDbit);
      }
    }

    // disable timer 0 overflow interrupt
    void disableMillis() {
      
    cbi(TIMSK0TOIE0);
    }

    #define SAMPLES 4096
    unsigned int baseline 0;
    unsigned int coilPower 0;

    void setup() 
    {

      
    // open serial connection, 1,000,000 baud
      
    beginSerial(1000000L);

      
    // setup 19230.8Hz sampling rate
      // setup Vcc as ref, right aligned output
      
    analogSetup(610);

      
    // free running mode
      
    ADCSRB ADCSRB 0xf8;

      
    // setup pin 3 as output
      
    pinMode(3,OUTPUT);

      
    // enable autotrigger
      
    sbi(ADCSRAADATE);

      
    // start conversion from pin 0
      
    analogStart(0);

      
    // calibration
      
    unsigned long gather;

      
    // turn the coil off for baseline
      
    digitalWriteD(30);
      
    // wait for some time
      
    delay(200);
      
    // gather info
      
    gather 0;
      for (
    int i 0SAMPLES++) {
        
    // wait for the next value and read it
        
    gather += analogNext();
      }
      
    baseline gather SAMPLES;

      
    // turn the coil on for coilPower
      
    digitalWriteD(31);
      
    // wait for some time
      
    delay(200);
      
    // gather info
      
    gather 0;
      for (
    int i 0SAMPLES++) {
        
    // wait for the next value and read it
        
    gather += analogNext();
      }
      
    coilPower gather SAMPLES baseline 1;
      
    coilPower *= 2;  // this is to compensate for the filter resolution 0 ... 32767

      // turn the coil off
      
    digitalWriteD(30);

      
    // disable Timer0 for function millis() to 
      // avoid interference
      
    disableMillis();


    }

    // action parameters
    // 0 -- 3 coil simulation
    // 4 -- 7 power generation
    // 8 -- 14 experimentatal
    // 15 -- square wave generator
    #define NPARAMS 16
    #define HEADERSIZE (NPARAMS * 2)
    unsigned int ap[NPARAMS];

    int counter 0;

    void loop()
    {

      
    unsigned char signal 0;
      
    unsigned char action 0;
      
    unsigned int filter 0;
      
    unsigned int oldfilter 0;

      while (
    true) {
        
    // read commands
        
    if (!action) {
          if (
    serialAvailable() >= HEADERSIZE) {
            
    char= (char*) ap;
            for (
    char i 0HEADERSIZE++) {
              
    char c serialRead();
              *
    c;
              
    a++;
            }
            
    action true;

            
    filter 0;
            
    oldfilter 0;
            
    signal 0;

            for (
    char i 0HEADERSIZE++) {
              
    serialWrite(i);
            }
          }

        } 
        else {
          if (
    serialAvailable() > 0) {
            
    unsigned char c serialRead();
            switch (
    c) {
            case 
    0:
              
    action false;
              
    digitalWriteD(3,0);
              break;
            case 
    1
              
    ap[4] ++;
              break;
            case  
    2
              
    ap[4] --;
              break;
            case 
    3
              
    ap[5] ++;
              break;
            case 
    4
              
    ap[5] --;
              break;
            }
          }
        }

        if (
    action) {
          
    // wait for the next value and read it
          
    unsigned int field analogNext();
          
    // write previously computed signal
          
    digitalWriteD(3signal);

          
    // do the computations

          
    unsigned int result;
          
    // mag = field - coilPower * oldFilter >> 16 - baseline;
          
    MultiU16X16toH16Round(resultcoilPoweroldfilter);
          
    int mag field result baseline;

          
    // update filter
          
    oldfilter filter;
          if (
    signal == 0) {
            
    //filter -= ((unsigned long) ap[2] * filter) >> 16;
            // dropping to diode voltage ap[3]
            
    MultiU16X16toH16Round(resultap[2], filter ap[3]);
            if (
    result filter) {
              
    filter 0;
            } 
            else {
              
    filter -= result;
            }
          } 
          else {
            
    //filter += ((unsigned long) ap[0] *(32768 - filter)) >> 16;
            
    unsigned int temp 32768 filter;
            
    MultiU16X16toH16Round(resultap[0], temp);
            
    filter += result;
          }
          
    // estimate required power 0 -- 255
          // linear decay of intensity

          
    int power 255 + (ap[4] - (mag)) * ap[5];

          if (
    power 0power 0;
          if (
    power 255power 255;
          
    // compare with the actual coil field
          
    if (power > (filter >> 7)) {
            
    // need to energize
            
    signal 1;
          } 
          else {
            
    // need to deenergize
            
    signal 0;
          }

          
    // emergency shutdown
          // magnet is too far, turn off the coil
          
    if (mag 8signal 0;

          
    // test
          
    if (ap[15] !=0) {
            
    counter += ap[15];
            if (
    counter 0) {
              
    signal 0;
            } 
            else {
              
    signal 1;
            }
          }

          
    // send data
          
    serialWrite(field);
          
    serialWrite(((field >> 8) << 1) | signal);   
          
    serialWrite(mag);
        }
      }

    Последний раз редактировалось Chip; 28.04.2018 в 10:55.

Информация о теме

Пользователи, просматривающие эту тему

Эту тему просматривают: 1 (пользователей: 0 , гостей: 1)

Ваши права

  • Вы не можете создавать новые темы
  • Вы не можете отвечать в темах
  • Вы не можете прикреплять вложения
  • Вы не можете редактировать свои сообщения
  •