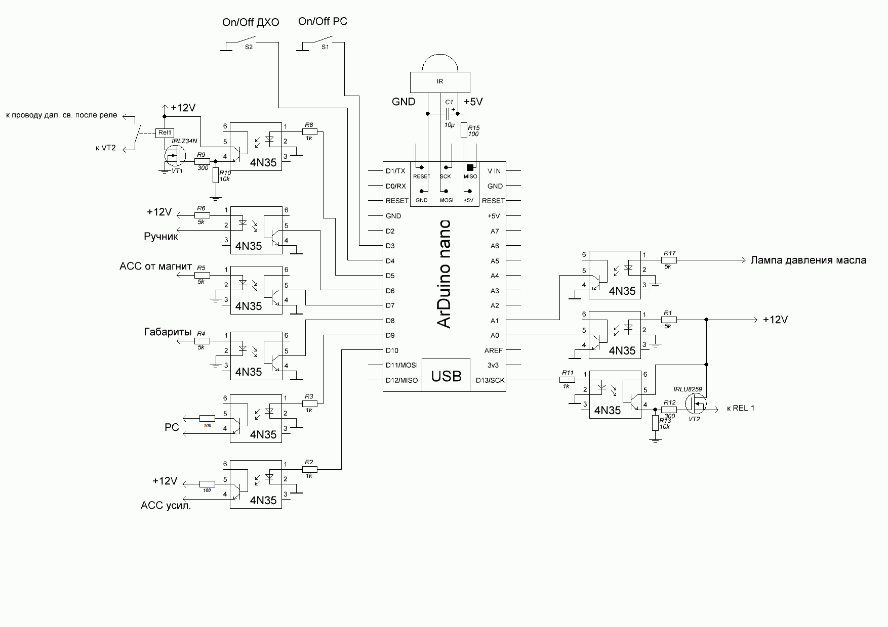
Есть реальная необходимость сделать контроллер блока питания и контроллер дневных ходовых огней (ДХО). Изложу суть того, что желаю сделать. Купил CarDuino, незная для чего он мне нужен и непонимая как с ним обращаться. Да в общем и сейчас мне нифига не понятно хоть уже месяц читаю разные статьи на эту тему, а программированием я занимался последний раз в 10 лет на «Пентагон 128». У меня всё готово для установки в авто, но нет контроллера бп и нет сенсорного стёклышка, пока я жду сенсорку я и решил заняться проблемой контроллера и ДХО, так как считаю не целесообразно использовать CarDuino только для чего-то одного. В процессе разбирательств решил за одно и ДУ прикрутить так как она у меня сделана на громадном по размерам приемнике. И так краткая схема carduino и описание работы, просьба поругать, попинать и самое главное помочь всё это сделать, авось ещё кому пригодится.
P.S. У меня БП компа с гальванической развязкой по массе, по этому масса на схеме нарисована двумя обозначениями. От чего питать CarDuino пока не решил, по логике он всегда должен быть включен, тогда питать надо от авто, но тогда теряется весь смысл гальванической развязки. Или как? Извиняйте, но из за этой проблемы схема полностью не дорисована, так что и здесь тоже прошу помощи.
Логика работы CarDuino
Первое по контроллеру БП.
1. Включаю магнитолу
1) Включается усилок
2) Включается БП
3) Включается комп
2. Выключаем магнитолу
1) Выключается усилок
2) Через одну минуту корректно выключается комп
3) Выключается БП через десять секунд после выключения компа
3. Нажимаем кнопку включения компа в течении одной минуты после выключения магнитолы
1) Комп остаётся работать
2) Усилитель все равно выключается
4. Нажимаем кнопку включения компа (с магнитолой или без)
1) Корректно выключается комп
2) Выключается БП через десять секунд после выключения компа
3) Усилитель – если магнитола работает, остается включен
5. Напряжение питания 10,5 вольт
1) Выключается усилок
2) Через одну минуту корректно выключается комп
3) Выключается БП через десять секунд после выключения компа
6. При включенной магнитоле, кратковременно выключаем-включаем магнитолу (в течении 10-15 секунд)
1) Ничего не происходит
7. Нажимаем кнопку включения компа
1) Включается БП
2) Включается комп
3) Усилок остаётся выключен
8. Кратковременные понижения напряжения (кручу стартер)
1) Ничего не отключается
Второе по Дневным ходовым огням (ДХО). (подключение производится на дальний свет)
1. Включаем зажигание
1. Фары выключены
2. Включаем стартер
1. Фары выключены
3. Двигатель завелся (контроль по лампе давления масла на приборке)
1. Через 10 секунд включаются фары на 30%( при условии, что ручник опущен)
4. Выключаем зажигание
1. Фары выключаются
5. Поднимаем ручник
1. Фары выключаются
6. Опускаем ручник
1. Фары включаются
7. Скорость ниже 3км/ч (контроль по датчику скорости)
1. Фары выключаются через 10 секунд (пробка и т.д.)
8. Включаем габариты
1. Фары остаются включенными на том же уровне яркости
9. Включаем ближний свет
1. ДХО отключается
10.Моргание дальним светом
1. Повышение яркости до 100% и возврат к 30%
11.Аварийная кнопка отключения ДХО ( в случае если в дороге сдох генератор либо акум и т.д.)
1. При однократном нажатии отключает ДХО, до следующего нажатия.
12.Регулировка яркости ДХО через комп (соответственно запоминается выбранное значение в CarDuino)


Ответить с цитированием

