Страница 1 из 10 1234567 ... ПоследняяПоследняя
Показано с 1 по 10 из 97
  1. #1
    Модератор Аватар для XsanderS
    Регистрация
    05.05.2008
    Возраст
    43
    Сообщений
    829
    Вес репутации
    414

    По умолчанию Н-Мост на MOSFET+Arduino

    Всем привет! Идея такова: Собрать для модели mosfet модуль управления двигателями ходовой. Для этого нужно собрать Н-Мост на Мосфетах и управлять им RC Пультом через Arduino.

    Содрал в нете следующую схемку Н-моста Предварительно подправив в плане используемых Мосфетов и уменшил номеналы R3 и R4 с 20 до 10ко.
    Вопрс первый правильно ли я понимаю принцип работы этой схемы: Когда на портах "A=1" "В=0" Задействованны VT2 и VT3 и работают они следующим образом: VT3 "Р" открыт за счет того что он зацеплен на землю через резистор R4 ном 10к и пропускает через себя +12v к мотору, затем VT2 "N" получая от порта "А" позитивный управляющий сигнал открываеться и пропускает через себя +12v идущие через мотор к земле?

    Вопрос второй: Возможна ли плавная регулировка оборотов двигателя по средствам "ШИМ" Тоесть если я запущу в порт "A" сигнал "ШИМ" допустим

    PHP код:
    void setup()
    {
      
    pinMode(5OUTPUT);  
    }
    void loop()
    {
      
    analogWrite(5128);

    То VT2 должен открыться чуть больше чем на половину, соответственно регулируя обороты двигателя.

    Касательно схемы: Выбрал её как по моему взгляду наиболее подходящую для управления ШИМом. По одной причине что на мой взгляд R3 и R4 в периодах прирывания будут избавлять VT от паразитных зарядок Мосфетов не давая им тем самым перейти в линейное положение. Склоняюсь еще к тому что сигнал ШИМ лучше завести не на прямую в порты "А/B" а через транзисторный ключь.

    Подведу итог:

    1. Хотелось бы узнать правильно ли я понял принцип работы данного Н-Моста в том числе и насчет ШИМа.

    2. По схеме Н-Моста. Ваши мысли по поводу выбора типа Мосфетов и всяческие советы по улучшению схемы.
    Миниатюры Миниатюры Нажмите на изображение для увеличения. 

Название:	p-s.JPG 
Просмотров:	1713 
Размер:	44.1 Кб 
ID:	13165   Нажмите на изображение для увеличения. 

Название:	h-s.JPG 
Просмотров:	7546 
Размер:	92.3 Кб 
ID:	13166  
    Последний раз редактировалось Chip; 13.04.2016 в 14:00.
    хороший модем должен качать пиво!
    Мой проект

  2. #2
    Администратор Аватар для Chip
    Регистрация
    08.06.2007
    Возраст
    56
    Сообщений
    13,381
    Вес репутации
    10

    По умолчанию Re: Н-Мост на MOSFET+Arduino

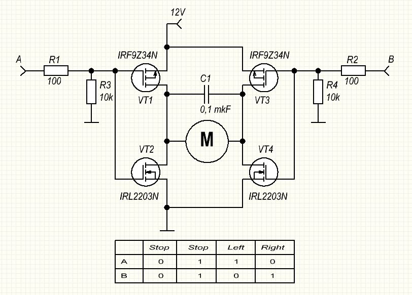
    Не совсем правильная схема
    Вот проверенный рабочий вариант
    Миниатюры Миниатюры Нажмите на изображение для увеличения. 

Название:	h-brd.png 
Просмотров:	19335 
Размер:	11.5 Кб 
ID:	13167  

  3. #3
    Модератор Аватар для XsanderS
    Регистрация
    05.05.2008
    Возраст
    43
    Сообщений
    829
    Вес репутации
    414

    По умолчанию Re: Н-Мост на MOSFET+Arduino

    Отлично, спасибо. Характеристики IRF7319 тоже порадовали. Насчет транзисторов для ключей: Подойдут простые транзисторы или в виду того что управляться будет ШИМом лучше взять с высокой скоростью срабатывания?
    хороший модем должен качать пиво!
    Мой проект

  4. #4
    Администратор Аватар для Chip
    Регистрация
    08.06.2007
    Возраст
    56
    Сообщений
    13,381
    Вес репутации
    10

    По умолчанию Re: Н-Мост на MOSFET+Arduino

    Какая частота ШИМ будет?

  5. #5
    Модератор Аватар для XsanderS
    Регистрация
    05.05.2008
    Возраст
    43
    Сообщений
    829
    Вес репутации
    414

    По умолчанию Re: Н-Мост на MOSFET+Arduino

    С прошивкой только начал разбераться но думаю использовать аппаратный шим с частотой еще не совсем разобрался. Ка к я понемаю например вот в таком случае:

    PHP код:
    void setup()
    {
      
    pinMode(5OUTPUT);
      
    TCCR0B TCCR0B 0b11111000 5;  
    }

    void loop()
    {
      
    analogWrite(5128);  // скважность от 0 до 255

    Частота задается строкой

    PHP код:
    TCCR0B TCCR0B 0b11111000 5
    в таком случае частота 60 Гц

    я вот не знаю для управления Мосфетами нужна какаято определенная частота? или частота в данном случае будет изменять лиш скорость смены скважности?

    Мне предстоит еще выяснить с какой частотой и скважностью сигнал на пропорцеональном выходе RC приемника затем обробатывая это сигнал arduino будет менять скважность на выходе к Н-Мосту.

    ps: Схема Н-Моста выложенная мной не работает, вернее работает но бешанно греется "Р" мосфет. Если сигнал с порта "А" то VT1 если с порта "В" то VT3
    Последний раз редактировалось XsanderS; 17.10.2011 в 04:19.
    хороший модем должен качать пиво!
    Мой проект

  6. #6
    Модератор Аватар для XsanderS
    Регистрация
    05.05.2008
    Возраст
    43
    Сообщений
    829
    Вес репутации
    414

    По умолчанию Re: Н-Мост на MOSFET+Arduino

    Спасибо за схемку. собрал по ней Н-мост, работает отлично. Разобрался с сигналом от RC приемника. частота 50Гц длинна периода 20мс Down-18,5mc, Up-1.5mc. (среднее значение) сигнал варирует от Down-17,5мс Up-2,5mc. Следовательно для управления есть 5мс в каждую сторону от среднего значения. Проще говоря при среднем значении Arduino молчит, при значении от Up-1,5mc до Up-2mc крутит мотор в одну сторону, при значении от Up-1,5mc до Up-1mc в другую сторону.

    Вот только не знаю как это обработать в Arduino. Прочитать этот сигнал с аналогова порта, перевести полученное значение в байты и назначить на них запись в порт идущий на мотор значение 0-255???
    Изображения Изображения  
    хороший модем должен качать пиво!
    Мой проект

  7. #7
    Модератор Аватар для XsanderS
    Регистрация
    05.05.2008
    Возраст
    43
    Сообщений
    829
    Вес репутации
    414

    По умолчанию Re: Н-Мост на MOSFET+Arduino

    Нарыл фукцию pulseIn по всей видимосте это то что мне нужно, функция считывает длинну сигнала H или L. Есть у кавонибудь пример использования этой функции? или подскажите уже существующий проект с ее использованием.
    хороший модем должен качать пиво!
    Мой проект

  8. #8
    Администратор Аватар для Chip
    Регистрация
    08.06.2007
    Возраст
    56
    Сообщений
    13,381
    Вес репутации
    10

    По умолчанию Re: Н-Мост на MOSFET+Arduino

    Последний раз редактировалось Chip; 18.10.2011 в 02:57.

  9. #9
    Модератор Аватар для XsanderS
    Регистрация
    05.05.2008
    Возраст
    43
    Сообщений
    829
    Вес репутации
    414

    По умолчанию Re: Н-Мост на MOSFET+Arduino

    PHP код:
    #include <TimerOne.h>

    #define BTNPIN 2 // Вход сигнала
    #define L 5         // Выход на H-Мост вращение в лево
    #define R 6         // Выход на H-Мост вращение в право

    volatile uint16_t startImpuls;
    volatile uint16_t lengthImpuls;
    volatile uint16_t timerCount=0;

    void setup()
    {  

    /* LOW — вызов прерывания всякий раз, 
        когда на порту низкий уровень напряжения;
        CHANGE – прерывание вызывается при изменении 
        значения на входе;
        RISING – вызов прерывания при изменении уровня 
        напряжения с низкого (LOW) на высокое(HIGH)
        FALLING – вызов прерывания при изменении уровня 
        напряжения с высокого (HIGH) на низкое (LOW)*/
      
      
    startImpuls=0;
      
    lengthImpuls=0;
      
      
    pinMode (BTNPININPUT); 
      
    pinMode (LOUTPUT);
      
    pinMode (ROUTPUT);

      
    Serial.begin(115200);

      
    Timer1.initialize(10);                // Интервал срабатывания таймера 10мкс
      
    Timer1.attachInterrupt(callback);

      
    attachInterrupt(0fireUpRISING); // Запуск таймера при наличии сигнала HIGH

    }
    void callback() {  timerCount++; }

    void loop()
    {
       if (
    lengthImpuls 0
      { 
         
    uint16_t li lengthImpuls
         
    lengthImpuls=0;
      
         if (
    li 100  && li 150)   // эамер сигнала для вращения в лево
         
    analogWrite (L23 li);
         
         if (
    li 155  && li 200)   // эамер сигнала для вращения в право
         
    analogWrite (R23 li);
      }   
     }

    // Функция обработки прерывания на подъем
    void fireUp()
    {

      
    detachInterrupt(0);
      
    startImpuls timerCount;
      
    attachInterrupt(0fireDownFALLING);
    }

    // Функция обработки прерывания на падение
    void fireDown()
    {
      
    detachInterrupt(0);
      
    lengthImpuls timerCount startImpuls;
      
    startImpuls=0;
      
    timerCount=0;
      
    attachInterrupt(0fireUpRISING);

    Последний раз редактировалось XsanderS; 20.10.2011 в 21:53.
    хороший модем должен качать пиво!
    Мой проект

  10. #10
    Администратор Аватар для Chip
    Регистрация
    08.06.2007
    Возраст
    56
    Сообщений
    13,381
    Вес репутации
    10

    По умолчанию Re: Н-Мост на MOSFET+Arduino

    Управлять то получилось?

Страница 1 из 10 1234567 ... ПоследняяПоследняя

Информация о теме

Пользователи, просматривающие эту тему

Эту тему просматривают: 4 (пользователей: 0 , гостей: 4)

Ваши права

  • Вы не можете создавать новые темы
  • Вы не можете отвечать в темах
  • Вы не можете прикреплять вложения
  • Вы не можете редактировать свои сообщения
  •