В машине стоит радная нави !
В потолке родной телевизор!
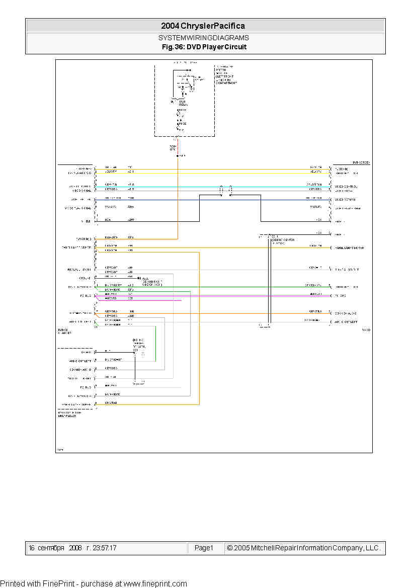
В нижней передне части консоли расположен родной ДВД плеер на 6 диск.
В понели приборов встроен проекционик .
управление нави идес с клавы возле понели приборв !
1 как сделать чтобы звук работал?
2 изображение на понели и потолочном монитре было?


Ответить с цитированием

