Показано с 1 по 7 из 7
  1. #1
    Пользователь
    Регистрация
    21.03.2010
    Сообщений
    69
    Вес репутации
    210

    По умолчанию трехпозиционный выключатель

    Решил поставить трех позиционный выключатель для управления питания компьютера,и хочу спросит соединять нужно напрямую или через реле ,если не трудно нарисуйте пожалуйста схемку.Заранее благодарен.

  2. #2
    Продвинутый Аватар для Z@GR
    Регистрация
    02.10.2008
    Сообщений
    325
    Вес репутации
    282

    По умолчанию Re: трехпозиционный выключатель

    Цитата Сообщение от Haivan Посмотреть сообщение
    Решил поставить трех позиционный выключатель для управления питания компьютера,и хочу спросит соединять нужно напрямую или через реле ,если не трудно нарисуйте пожалуйста схемку.Заранее благодарен.
    переключателем будет управляться АСС на блок питания?
    тогда делай напрямую без релюх, на АСС ток минимальный

  3. #3
    Администратор Аватар для Chip
    Регистрация
    08.06.2007
    Возраст
    56
    Сообщений
    13,381
    Вес репутации
    10

    По умолчанию Re: трехпозиционный выключатель

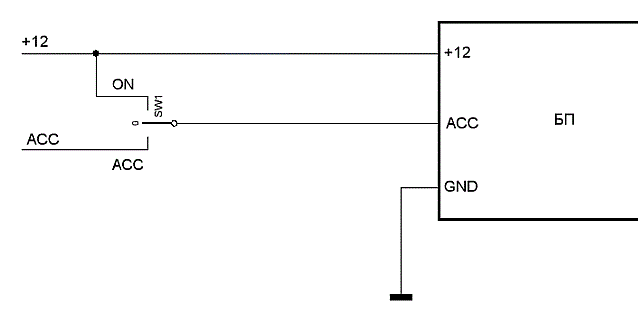
    Как то так
    Нажмите на изображение для увеличения. 

Название:	3з.gif 
Просмотров:	432 
Размер:	4.2 Кб 
ID:	10362

  4. #4
    Пользователь
    Регистрация
    21.03.2010
    Сообщений
    69
    Вес репутации
    210

    По умолчанию Re: трехпозиционный выключатель

    Спасибо большое,значит реле не нужно ставить.

  5. #5
    Администратор Аватар для Chip
    Регистрация
    08.06.2007
    Возраст
    56
    Сообщений
    13,381
    Вес репутации
    10

    По умолчанию Re: трехпозиционный выключатель

    Не нужно

  6. #6
    Местный
    Регистрация
    02.09.2009
    Возраст
    66
    Сообщений
    141
    Вес репутации
    239

    По умолчанию Re: трехпозиционный выключатель

    Я вот так сделал. Добавлено термореле для HDD
    Миниатюры Миниатюры Нажмите на изображение для увеличения. 

Название:	термореле.jpg 
Просмотров:	1291 
Размер:	31.8 Кб 
ID:	10364  

  7. #7
    Пользователь
    Регистрация
    19.06.2009
    Возраст
    55
    Сообщений
    85
    Вес репутации
    224

    По умолчанию Re: трехпозиционный выключатель

    Устройство коммутации для carpc - снимается много вопросов

Информация о теме

Пользователи, просматривающие эту тему

Эту тему просматривают: 1 (пользователей: 0 , гостей: 1)

Ваши права

  • Вы не можете создавать новые темы
  • Вы не можете отвечать в темах
  • Вы не можете прикреплять вложения
  • Вы не можете редактировать свои сообщения
  •