С помощью этой схемы можно подключится к Ecu и используя соответсвующий софт , смотреть и управлять парамметрами двигателя и др.
Прогресс движется вперед семимильными шагами и заглядывает даже за ворота автомастерских , в которых все чаще и чаще можно встретить ноутбуки в качестве диагностического компьютера. Нет слов, ноутбук более мобилен, функционален и в какой-то мере престижен, прибавляя "вес" автосервису. Но... В последнее время участились жалобы либо на неправильную работу адаптеров К-Line, либо, что еще хуже, выход из строя COM - портов ноутбука. Дело, мне кажется в том, что у некоторых ноутбуков СОМ-порты работают с уровнями сигналов +/- 3V, в то время как большинство адаптеров, рассчитанные на РС и собранные на микросхемах МАХ232 выдают полноценные +/- 12V. То есть, для работы с ноутбуком желательно иметь адаптер, предназначенный именно для этого. Самый простой путь - заменить привычную нам всем МАХ232 на МАХ3232, имеющую пониженные напряжения сигналов.
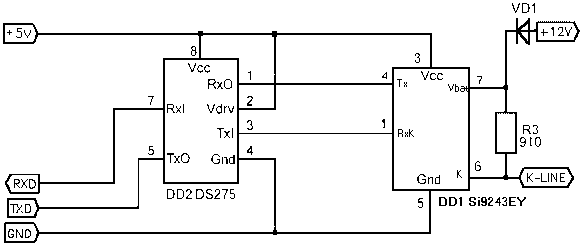
Другой, и, как мне кажется (IMHO), более прогрессивный способ использование для согласования с портом ноутбука микросхему DS275. Данная микросхема работает с теми уровнями сигналов, которые получает, адаптируясь хоть к СОМ-порту РС, хоть к ноутбуку, представляя собой оптимальное решение для реализации K-Line. Кроме всего прочего, данный способ практически не требует "обвязки" микросхем.
![]()




					
						
					
						
					
					
					
						
  Ответить с цитированием