Страница 1 из 18 123456711 ... ПоследняяПоследняя
Показано с 1 по 10 из 178
  1. #1
    Местный
    Регистрация
    07.12.2014
    Сообщений
    102
    Вес репутации
    158

    По умолчанию Бортовой компьютер мотоцикла

    Здравствуйте, зашел к вам просить помощи. Тут намедни озадачился разработкой бортового компьютера для мотоцикла. С Ардуино мало знаком, но с программированием знаком (давно не практиковался вот мое, одно из творений, если интересно http://autoit-script.ru/index.php?topic=1456.0)

    В процессе подготовки столкнулся с вопросом о поиске элементов, точнее их комбинации. Хочу проконсультироваться - то ли я хочу заказать, хватит ли мне портов для моей задачи ?

    Arduino Uno
    LCD Keypad Shield (будет меню с настройками)
    Реле шилд для Arduino, 4 реле
    Цифровой датчик температуры и влажности

    Нажмите на изображение для увеличения. 

Название:	2014-12-07 12-35-47.jpg 
Просмотров:	2822 
Размер:	137.8 Кб 
ID:	18283

    Входа
    1. Вход 12В, по этой команде из EEPROM считывается пробег. Как преобразовать в 5В ? (стабилизатор 14 - 5 ?)
    Возможно ли измерение бортового напряжения ?
    2. Вход 12В с датчика скорости. Как преобразовать в 5В ? (оптопара ?)
    3. Минус (датчик нейтрали)
    4. Цифровой датчик температуры и влажности
    5. Резистивный датчик температуры на мотоцикле. Можно будет по нему мерить температуру ?
    8. Минус на этом входе при включении вентилятора (перепутал на картинке)
    9. Герконы - первая.2.3.4.5. скорость

    Выходы
    6. LCD Keypad Shield
    7. Генератор прямоугольников 12В , пока под вопросом
    10. Реле шилд, 4 реле, в задумке использовать два.
    11. Светодиод, сигнализатор для привлечения внимания

    Большая просьба посмотреть, возможна ли реализация проекта, если есть ошибки, поправьте.
    Последний раз редактировалось Chip; 27.02.2020 в 23:32.

  2. #2
    Пользователь Аватар для lti1
    Регистрация
    15.10.2010
    Возраст
    50
    Сообщений
    78
    Вес репутации
    204

    По умолчанию Re: Бортовой компьютер мотоцикла

    Здесь найдете ответы на многие Ваши вопросы.
    Здесь много уроков и конкретных примеров по ардуино.
    Дисплей OLED LCD Display I2C 0.96 IIC Serial 128X64.
    Обратите внимание на Arduini Nano или Arduini Mini, они компактнее, а функционал тот же.
    Датчик температуры DS18B20.
    Если нужно 2 реле, зачем шилд на четыре?
    Последний раз редактировалось Chip; 29.10.2018 в 11:28.

  3. #3
    Местный
    Регистрация
    07.12.2014
    Сообщений
    102
    Вес репутации
    158

    По умолчанию Re: Бортовой компьютер мотоцикла

    Ок, спасибо.
    Видео конечно интересные, но на них интересный мужчина без футболки, ничего интересного по моей теме не сказал.
    Дисплей крутой но очень маленький, мне всё же по душе большой 16x2 для начала моей деятельности.
    Четыре, реле для возможной модернизации.

    Зачем делать вот это - digitalWrite(8, HIGH)
    Последний раз редактировалось Oleg_33; 07.12.2014 в 22:53.

  4. #4
    Модератор Аватар для XsanderS
    Регистрация
    05.05.2008
    Возраст
    43
    Сообщений
    829
    Вес репутации
    412

    По умолчанию Re: Бортовой компьютер мотоцикла

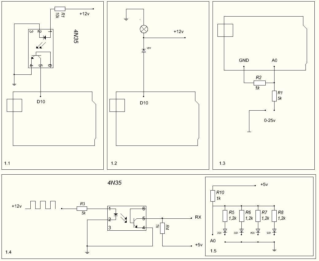
    1. Сигнал +12 заводим след образом на рис.1.1 и 1.2 два варианта. в обоих случаях нужно подключить внутренний подтягивающий резистор, по простому установить командой digitalWrite (10, HIGH); и на изменение уровня с HIGH на LOW уже назначать действие см пример кода.

    Измерить бортовое Напряжение аналоговым портом, допустим А0 см на рис.1.3 данный делитель даст на выходе 4.2в по формуле U out = U in * R1 / (R1+R2) 25v * 1k/(5k+1k) ссылка на вольтметр на Arduino только принятое значение не отсылать компу как в примере по ссылке, а записывать в переменную и с полученными данными уже работать. полное описание всех возможностей и програмирования Arduino

    2. любой ISO конвертер или оптопарой как на рис.1.4 читать сигнал либо Uart (Serial.read) , но в это время не будет возможности прочитать сигнал и отправить для просмотра в комп, это возможно только на Arduino Mega так как она имеет несколько Uart портов. библиотеки с програмными портами не советую, они либо работают не коректно, либо занимают таймер который в постедствии использует другая функция и начинаются траблы, в таких случаях нужно точно знать какой библиотекой пользуещься и как она работает. Можно по внешним прирываниям о них подробно написанно по ссылке выше. но я бы использовал единственный Uart без отправки в комп.

    3. Думаю все понятно.

    4. какой датчик? свой?

    5. Все возможно, но нужно мутить делитель и калибровать програмно. подключая к аналоговому порту.

    6. я бы взял тачскрин. он использует меньше выходов какую модель дисплея использовать планируешь? нужно конкретно знать что бы посчитать что после ее подключения останется.

    7. что за генератор прямоугольников, для чего?

    8. с вентилятором то же самое что и с сигналом нейтралки.

    9. герконы заводим так же. не понял с герконами, как это работает? герконов 2 а скоростей 5

    10. можно использоать 2 аналоговых выхода для управления релюшками. что бы установить аналоговый выход как дигитальный нужно учесть сколько дигитальных выходов на плате. например UNO имеет 14 (0-13). значит что бы установить А0 как дигитальный выхот нужно прописать pinMode(14, OUTPUT); соответственно А1, А2, А3... будут 15, 16, 17...

    11. от светодиода советую отказаться, либо повесить его если останется свободный выход.

    Сэкономить выхода можно путем завода лог сигналов в аналоговый порт средством резистивного делителя, но здесь уже внешную схемку мутить надо. рис.1.5

    предварительный деагноз: если хорошо аганизовать то можно на Uno все повесить, на Leanardo полюбому все встанет.

    сейчас немного туго со временем, как освобожусь накидаю примерчик скеча для Arduino.
    Миниатюры Миниатюры Нажмите на изображение для увеличения. 

Название:	am2.JPG 
Просмотров:	5233 
Размер:	77.7 Кб 
ID:	18286  
    Последний раз редактировалось XsanderS; 07.12.2014 в 23:56.
    хороший модем должен качать пиво!
    Мой проект

  5. #5
    Местный
    Регистрация
    07.12.2014
    Сообщений
    102
    Вес репутации
    158

    По умолчанию Re: Бортовой компьютер мотоцикла

    Не ожидал такой подробный ответ, приятно с вами иметь дело.
    С функционалом почти сам разобрался, сегодня пол дня читал мануал и скетчи, всё просто оказывается. За помощь спасибо, я хочу сам попробовать, лучше потом проверишь готовый скетч скоро нарисую в Spaln`e принципиальную схему, выложу на суд общественности.

    Ладно уговорил согласен на Mega! там выходов ни меренное количество как оказалось, отпадает нужность в плате расширения для дисплея, с пяти кнопочной клавиатурой, да и геморроя меньше с делителями напряжения, не нужно экономить выхода.

    4. Датчик - DHT11
    5. От этого датчика работает штатный прибор измерения температуры , делитель помешает ему работать ?!
    6. Дисплей - wh1602a-tmi к примеру.
    7. В панели приборов стрелки тахометра и спидометра управляются сигналом - прямоугольными импульсами, хочу сделать красиво, что бы при включении зажигания стрелки передергивались в максимум и обратно.
    9. В мотоцикле коробка секвентальная (последовательная), те лапка ходит в верх и в низ, соответственно - (первая в низ геркон №1), (датчик нейтрали для синхронизации), (вторая, третья ... в верх геркон №2)

  6. #6
    Модератор Аватар для XsanderS
    Регистрация
    05.05.2008
    Возраст
    43
    Сообщений
    829
    Вес репутации
    412

    По умолчанию Re: Бортовой компьютер мотоцикла

    4.С DHT проблем не будет
    5. Не стоит к нему лепиться, если от схемы зацепиться то можно, но я не стал бы к нему лезьть, лучше оставить штатную систему управления в покое.
    6. Дисплей посмотрел, все поместится и на UNO без лишнего мутилова, выходов хватит. Мега единственно будет лучше если сигнал от штатных мозгов допустим пакетные данные то проще будет завести его через второй uart а если допустим просто сигнал от датчика скорости изменяет лиш длинну сигнала пропорцеонально скорости, то лучше на измерении внешних приреваний делать. Поясни в чем цель? Считать скорость и вывести на дисплей или управлять стрелками тахометра и спидометра?

    Насчет герконов понял, они как кнопки, типа в верх в низ.

    Рисуй схему там посмотрим что к чему, если что поправим.
    хороший модем должен качать пиво!
    Мой проект

  7. #7
    Местный
    Регистрация
    07.12.2014
    Сообщений
    102
    Вес репутации
    158

    По умолчанию Re: Бортовой компьютер мотоцикла

    Сигнал датчика скорости нужен для расчёта пробега до сервиса - замена масла, смазка цепи и прочего.

    А генератор прямоугольных импульсов нужен для этого (внимание на стрелки ) -

  8. #8
    Модератор Аватар для XsanderS
    Регистрация
    05.05.2008
    Возраст
    43
    Сообщений
    829
    Вес репутации
    412

    По умолчанию Re: Бортовой компьютер мотоцикла

    Это все конечно супер, но нужно будет много экспериментировать и раскодировать протокол и конвертировать сигнал, это ведь не так что дал стрелкам какой то прямоугольный сигнал и они себе от нехрин делать прыгнули туда сюда они понимают эти прямоугольники по конкретному протоколу и им нужно точно и ясно на понятном им языке сказать куда прыгнуть и куда вернуться. Я так понимаю там есть какая то шина по которой идет коммуникация, и к этой шине надо цепляться и общаться с датчиком скорости и стрелками. Что за мотоцикл? Скинь подробное название, типа марка и модель.

    Пс: хотя все может быть и на много проще чем я думаю, может частота импульса изменяется с повышением скорости, и передвижение стрелок тоже реагирует на частоту импульсов.
    Последний раз редактировалось XsanderS; 09.12.2014 в 15:51.
    хороший модем должен качать пиво!
    Мой проект

  9. #9
    Местный
    Регистрация
    07.12.2014
    Сообщений
    102
    Вес репутации
    158

    По умолчанию Re: Бортовой компьютер мотоцикла

    Нет там ни какой шины данных

    Сигнал с датчика скорости (Холла) поступает сразу в панель.
    Сигнал с датчика коленвала (индуктивный) поступает сначало в ECM, там преобразуется в прямоугольники АЦП и так же идёт в панель.


    ... работаю электриком диагностом

  10. #10
    Модератор Аватар для XsanderS
    Регистрация
    05.05.2008
    Возраст
    43
    Сообщений
    829
    Вес репутации
    412

    По умолчанию Re: Бортовой компьютер мотоцикла

    Ну тогда все понятно и не страшно, оба сигнала можно завести на внешние прирывания, как раз uno может обрабатывать 2 внешних прирывания.
    хороший модем должен качать пиво!
    Мой проект

Страница 1 из 18 123456711 ... ПоследняяПоследняя

Информация о теме

Пользователи, просматривающие эту тему

Эту тему просматривают: 1 (пользователей: 0 , гостей: 1)

Ваши права

  • Вы не можете создавать новые темы
  • Вы не можете отвечать в темах
  • Вы не можете прикреплять вложения
  • Вы не можете редактировать свои сообщения
  •