Показано с 1 по 8 из 8
  1. #1
    Пользователь
    Регистрация
    26.04.2009
    Возраст
    37
    Сообщений
    22
    Вес репутации
    213

    По умолчанию Ключевой режим транзистора

    Приветствую зашедших...
    Помогить разобраться с номиналами резисторов.

    По схеме:
    R1 - Резистор цепи затвор-исток, ?? Ом ?? Вт.
    R2 - Подтягивающий резистор, 10 кОм 0,125 Вт. ?
    D1,D2 - 2-ва диода Шоттки с общим катодом, 40CTQ045.
    Q1 - Полевой n-канальный транзистор с изолированным затвором, IRF1405PBF.

    п.с.: 2-ва диода Шоттки с общим анодом - редкость.
    Поэтому, решил собрать полумост из 2-х с общим катодом с самым маленьким падением напряжения
    и которые есть в наличии.

    Момент №1.
    Не пойму, как расчитать R1.
    Ведь по сути, по цепи з-и течёт ток, только тогда, когда транзистор "перезаряжается".

    Момент №3.
    Чем выше напряжение подаём на затвор, тем ниже будет Rds(on) и тем больше будет ток во время той же "перезарядки".
    По даташиту у указанного IRF(а) Vgs - 20 В, а "открываться" на нужный мне ток сток-истока он начинает, уже при 4,5 В.
    Подавать на затвор 10 В. или лучше 12-14 В.?

    Момент №2.
    Нужно ли ставить в схему стабилитрон или варистор, скажем на 18 В.?

    Схема предназначена для управления вариациями автомобильных сигналов.
    Миниатюры Миниатюры Нажмите на изображение для увеличения. 

Название:	Схема.jpg 
Просмотров:	921 
Размер:	165.7 Кб 
ID:	8169  

  2. #2
    Администратор Аватар для Chip
    Регистрация
    08.06.2007
    Возраст
    56
    Сообщений
    13,381
    Вес репутации
    10

    По умолчанию Re: Ключевой режим транзистора

    В таком режиме транзистор не будет на полную открыватся и будет грется, нагрузку лучше к Стоку подключить

  3. #3
    Пользователь
    Регистрация
    26.04.2009
    Возраст
    37
    Сообщений
    22
    Вес репутации
    213

    По умолчанию Re: Ключевой режим транзистора

    В таком режиме транзистор не будет на полную открыватся и будет грется, нагрузку лучше к Стоку подключить
    Всё правильно, как на схеме ниже.
    Мне в этом случае придётся к каждому сигналу тянуть по 2-ва провода.
    Если использовать p-канальный, то нужно затвор к земле прижимать, а у меня уже есть "+" с контактов руля(

    Как обойтись "1-м проводом" к сигналам?!
    Миниатюры Миниатюры Нажмите на изображение для увеличения. 

Название:	Схема-2.jpg 
Просмотров:	802 
Размер:	181.1 Кб 
ID:	8173  

  4. #4
    Администратор Аватар для Chip
    Регистрация
    08.06.2007
    Возраст
    56
    Сообщений
    13,381
    Вес репутации
    10

    По умолчанию Re: Ключевой режим транзистора

    Теперь правильно
    R1-1k
    R2-10k

  5. #5
    Пользователь
    Регистрация
    26.04.2009
    Возраст
    37
    Сообщений
    22
    Вес репутации
    213

    По умолчанию Re: Ключевой режим транзистора

    Эдуард, спасибо за советы.
    Буду признателен, если ответите на остальные мои вопросы...

  6. #6
    Администратор Аватар для Chip
    Регистрация
    08.06.2007
    Возраст
    56
    Сообщений
    13,381
    Вес репутации
    10

    По умолчанию Re: Ключевой режим транзистора

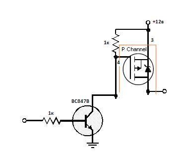
    Если добавить еще один маломощный транзистор то можно будет плюсом управлять при использовании Р канального MOSFET .

    Примерно так, еще резистор от базы на землю 10к нужно добавить

    Нажмите на изображение для увеличения. 

Название:	irf7319.png 
Просмотров:	784 
Размер:	9.3 Кб 
ID:	8174
    Последний раз редактировалось Chip; 29.03.2010 в 22:52.

  7. #7
    Пользователь
    Регистрация
    26.04.2009
    Возраст
    37
    Сообщений
    22
    Вес репутации
    213

    По умолчанию Re: Ключевой режим транзистора

    Решил остановиться на p-канальном IRF4905.
    Максимальная рассеиваемая мощность, при токе 14 А. ~ 4 Вт.
    Посчитал необходимое тепловое сопротивление радиатора ~ 16 С°/Вт.

    Можно применить, например, такой радиатор HS 107-30 ???

  8. #8
    Пользователь
    Регистрация
    26.04.2009
    Возраст
    37
    Сообщений
    22
    Вес репутации
    213

    По умолчанию Re: Ключевой режим транзистора

    Разобрался...

Информация о теме

Пользователи, просматривающие эту тему

Эту тему просматривают: 1 (пользователей: 0 , гостей: 1)

Ваши права

  • Вы не можете создавать новые темы
  • Вы не можете отвечать в темах
  • Вы не можете прикреплять вложения
  • Вы не можете редактировать свои сообщения
  •