Посмотрите правильно нарисовал схему, есть какие нибудь замечания или предложения?
Будет установлен неттоп с блоком питания t-3000lx, у которого на выходе 19в для питания компа, и 5в для периферии. Соответственно монитор просто от БП запитать не могу.
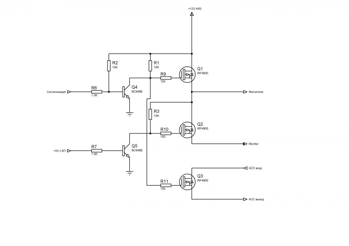
Данная схема нужна для того чтобы комп не включался на автозапуске. А также монитор на охране (если комп включен с доп. канала сигналки).
Алгоритм такой когда охрана включена (вход сигнализация закорочен на "-") транзистор закрыт после снятия с охраны транзюк Q4 открывается поступает напряжение на управляющий вход магнитолы(соответственно включается майфун), при включении БП компа поступает напряжение на вход +5V включается монитор. Также в режиме охраны ACC на входе компьютерного БП будет обесточиваться через транзистор Q3 для того чтоб комп на автозапуске не включался.


Ответить с цитированием
на макетке я паял на S питание, а с D брал выход. Спасибо. А что с питанием? Резюки на 100 ом можно убрать?
