Показано с 1 по 2 из 2

Тема: lg tcc 6120

  1. #1
    Новичок
    Регистрация
    26.02.2016
    Сообщений
    1
    Вес репутации
    0

    По умолчанию lg tcc 6210

    Здравствуйте, можно ли сделать aux lg tcc 6210 ?
    Вложения Вложения

  2. #2
    Администратор Аватар для Chip
    Регистрация
    08.06.2007
    Возраст
    56
    Сообщений
    13,381
    Вес репутации
    10

    По умолчанию Re: lg tcc 6120

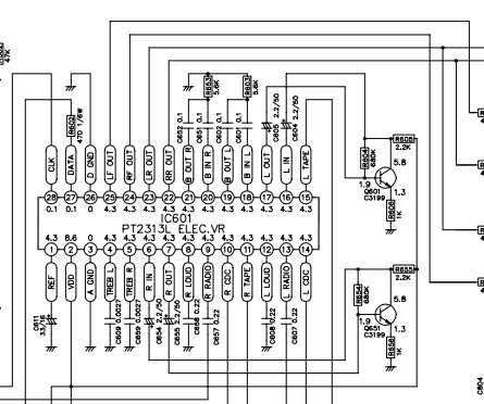
    Попробуй подключится к любому из входов через эл.конденсатор, например L.Tape и R.Tape
    Нажмите на изображение для увеличения. 

Название:	aux.jpg 
Просмотров:	727 
Размер:	50.1 Кб 
ID:	18866
    Последний раз редактировалось Chip; 28.02.2016 в 23:35.

Информация о теме

Пользователи, просматривающие эту тему

Эту тему просматривают: 2 (пользователей: 0 , гостей: 2)

Ваши права

  • Вы не можете создавать новые темы
  • Вы не можете отвечать в темах
  • Вы не можете прикреплять вложения
  • Вы не можете редактировать свои сообщения
  •