Страница 23 из 56 ПерваяПервая ... 131718192021222324252627282933 ... ПоследняяПоследняя
Показано с 221 по 230 из 568

Комбинированный просмотр

Предыдущее сообщение Предыдущее сообщение   Следующее сообщение Следующее сообщение
  1. #1
    Пользователь Аватар для Nikitos_111
    Регистрация
    10.03.2009
    Возраст
    39
    Сообщений
    87
    Вес репутации
    227

    По умолчанию Re: Подключение Штатного монитора на любом автомобиле.

    нашел С RGB Понятно.... а которая синхра нужна??? И как лучше здесь на ножки паять или как вы говорить найти куда они уходят..... просто с моим знаним схем, сомневаюсь что найду, или есть возможность прозвонить????
    Нажмите на изображение для увеличения. 

Название:	RGB.jpg 
Просмотров:	1724 
Размер:	128.1 Кб 
ID:	3575

  2. #2
    Пользователь Аватар для Nikitos_111
    Регистрация
    10.03.2009
    Возраст
    39
    Сообщений
    87
    Вес репутации
    227

    По умолчанию Re: Подключение Штатного монитора на любом автомобиле.

    Нажмите на изображение для увеличения. 

Название:	RGB2.jpg 
Просмотров:	1718 
Размер:	196.5 Кб 
ID:	3576
    Нажмите на изображение для увеличения. 

Название:	RGB3.jpg 
Просмотров:	1643 
Размер:	161.4 Кб 
ID:	3578
    вот что смог отследить.... а вот куда дальше от этих черных штук????
    Последний раз редактировалось Nikitos_111; 13.03.2009 в 22:55.

  3. #3
    Администратор Аватар для Chip
    Регистрация
    08.06.2007
    Возраст
    56
    Сообщений
    13,381
    Вес репутации
    10

    По умолчанию Re: Подключение Штатного монитора на любом автомобиле.

    ноги 8,9,10,15 нужно резать дорожки и ставить коммутатор или дальше отследи куда уходят сигналы
    Последний раз редактировалось Chip; 13.03.2009 в 22:37.

  4. #4
    Пользователь Аватар для Nikitos_111
    Регистрация
    10.03.2009
    Возраст
    39
    Сообщений
    87
    Вес репутации
    227

    По умолчанию Re: Подключение Штатного монитора на любом автомобиле.

    Чип, я отследил, на фото выше глянь пожалуйста!!! А какой именно комутатор делать??? Просто на форуме несколько вариантов! Чем они отличаются???

  5. #5
    Администратор Аватар для Chip
    Регистрация
    08.06.2007
    Возраст
    56
    Сообщений
    13,381
    Вес репутации
    10

    По умолчанию Re: Подключение Штатного монитора на любом автомобиле.

    А про название чипов забыл?

  6. #6
    Пользователь Аватар для Nikitos_111
    Регистрация
    10.03.2009
    Возраст
    39
    Сообщений
    87
    Вес репутации
    227

    По умолчанию Re: Подключение Штатного монитора на любом автомобиле.

    2267
    048
    JRC

  7. #7
    Пользователь Аватар для Nikitos_111
    Регистрация
    10.03.2009
    Возраст
    39
    Сообщений
    87
    Вес репутации
    227

    По умолчанию Re: Подключение Штатного монитора на любом автомобиле.

    Разабрал свой дисплейчик
    вот что там есть. Подскажите, если я куплю контроллер и припаяю его к эти 4 контактам, то должно работать???
    Нажмите на изображение для увеличения. 

Название:	tach.jpg 
Просмотров:	2759 
Размер:	140.8 Кб 
ID:	3580

  8. #8
    Администратор Аватар для Chip
    Регистрация
    08.06.2007
    Возраст
    56
    Сообщений
    13,381
    Вес репутации
    10

    По умолчанию Re: Подключение Штатного монитора на любом автомобиле.

    Да только опять коммутатор нужно делать.

  9. #9
    Пользователь Аватар для Nikitos_111
    Регистрация
    10.03.2009
    Возраст
    39
    Сообщений
    87
    Вес репутации
    227

    По умолчанию Re: Подключение Штатного монитора на любом автомобиле.

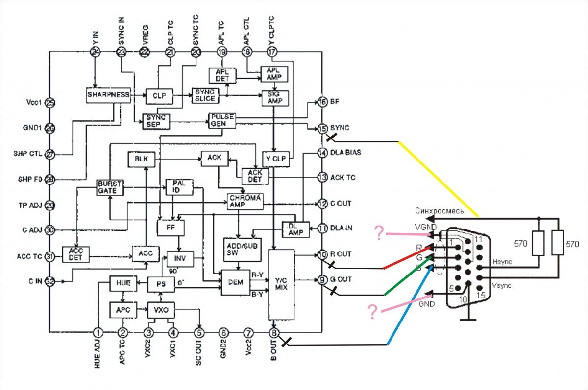
    Нажмите на изображение для увеличения. 

Название:	схем.jpg 
Просмотров:	1905 
Размер:	103.1 Кб 
ID:	3581
    вот накидал, правильно??? И вопросик. Куда земли то паять?

  10. #10
    Администратор Аватар для Chip
    Регистрация
    08.06.2007
    Возраст
    56
    Сообщений
    13,381
    Вес репутации
    10

    По умолчанию Re: Подключение Штатного монитора на любом автомобиле.

    VGND это помоему оплетка, а GND общий провод
    Что за материнку планируешь использовать?
    Последний раз редактировалось Chip; 14.03.2009 в 02:18.

Страница 23 из 56 ПерваяПервая ... 131718192021222324252627282933 ... ПоследняяПоследняя

Информация о теме

Пользователи, просматривающие эту тему

Эту тему просматривают: 4 (пользователей: 0 , гостей: 4)

Ваши права

  • Вы не можете создавать новые темы
  • Вы не можете отвечать в темах
  • Вы не можете прикреплять вложения
  • Вы не можете редактировать свои сообщения
  •