Страница 4 из 20 ПерваяПервая 1234567891014 ... ПоследняяПоследняя
Показано с 31 по 40 из 200

Комбинированный просмотр

Предыдущее сообщение Предыдущее сообщение   Следующее сообщение Следующее сообщение
  1. #1
    Местный
    Регистрация
    10.07.2009
    Возраст
    52
    Сообщений
    152
    Вес репутации
    250

    По умолчанию Re: Объединенный проект для Carduino (Arduino) All-In-One.

    Спасибо за разъяснения.
    Еще вопросик: в теме http://www.compcar.ru/forum/showthread.php?t=4600 одна ножка фото-резистора подключена на +5В, а другая на вход А0 и через резистор на GND, а в схеме All-in-one - наоборот. Как правильно?
    Изображения Изображения  

  2. #2
    Администратор Аватар для Chip
    Регистрация
    08.06.2007
    Возраст
    56
    Сообщений
    13,381
    Вес репутации
    10

    По умолчанию Re: Объединенный проект для Carduino (Arduino) All-In-One.

    По большому счету без разницы, просто сигнал будет инверсный
    Если не мудрить с инвертированием то правильно ФР к +5
    Последний раз редактировалось Chip; 22.03.2010 в 14:05.

  3. #3
    Местный
    Регистрация
    10.07.2009
    Возраст
    52
    Сообщений
    152
    Вес репутации
    250

    По умолчанию Re: Объединенный проект для Carduino (Arduino) All-In-One.

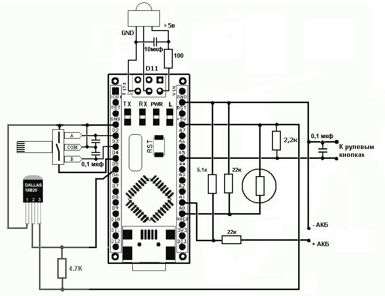
    Тогда более правильная объединенная схема будет выглядеть вот так:
    еще добавил фильтр на ИК-приемник.
    Миниатюры Миниатюры Нажмите на изображение для увеличения. 

Название:	схема.jpg 
Просмотров:	1822 
Размер:	83.7 Кб 
ID:	7983  

  4. #4
    Новичок
    Регистрация
    11.06.2010
    Возраст
    36
    Сообщений
    13
    Вес репутации
    196

    По умолчанию Re: Объединенный проект для Carduino (Arduino) All-In-One.

    Подскажите а кнопки точно к RESET подключать или это глюк?


    Да это был глюк- надпись над )))
    Последний раз редактировалось happysun; 16.10.2010 в 16:11.

  5. #5
    Местный
    Регистрация
    10.07.2009
    Возраст
    52
    Сообщений
    152
    Вес репутации
    250

    По умолчанию Re: Объединенный проект для Carduino (Arduino) All-In-One.

    Доделываю блок управления (осталось фоторезистор встроить).
    Объединил: энкодер, резисторные кнопки, ИК-пульт и яркость монитора.
    Все работает, но есть замечание: когда меняется освещенность - ничего больше не работает (а происходит это довольно часто)!!!
    Chip, просьба подправить объединенный скетч и программу. Добавить нажатие энкодера. Можно удалить все лишнее...
    Спасибо.
    Миниатюры Миниатюры Нажмите на изображение для увеличения. 

Название:	1.jpg 
Просмотров:	1393 
Размер:	58.8 Кб 
ID:	8594  
    Последний раз редактировалось Serg_w; 26.04.2010 в 21:28.

  6. #6
    Пользователь Аватар для tores
    Регистрация
    08.07.2009
    Возраст
    45
    Сообщений
    50
    Вес репутации
    215

    По умолчанию Re: Объединенный проект для Carduino (Arduino) All-In-One.

    Serg_w, а можно лицевую часть данного девайса выложить, очень понравилась твоя идея..
    M2-ITX, GIGABYTE GA-510UD, 2xApacer 1Gb, HDD SATA 160Gb, BT, D-Link GA-120, 3G HUAWEI E219, DVB-T USB, Lilliput 889

  7. #7
    Местный
    Регистрация
    10.07.2009
    Возраст
    52
    Сообщений
    152
    Вес репутации
    250

    По умолчанию Re: Объединенный проект для Carduino (Arduino) All-In-One.

    Пожалуйста...
    Нижний ряд - резисторные кнопки. Вырезаны из клавиатуры Жениус и встроены. За ними плата с микриками и сопротивлениями http://www.compcar.ru/forum/showpost...&postcount=106
    Второй ряд - ИК-приемник, кнопка вкл/выкл всей системы, кнопка вкл PC, диоды HDD и Power-led, Энкодер, два USB.
    Резисторные кнопки, ИК-приемник и Энкодер заведены по проекту All-In-One на Arduino.

    Туда же заведен фото-резистор, но пока не встроен. По нему терзают сомнения - когда он отрабатывает, все остальное не работает, а отробатывает он несколько секунд (выход - увеличить диапазоны срабатывания).

    Еще раз попрошу Chipa подправить скетч и программу для All-In-One...
    Миниатюры Миниатюры Нажмите на изображение для увеличения. 

Название:	-.jpg 
Просмотров:	1144 
Размер:	21.5 Кб 
ID:	8637  
    Последний раз редактировалось Serg_w; 01.05.2010 в 13:33.

  8. #8
    Администратор Аватар для Chip
    Регистрация
    08.06.2007
    Возраст
    56
    Сообщений
    13,381
    Вес репутации
    10

    По умолчанию Re: Объединенный проект для Carduino (Arduino) All-In-One.

    Цитата Сообщение от Serg_w Посмотреть сообщение
    Еще раз попрошу Chipa подправить скетч и программу для All-In-One...
    Пробуй

    PHP код:
    //http://compcar.ru   
    #include <IRremote.h>  
    byte bytes[13];    // 0-3 байт   энкодер, рулевые кнопки, ИК приемник, веб камера  
                      //   4 байт   датчик света 
                      //   5 байт   датчик напряжения 
                      //   6 байт   датчик топлива 
                      //   7-12 зарезервированы                   
      
    int LIGHT_SENS ;   // Вход датчика освещености 
    int VOLT_SENS ;    // Вход датчика напряжения 
    int FUEL_SENS ;    // Вход датчика уровня топлива 
    int JOYSTIK_PIN ;  // Вход для рулевых Кнопок 
    int NC2_SENS ;    // Вход датчика 
    int NC1_SENS ;    // Вход датчика  
    int NC3_SENS ;    // Вход датчика 
    int NC4_SENS ;    // Вход датчика 
      
      
    int RECV_PIN 6;     //вход ИК приемника  
    int back_cam 5//Вход активатора камеры 
    int encoder0PinA //Вывод А энкодера 
    int encoder0PinB //Вывод В энкодера 
    int encoder_botton 4//Вход кнопки энкодера 
      
    unsigned long res_dtir_dtold_irtime
    byte tempcam_status
    IRrecv irrecv(RECV_PIN);  
    decode_results results
      
    //****************************************** 
    void setup()      
    {  
      
    pinMode(encoder0PinAINPUT);  
      
    digitalWrite(encoder0PinAHIGH);     // подключить подтягивающий резистор 
      
    pinMode(encoder0PinBINPUT);  
      
    digitalWrite(encoder0PinBHIGH);    // подключить подтягивающий резистор 
      
    pinMode(encoder_bottonINPUT);  
      
    digitalWrite(encoder_bottonHIGH);    // подключить подтягивающий резистор 
       
    pinMode(back_camINPUT);  
      
    digitalWrite(back_camHIGH);    // подключить подтягивающий резистор 
      
      
    attachInterrupt(0doEncoderAFALLING);  // настроить прерывание interrupt 0 на pin 2 
      
    attachInterrupt(1doEncoderBFALLING);  // настроить прерывание interrupt 0 на pin 3   
    Serial.begin(115200); // настроить скорость com порт    
    irrecv.enableIRIn(); // включить приемник  
    }   
    //****************************************** 
    void loop()   
    {   
    IR_resiver(); 
    joystik(); 
    /*cam(); 
      if ((millis()-time)>1000 && results.value ==0) //запуск процедур по таймеру 
       {     
         time = millis(); 
          autolight(); 
          fuel(); 
          voltmetr(); 
       }*/  

    //*******************ИК приемник*********************** 
    void IR_resiver() 
    {  
       if ((
    millis()-time)>1000 )  
       {    
         
    time millis();   
         
    results.value=0
       } 
      
      if (
    irrecv.decode(&results))   
      {  
        if (
    results.value && results.value 0xFFFFFFFF)  
        {  
          
    ir_dt results.value;  
          
    bytes[0] = ir_dt 0xFF;          // преобразовать в 4-байта   
          
    bytes[1] = (ir_dt 0xFF00) >> 8;   
          
    bytes[2] = (ir_dt 0xFF0000) >> 16;  
          
    bytes[3] = (ir_dt 0xFF000000) >> 24;  
          
    Serial.writebytes,13); // отправить прочитаное значение компьютеру  
      
          
    if (old_ir == ir_dt){delay(300);} // Пауза после нажатия и удержания(перед повторами) 
          
    else {delay(500);} 
          
    old_ir ir_dt
        }  
               if (
    results.value == 0xFFFFFFFF 
                { 
                 
    delay(130); //пауза между повторами 
                 
    Serial.writebytes,13); 
                }  
           
    irrecv.resume();  
      }  

    //****************резистивные кнопки************************** 
    void joystik() 
    {   
      
    res_dt analogRead(JOYSTIK_PIN); // прочитать данные АЦП  
      
    if( res_dt 1023 && results.value == 0
      { 
        
    delay(50); // пауза для проверки дребезга 
        
    if(res_dt == analogRead(JOYSTIK_PIN))   //если нет дребезга 
          

            
    bytes[0] = res_dt 255;          // преобразовать в 2-байта  
            
    bytes[1] = (res_dt 768) >> 8;  
            
    bytes[2] = 0
            
    bytes[3] = 0
            
    Serial.writebytes,13); // отправить прочитаное значение компьютеру      
            
    delay(250); // Пауза между нажатиями 
          
    }   
      }     
    }  
    //******************Датчик освещения************************ 
    void autolight() 

    byte light;   
    byte sens analogRead(LIGHT_SENS)/4;   
      
    if ((
    sens 0) && (sens<30)) {light 2;}    
    if ((
    sens 30) && (sens<60)) {light 60;}    
    if ((
    sens 60) && (sens<90)) {light 90;}  
    if ((
    sens 90) && (sens<120)) {light 120;}  
    if ((
    sens 120) && (sens<150)) {light 150;}    
    if ((
    sens 150) && (sens<190)) {light 190;}    
    if (
    sens 190)  {light 255;}    

       if(
    light != bytes[4]) // если были изменения 
         
    {  
          
    clear_buf();    
          
    bytes[4] = light
          
    Serial.writebytes,13); 
         }       
    }  
    //*******************Измерение Напряжения*********************** 
    void voltmetr() 

        
    temp analogRead(VOLT_SENS)/4
          if(
    temp !=  bytes[5]) 
          { 
            
    clear_buf(); 
            
    bytes[5]=temp;  
             
    Serial.writebytes,13); 
          } 

    //*******************Датчик топлива*********************** 
    void fuel() 

          
    temp analogRead(FUEL_SENS)/4
          if(
    temp !=  bytes[6]) 
          { 
            
    clear_buf(); 
            
    bytes[6]=temp
             
    Serial.writebytes,13); 
          } 

    //*******************Активация веб камеры по сигналу ЗХ*********************** 
    void cam() 

      
    temp=digitalRead(back_cam); 
       if(
    temp==HIGH && cam_status==0
       { 
            
    clear_buf(); 
            
    cam_status=255
            
    bytes[1]=8
            
    Serial.writebytes,13);  
       }  
           if(
    temp==LOW && cam_status==255
             { 
              
    clear_buf(); 
              
    cam_status=0;  
              
    bytes[1]= 9
              
    Serial.writebytes,13); 
             } 

    //*******************Активация веб камеры по сигналу ЗХ*********************** 
    void clear_buf() 

          
    bytes[0] = 0
          
    bytes[1] = 0
          
    bytes[2] = 0;  
          
    bytes[3] = 0

    //*******************обработка прерывания*********************** 
    void doEncoderA() 

    cli(); 
      if(
    digitalRead(encoder0PinB)==HIGH){bytes[1]=24;}else{bytes[1]=15;}  
          
    bytes[0] = 0
          
    bytes[2] = 0;  
          
    bytes[3] = 0
      
    Serial.writebytes,13); 
    sei();  
    }   
    //*******************обработка прерывания*********************** 
    void doEncoderB() 

    cli(); 
        if(
    digitalRead(encoder0PinA)==HIGH){bytes[1]=15;}else{bytes[1]=24;} 
          
    bytes[0] = 0
          
    bytes[2] = 0;  
          
    bytes[3] = 0
        
    Serial.writebytes,13); 
    sei();     


  9. #9
    Местный Аватар для Except
    Регистрация
    09.11.2008
    Сообщений
    116
    Вес репутации
    267

    По умолчанию Re: Объединенный проект для Carduino (Arduino) All-In-One.

    Подскажите в чем беда, подаю на ардуину нано 12в на VIN, по идее все нормально, с выхода +5 выходит 5в, схема работает, но через неско секунд выходы перестают работать, а чип BL05A дико греется.

    если запитать 5ю вольтами то все ок.

  10. #10
    Администратор Аватар для Chip
    Регистрация
    08.06.2007
    Возраст
    56
    Сообщений
    13,381
    Вес репутации
    10

    По умолчанию Re: Объединенный проект для Carduino (Arduino) All-In-One.

    А что еще подключено к Ардуино?

Страница 4 из 20 ПерваяПервая 1234567891014 ... ПоследняяПоследняя

Информация о теме

Пользователи, просматривающие эту тему

Эту тему просматривают: 1 (пользователей: 0 , гостей: 1)

Ваши права

  • Вы не можете создавать новые темы
  • Вы не можете отвечать в темах
  • Вы не можете прикреплять вложения
  • Вы не можете редактировать свои сообщения
  •