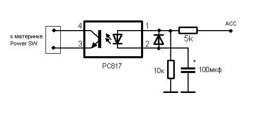
А 5к в природе не существует5.1к если правильно.
тогда поменяй местами на АСС поставь 4,8к, а на разряжающий поставь 6.4к
Хотя правильно наверно было бы паралельно входу поставить резистор 10к-15к но тогда время разряда увеличится немного.
Пробуй такой вариант




5.1к если правильно.
Ответить с цитированием
