Страница 1 из 2 12 ПоследняяПоследняя
Показано с 1 по 10 из 20
  1. #1
    Администратор Аватар для Chip
    Регистрация
    08.06.2007
    Возраст
    56
    Сообщений
    13,381
    Вес репутации
    10

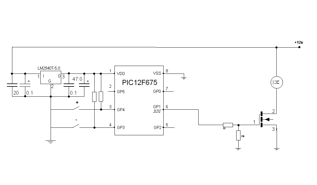
    По умолчанию Регулятор оборотов отопителя.

    На управляющий вход Mosfet с выхода контроллера, поступает ШИМ скважность которого меняется в зависимости от нажатий кнопок (+) или (-). Прошивки нету она умерла в месте с HDD , но там делов на 30 мин. для умеющего программировать на АСМ для PIC.
    Миниатюры Миниатюры Нажмите на изображение для увеличения. 

Название:	pwm.png 
Просмотров:	3082 
Размер:	2.3 Кб 
ID:	1600  

  2. #2
    Пользователь
    Регистрация
    10.04.2008
    Возраст
    39
    Сообщений
    69
    Вес репутации
    239

    По умолчанию Re: Регулятор оборотов отопителя.

    интересная штучка, может кто осилит написать прошивку?

  3. #3
    Гуру
    Регистрация
    05.08.2008
    Возраст
    39
    Сообщений
    484
    Вес репутации
    351

    По умолчанию Re: Регулятор оборотов отопителя.

    вы просто сумашедшии.. когда можно будет ездить в своём авто и одновременно спать с похмелья на заднем сидении, и ещё хочу так, что бы на конопку нажимаешь а тут тебе из бордочка полуголая красавитца выпрыгивает, стукните в личку если нужно будет нарисовать скины для этой программы!! +1 ахахаха

  4. #4
    Администратор Аватар для Chip
    Регистрация
    08.06.2007
    Возраст
    56
    Сообщений
    13,381
    Вес репутации
    10

    По умолчанию Re: Регулятор оборотов отопителя.

    О каких скинах и программе идет речь?
    Это устройство независимое.

  5. #5
    Пользователь
    Регистрация
    01.10.2008
    Сообщений
    32
    Вес репутации
    222

    По умолчанию Re: Регулятор оборотов отопителя.

    pafftis, на половине выпрыгивания красавицы винда виснет и машина врезается в дерево

  6. #6
    Гуру
    Регистрация
    05.08.2008
    Возраст
    39
    Сообщений
    484
    Вес репутации
    351

    По умолчанию Re: Регулятор оборотов отопителя.

    Chip, ну я думаю мы же прикрутим это к нашему карписи
    reget, нет на половине выприыгивания из пепельници вылетают резинки (сам понял какие) я думаю тут без рэле не обойтись!!

  7. #7
    Администратор Аватар для Chip
    Регистрация
    08.06.2007
    Возраст
    56
    Сообщений
    13,381
    Вес репутации
    10

    По умолчанию Re: Регулятор оборотов отопителя.

    Прикрутить все можно, но всегда нужно оставлять возможность управлять этим без CarPC

  8. #8
    Пользователь
    Регистрация
    01.10.2008
    Сообщений
    32
    Вес репутации
    222

    По умолчанию Re: Регулятор оборотов отопителя.

    Цитата Сообщение от Chip
    Прикрутить все можно, но всегда нужно оставлять возможность управлять этим без CarPC
    золотые слова

  9. #9
    Новичок Аватар для liberakatnem
    Регистрация
    31.05.2009
    Сообщений
    3
    Вес репутации
    0

    По умолчанию Регулятор оборотов отопителя

    А вот идея...если просто подключить резистор без транзистора? Так пробовал...работает,но интересно долго ли прослужит?

  10. #10
    Местный Аватар для turyst
    Регистрация
    31.12.2007
    Возраст
    46
    Сообщений
    134
    Вес репутации
    251

    По умолчанию Re: Регулятор оборотов отопителя.

    Если без програмного "климата", то зачем?

Страница 1 из 2 12 ПоследняяПоследняя

Информация о теме

Пользователи, просматривающие эту тему

Эту тему просматривают: 1 (пользователей: 0 , гостей: 1)

Ваши права

  • Вы не можете создавать новые темы
  • Вы не можете отвечать в темах
  • Вы не можете прикреплять вложения
  • Вы не можете редактировать свои сообщения
  •