В основе лежит Arduino MEGA.
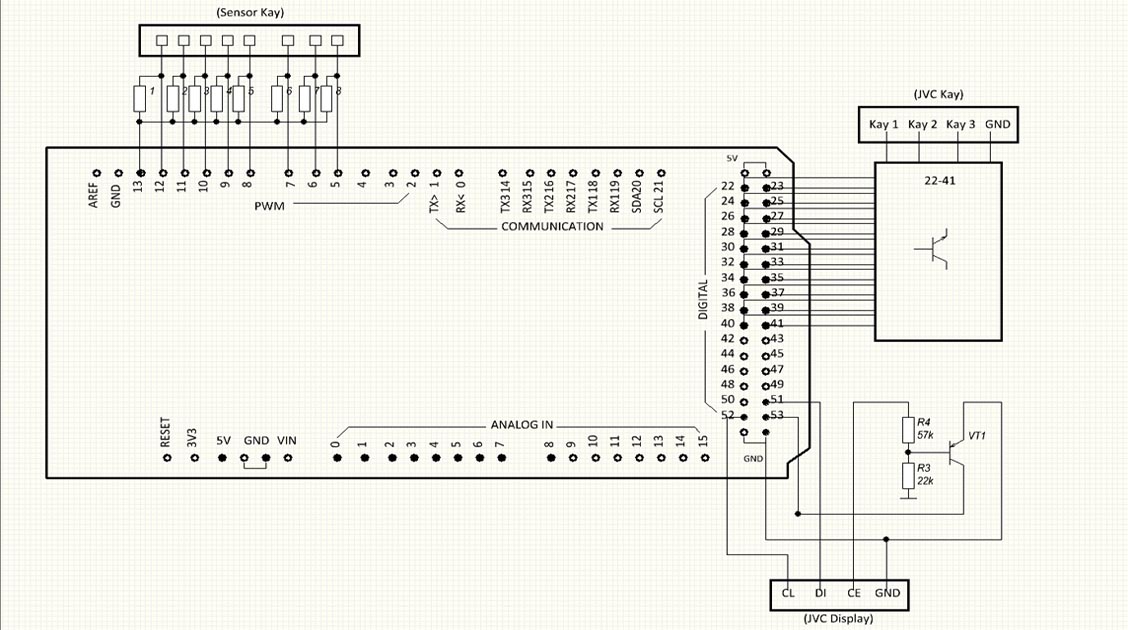
В авто установлен комп и магнитола. Морда от магнитолы не используется. Сигнал дисплея магнитолы идет в комп через SPI и отображается а спец написанной под это дело проге. На Arduino дигитальные порты с D22-41 будут использоваться для кнопок магнитолы (один выход одна кнопка) через транзисторные ключи.
возле монитора (с одной стороны 4 и с другой стороны 4) планируется 8 сенсорных кнопок по вот этой технологии будут управлять восемью портами на которых висят кнопки магнитолы (восемь основных функций)
I-Bus в Arduino заведу через микруху TH3122 хочу настроит 6 кнопок на левой части руля след образом: чтобы кнопка R/T всегда работала на D27 на котором будет висеть кнопка переключения между CD / AUX(PC) / FM а остальные 5, тут самое интересное начинается: Настроить один пин Arduino как сенсор. Если на нем уровень сигнала 0 то 5 кнопок руля управляют пятью дигитальными выходами Arduino на которых соответственно весят кнопки магнитолы, а вот когда уровень сигнала 1 тогда шлет сигнал в комп и управляет компом. это для того чтобы в режиме CD и FM управлять магнитолой а в режиме AUX компом.
сложность еще в том что мне нужна прямая коммуникация компа с I-Bus шиной для приема данных и записи в шину.
может сигнал с шины с конвертированный микрухой TH3122 настроить напрямую в комп через TX RX порт (1, 2 пины на Arduino Decimala кажеться) а сигнал для выше описанных нужд читать с шины через транзистор или оптопару по принципу адаптера на транзюках или по принципу K-Line адаптера. Что посоветуете???



Ответить с цитированием
