С кнопки не спортивноХочется автоматом включать... но это уже офтоп конечно
![]()
С кнопки не спортивноХочется автоматом включать... но это уже офтоп конечно
![]()
ну скажем так, пока с кнопки. Можно сделать так, чтоб подавался импульс на PC ON материнки при повороте ключа на ACC и т.д. Вариантов куча - меня пока волнует то, чтоб не допустить разрада аккумулятора ниже критического уровня, и отслеживание его состояния программным методом, находясь в салоне автомобиля и наблюдать всю инфу на экране компа, особенно на не заведенной машине. Неприятно ж, когда комп выключается без предупреждений, пусть даже корректно.Сообщение от kolychev
ну тут хозяин-барин, спорить не буду![]()
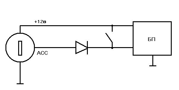
Вот простой вариант на выключателе. Для того чтобы можно было выйти из машины на несколько минут и не ждать перезагрузки компа.
Нужно переключить до того как глушить машину.
Переключатель вешается до компа и все доп нагрузки следует делать до переключателя.
Можно вместо выключателя повесить таймер и ваш карписи будет выключаться через заданое время.
Нашел схемку примитивного таймера на 10 мин. Можно даже и не переводить в кибернейт , а просто вытащить ключь из зажигания и комп будет работать 10 мин .
Таймер можно купить.
А если просто в настройках электропитания указать чтоб при нажатии кнопки Power уходить в спящий режим. и ненадо никаких дополнительных схем...
поправьте если я не прав...
Не все БП работают корректно с этим режимом, например Е-10000
А если нужно чтобы комп не выключался 30 мин, тогда кроме М3-АТХ никакой бп этот режим не обеспечит. Вот и приходится извращатся.
Хотя проще контроллер самоделкина поставить, но не всем под силу его собрать и прошить.
Все зреет тема допинать-таки свой AVCLan плагин, научить его уходить в кибернэйт не сразу, а по прошествию выбранного времени... Не могу пока придумать, как удобней сделать выбор времени или может вообще просто кнопку при нажатии на которую будет работать определенное время, заданное в конфиге. А еще лучше, чтоб он на это время в слип уходил с последующим кибернэйтом через заданное время... надо копать вобщем.
Эту тему просматривают: 1 (пользователей: 0 , гостей: 1)