Страница 2 из 3 ПерваяПервая 123 ПоследняяПоследняя
Показано с 11 по 20 из 23
  1. #11
    Администратор Аватар для Chip
    Регистрация
    08.06.2007
    Возраст
    56
    Сообщений
    13,381
    Вес репутации
    10

    По умолчанию Re: RC машика на aurdino

    Цитата Сообщение от rapira77 Посмотреть сообщение
    Извеняюсь не обозначил. U1 L298N U2 SN74HC00.
    Схема рабочая, только распиновку по DS не проверял

  2. #12
    Новичок
    Регистрация
    09.12.2013
    Сообщений
    14
    Вес репутации
    155

    По умолчанию Re: RC машика на aurdino

    Собрал я драйвер на L298N. Проигрался.
    Что то не очень понравился. По моему падает на нём много.
    Решил собрать н-мост. Порылся в загашниках нашёл транзисторы.
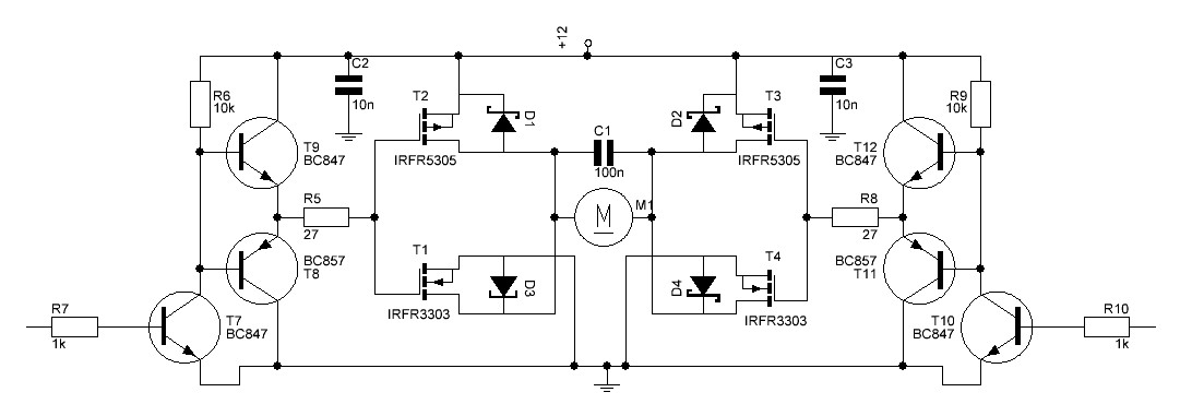
    Схему прилагаю. Я правильно понял теорию?
    Нажмите на изображение для увеличения. 

Название:	н-мост.JPG 
Просмотров:	1058 
Размер:	64.2 Кб 
ID:	17212

  3. #13
    Администратор Аватар для Chip
    Регистрация
    08.06.2007
    Возраст
    56
    Сообщений
    13,381
    Вес репутации
    10

    По умолчанию Re: RC машика на aurdino

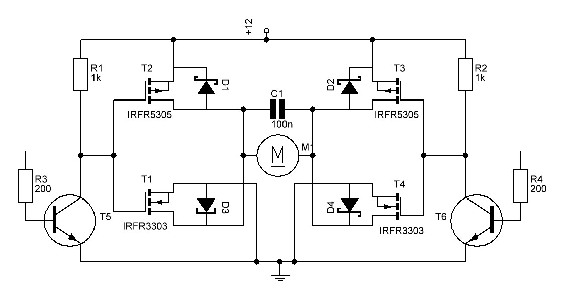
    При использовании ШИМ полевики будут греться от сквозняков, так как фронты сигнала на затворах будут завалены
    Для раскачки полевиков можно использовать следующую схему
    Нажмите на изображение для увеличения. 

Название:	driver_150.jpg 
Просмотров:	1081 
Размер:	85.8 Кб 
ID:	17213
    Последний раз редактировалось Chip; 17.12.2013 в 22:58.

  4. #14
    Новичок
    Регистрация
    09.12.2013
    Сообщений
    14
    Вес репутации
    155

    По умолчанию Re: RC машика на aurdino

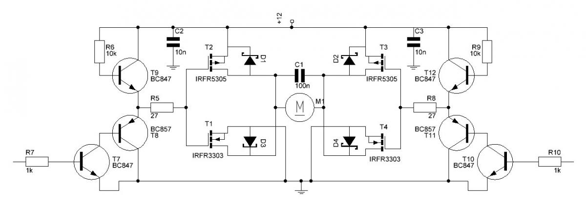
    Вот так?
    Нажмите на изображение для увеличения. 

Название:	н-мост.jpg 
Просмотров:	1087 
Размер:	44.0 Кб 
ID:	17215
    Последний раз редактировалось rapira77; 17.12.2013 в 23:33.

  5. #15
    Администратор Аватар для Chip
    Регистрация
    08.06.2007
    Возраст
    56
    Сообщений
    13,381
    Вес репутации
    10

    По умолчанию Re: RC машика на aurdino

    Да .

  6. #16
    Новичок
    Регистрация
    09.12.2013
    Сообщений
    14
    Вес репутации
    155

    По умолчанию Re: RC машика на aurdino

    Спасибо!

  7. #17
    Администратор Аватар для Chip
    Регистрация
    08.06.2007
    Возраст
    56
    Сообщений
    13,381
    Вес репутации
    10

    По умолчанию Re: RC машика на aurdino

    Только диоды будут лишними, посмотри по DS на полевики, диоды в полевиках должны быть

  8. #18
    Новичок
    Регистрация
    09.12.2013
    Сообщений
    14
    Вес репутации
    155

    По умолчанию Re: RC машика на aurdino

    Да есть. Это я для дастоверности нарисовал.

  9. #19
    Администратор Аватар для Chip
    Регистрация
    08.06.2007
    Возраст
    56
    Сообщений
    13,381
    Вес репутации
    10

    По умолчанию Re: RC машика на aurdino

    Ошибка на схеме. Базы транзисторов BC857 и BC947 должны быть соединены
    Последний раз редактировалось Chip; 18.12.2013 в 02:13.

  10. #20
    Новичок
    Регистрация
    09.12.2013
    Сообщений
    14
    Вес репутации
    155

    По умолчанию Re: RC машика на aurdino

    Проглядел.
    Нажмите на изображение для увеличения. 

Название:	н-мост.JPG 
Просмотров:	1095 
Размер:	57.9 Кб 
ID:	17216

Страница 2 из 3 ПерваяПервая 123 ПоследняяПоследняя

Информация о теме

Пользователи, просматривающие эту тему

Эту тему просматривают: 1 (пользователей: 0 , гостей: 1)

Ваши права

  • Вы не можете создавать новые темы
  • Вы не можете отвечать в темах
  • Вы не можете прикреплять вложения
  • Вы не можете редактировать свои сообщения
  •