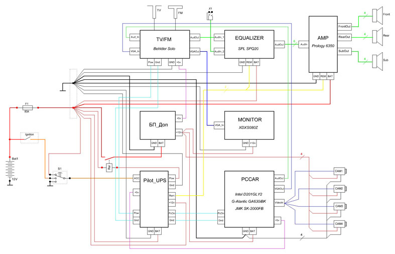
К сожалению, проект работает пока только на столе...(см. блок-схему)
поэтому, о качестве приема ничего сказать не могу, ксати, стоит вопрос выбора TV-антены. Как говорят умные люди:
http://pctuner.ru/page-al-behold_solo.html
"... За уверенный прием ТВ и FM сигналов отвечает "традиционный" ВЧ-блок маркировкой FM1216ME/I H5. Компания NXP Semiconductors является бывшим подразделением концерна Phillips, поэтому, по сути, перед нами старый добрый Philips Mk5...Функции аналогово-цифрового преобразователя выполняет 9-ти битный Philips SAA7113H, обеспечивающий традиционно хорошую цветопередачу, поддерживающий стандарты PAL/SECAM/NTSC и имеющий низкое энергопотребление..."
Как всякий внешний TV-тюнер аппаратно и программно не зависит от
компа. USB служит только для обновления прошивки.
Т.е. нельзя встроить ни в какой Frond-End, нельзя сделать видеозахват и т.д. Да от него этого никто и не ждет. Переключение с рабочего стола на TV идет мгновенно с пульта, как собственно и все остальные функции.


Ответить с цитированием
