Показано с 1 по 5 из 5
  1. #1
    Продвинутый
    Регистрация
    15.12.2008
    Возраст
    39
    Сообщений
    229
    Вес репутации
    416

    Вопрос Резервное питание

    Задача состоит в том, чтобы обеспечить питание управляющего модуля и 1-2 приводов замков на случай, если непредвиденно сядет штатный аккумулятор.
    Доп. аккумулятор (мотоциклетный agm) под капотом - недалеко тянуть трассу, нет проблем с испарениями и т.д.
    Подключение через реле при напряжении в бортсети более порогового значения для зарядки.
    Если доп. аккум сильно разрядится, ток может быть велик. Здесь несколько вариантов.
    1. забить. На мотоцикле же тоже разряженный аккум как-то заряжается от генератора. Кроме того, при росте зарядного тока снизится напряжение в сети.
    2. проверить напряжение на доп аккуме перед началом зарядки, если очень низкое, не заряжать, включить индикацию, мол «Сам заряжай». Просто, но неудобно.
    3. зарядка на L200C например с ограничением тока. Требует повышающего преобразователя на входе. Громоздко.
    Посоветуйте, пжалуйста, как поступить?

    p/s/ просьба помидорами не кидать. Тема же не про питание carpc))

    p.s вот что пишут на эту тему здесь в описании их коммутатора:
    При подключении неисправного дополнительного аккумулятора или коротком замыкании его клемм происходит следующее: по достижении в бортовой сети соответствующего напряжения через 1,5-2 секунды коммутатор подключает цепь доп.аккумулятора к бортовой сети. Если при этом наблюдается понижение напряжения ниже заданного порога (перегрузка), то коммутатор практически мгновенно (<1мс) отключит цепь. При таком кратковременном подключении не успевают сгореть предохранители, не перегружается бортовая сеть. Через 1,5-2 сек. процесс повторится и будет повторяться до тех пор, пока не исчезнет причина перегрузки. Похожая картина при подключении сильно разряженного аккумулятора. Но коммутатор будет отключать 2-й аккумулятор не мгновенно, а через некоторое время, пропорциональное степени заряженности аккумулятора. 2-й аккумулятор будет заряжаться импульсами тока, не перегружающими бортовую сеть. Так происходит до тех пор, пока 2-й аккумулятор не зарядится до определенного напряжения. После этого коммутатор подключит доп.аккумулятор на подзарядку в нормальном режиме.
    Вроде похоже на правду
    Последний раз редактировалось manu_245; 05.04.2014 в 17:52.

  2. #2
    Ломастер Аватар для basurman971
    Регистрация
    13.02.2011
    Возраст
    54
    Сообщений
    396
    Вес репутации
    340

    По умолчанию Re: Резервное питание

    За ссылку спасибо. Не скажу что специально искал-случайно на глаза попалось. На полевике схемка понравилась(уже в коллекции).

  3. #3
    Продвинутый
    Регистрация
    15.12.2008
    Возраст
    39
    Сообщений
    229
    Вес репутации
    416

    По умолчанию Re: Резервное питание

    Пока разобраться в вопросе полностью не удалось.
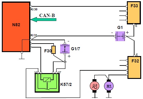
    Подобная схема применяется на мерседес w211:
    Нажмите на изображение для увеличения. 

Название:	Mercedes-Benz-W211-Dual-Battery-System-Diagram.jpg 
Просмотров:	4788 
Размер:	32.1 Кб 
ID:	17844
    Непонятным остается только одно: SAM (N82) регулирует ток заряда аккумулятора (G1/7), или только измеряет суммарный ток в системе и в зависимости от него отключает потребителей? Если у кого есть информация по этому поводу, пожалуйста, подскажите.
    Последний раз редактировалось manu_245; 25.06.2014 в 01:30.

  4. #4
    Ломастер Аватар для basurman971
    Регистрация
    13.02.2011
    Возраст
    54
    Сообщений
    396
    Вес репутации
    340

    По умолчанию Re: Резервное питание

    Дополнительная батарея питает бортовые потребители при разрядке или отказе основной батареи. При ее подключении она обеспечивает ток в 100 А в течение 15 с.

  5. #5
    Новичок
    Регистрация
    20.12.2019
    Сообщений
    5
    Вес репутации
    80

    По умолчанию Re: Резервное питание

    Я вас понимаю, в моем селе постоянно исчезает ток к тому же огромные перепады, поэтому приобрел себе дизельной генератор и забыл об этом все как о страшном сне.
    Последний раз редактировалось Chip; 13.05.2020 в 03:43.

Информация о теме

Пользователи, просматривающие эту тему

Эту тему просматривают: 16 (пользователей: 0 , гостей: 16)

Ваши права

  • Вы не можете создавать новые темы
  • Вы не можете отвечать в темах
  • Вы не можете прикреплять вложения
  • Вы не можете редактировать свои сообщения
  •