Страница 13 из 16 ПерваяПервая ... 378910111213141516 ПоследняяПоследняя
Показано с 121 по 130 из 158
  1. #121
    Администратор Аватар для Chip
    Регистрация
    08.06.2007
    Возраст
    56
    Сообщений
    13,381
    Вес репутации
    10

    По умолчанию Re: Конструкция выходного дня

    Задержка есть как на старт так и на выключение

  2. #122
    Продвинутый
    Регистрация
    01.06.2008
    Возраст
    49
    Сообщений
    204
    Вес репутации
    259

    По умолчанию Re: Конструкция выходного дня

    Цитата Сообщение от Chip
    У меня включен был 6 часов без запуска движка, и после этого без проблем завелся. Потребляет 48ватт с двухядерным процессором, а это меньше чем 1 лампочка ближнего света. А если комп не нужен его можно выключить нажав кнопочку завершение работы .
    1)Это как стока мало удалось добиться?
    2)10 сек до запуска это явно мало я в своем контроллере закладывал 30сек

  3. #123
    Администратор Аватар для Chip
    Регистрация
    08.06.2007
    Возраст
    56
    Сообщений
    13,381
    Вес репутации
    10

    По умолчанию Re: Конструкция выходного дня

    1-проц серии ВЕ низкого потребления
    2- я думаю что для запуска вообще пауза не нужна, как показала практика БП вполне справляется.

  4. #124
    Продвинутый
    Регистрация
    01.06.2008
    Возраст
    49
    Сообщений
    204
    Вес репутации
    259

    По умолчанию Re: Конструкция выходного дня

    посмотрим что он выдает, уже купил, мать на 780G чипсете, проц ВЕ-2400, 2 планки по 1Г памяти, и хард сата-шный на 120Гигов и если не понижать потребление питания проца, сомневаюсь.. что у меня получатся такие показатели

  5. #125
    Администратор Аватар для Chip
    Регистрация
    08.06.2007
    Возраст
    56
    Сообщений
    13,381
    Вес репутации
    10

    По умолчанию Re: Конструкция выходного дня

    Будут немного больше из-за памяти , я использую 1 планку с чипами с одной стороны. А хард 2,5 дюймовый

  6. #126
    Продвинутый
    Регистрация
    01.06.2008
    Возраст
    49
    Сообщений
    204
    Вес репутации
    259

    По умолчанию Re: Конструкция выходного дня

    у меня память с 2-х сторон, то есть 16 чипов на планку..., просто хотелось задействовать 2-канала, так как возможно воткну 2 монитора, но со звуком пока непонятки..., его на 2-х не понятно как делить

  7. #127
    Администратор Аватар для Chip
    Регистрация
    08.06.2007
    Возраст
    56
    Сообщений
    13,381
    Вес репутации
    10

    По умолчанию Re: Конструкция выходного дня

    Если нужно 2 звука то поставь внешнюю USB звуковую . Она стоит копейки

  8. #128
    Продвинутый Аватар для xDriver
    Регистрация
    26.03.2008
    Сообщений
    268
    Вес репутации
    320

    По умолчанию Re: Конструкция выходного дня

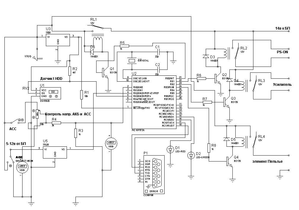
    Апну темку

    Так как контролер выходного дня собранный мной, приказал долго жить (схематическое решение не причем, дело в исполнении - оплавились входные разъемы) , собрал новый, заодно немного изменив схему, прошивку и алгоритм работы. Алгоритм будет понятен из исходника, ну лень еще и это писать...
    С пиками практически теперь на ты и поэтому в качестве исходника использовался уже С, а не PICBASIC (Самоделкину все равно огромное спасибо).
    В разработке контролер с подогревом винта и со связью с ПК для контроля основных параметров (схема ниже), может LCD туда тоже прикручу, хотя не знаю, по ходу еще может в голову чего стукнет ...
    а да есть идея прикрутить и облагородить штатный кондей (печку) моей ЭЛКИ, превратив его в двух зонный "климат", но это позже....

    Помидоры приветствуются
    Миниатюры Миниатюры Нажмите на изображение для увеличения. 

Название:	K2009_PIC16F873A.jpg 
Просмотров:	1175 
Размер:	86.4 Кб 
ID:	2998  
    Вложения Вложения
    Последний раз редактировалось xDriver; 04.02.2009 в 03:57.
    ECS H67H2-I Intel® Core™ i3-2130, RAM 4гб, SSD 160 гб, моник XD, БП M4-ATX, BU-353, Yota, SkyLink, WiFi и т.д.

  9. #129
    Администратор Аватар для Chip
    Регистрация
    08.06.2007
    Возраст
    56
    Сообщений
    13,381
    Вес репутации
    10

    По умолчанию Re: Конструкция выходного дня

    Спасибо за схемку , как раз реализовано все что нужно!!!
    А фунция работы с ком портом не реализована

  10. #130
    Продвинутый Аватар для xDriver
    Регистрация
    26.03.2008
    Сообщений
    268
    Вес репутации
    320

    По умолчанию Re: Конструкция выходного дня

    Не Chip,наверно ты не понял, верхняя схема это то что в разработке
    скоро будет, думаю через недельку другую, сижу над этим "пахаю"

    а нижний архив, это полная рабочая сборка с исходниками и прочим фаршем, на "маленьком" пике - модернизированная "Конструкция выходного дня" без связи с ПК.
    Последний раз редактировалось xDriver; 04.02.2009 в 04:08.
    ECS H67H2-I Intel® Core™ i3-2130, RAM 4гб, SSD 160 гб, моник XD, БП M4-ATX, BU-353, Yota, SkyLink, WiFi и т.д.

Страница 13 из 16 ПерваяПервая ... 378910111213141516 ПоследняяПоследняя

Информация о теме

Пользователи, просматривающие эту тему

Эту тему просматривают: 1 (пользователей: 0 , гостей: 1)

Ваши права

  • Вы не можете создавать новые темы
  • Вы не можете отвечать в темах
  • Вы не можете прикреплять вложения
  • Вы не можете редактировать свои сообщения
  •