Страница 2 из 2 ПерваяПервая 12
Показано с 11 по 16 из 16
  1. #11
    Гуру Аватар для (vS)
    Регистрация
    18.06.2007
    Возраст
    48
    Сообщений
    1,981
    Вес репутации
    709

    По умолчанию Re: Возможно ли подключение внешнего сигнала на разъём кассетника?

    с головки сигнал идет на предварительный усилитель, его выход я обычно и отрезал для АУКса

  2. #12
    Продвинутый Аватар для Turbych
    Регистрация
    30.01.2008
    Возраст
    51
    Сообщений
    323
    Вес репутации
    288

    По умолчанию Re: Возможно ли подключение внешнего сигнала на разъём кассетника?

    Цитата Сообщение от (vS)
    с головки сигнал идет на предварительный усилитель, его выход я обычно и отрезал для АУКса
    С головки выходы идут на 1НА12216

  3. #13
    Администратор Аватар для Chip
    Регистрация
    08.06.2007
    Возраст
    56
    Сообщений
    13,381
    Вес репутации
    10

    По умолчанию Re: Возможно ли подключение внешнего сигнала на разъём кассетника?

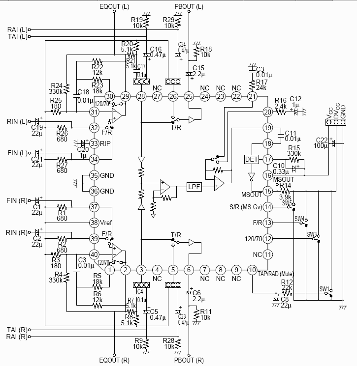
    Посмотри это она? Хотя бы по числу выводов.
    Подключаться нужно к (6)и(25) ножкам после кондеров.
    Миниатюры Миниатюры Нажмите на изображение для увеличения. 

Название:	ha12216.png 
Просмотров:	295 
Размер:	22.1 Кб 
ID:	2001  

  4. #14
    Продвинутый Аватар для Turbych
    Регистрация
    30.01.2008
    Возраст
    51
    Сообщений
    323
    Вес репутации
    288

    По умолчанию Re: Возможно ли подключение внешнего сигнала на разъём кассетника?

    Цитата Сообщение от Chip
    Посмотри это она? Хотя бы по числу выводов.
    Подключаться нужно к (6)и(25) ножкам после кондеров.
    да это она, просто правый и левый каналы подключить? Землю вешть не надо?

  5. #15
    Продвинутый Аватар для Turbych
    Регистрация
    30.01.2008
    Возраст
    51
    Сообщений
    323
    Вес репутации
    288

    По умолчанию Re: Возможно ли подключение внешнего сигнала на разъём кассетника?

    Опять засада, из этих выводов задействован только 25, но после него кондёр не стоит.....
    Я так понял вот более правильный даташит на неё
    http://1.1.1.1/258990164/259895304T0...//ha12216f.pdf

    Дорожка с 25 вывода приводит в никуда, просто нераспаянный разъём, и надпись на этом выводе Dolby R
    Последний раз редактировалось Turbych; 30.10.2008 в 13:55.

  6. #16
    Пользователь
    Регистрация
    04.06.2008
    Сообщений
    33
    Вес репутации
    226

    По умолчанию Re: Возможно ли подключение внешнего сигнала на разъём кассетника?

    турбыч,камрад,я нис табой на форуме wish пересекался?))))

Страница 2 из 2 ПерваяПервая 12

Информация о теме

Пользователи, просматривающие эту тему

Эту тему просматривают: 1 (пользователей: 0 , гостей: 1)

Ваши права

  • Вы не можете создавать новые темы
  • Вы не можете отвечать в темах
  • Вы не можете прикреплять вложения
  • Вы не можете редактировать свои сообщения
  •